logo elektroda
logo elektroda
X
logo elektroda
REKLAMA
REKLAMA
Adblock/uBlockOrigin/AdGuard mogą powodować znikanie niektórych postów z powodu nowej reguły.

[Rozwiązano] Jak użyć silnika z hulajnogi elektrycznej jako prądnicy? Jaki model?

Mateuszkordi23 22 Kwi 2020 20:49 7059 18
REKLAMA
  • REKLAMA
  • Pomocny post
    #2 18639593
    Grendel
    Poziom 21  
    Witaj.
    Silnik do hulajnogi elektrycznej to praktycznie na pewno BLDC, czyli bezszczotkowy silnik prądu stałego.
    Może bez problemu służyć jako prądnica - tylko musisz odłączyć sterownik tego silnika.
    Bezpośrednio na wyjściu otrzymasz trójfazowy prąd przemienny (jak z alternatora samochodowego),
    który możesz wyprostować sześcio-diodowym mostkiem prostowniczym (też jak w samochodzie).
  • REKLAMA
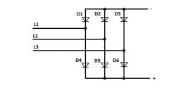
  • #4 18641586
    n6210
    Poziom 29  
    Mateuszkordi23 napisał:
    czy taki mostek prostowniczy można wykonać samemu w prosty sposób czy lepiej kupić gotowy?

    Zobacz schemat - raczej każdy sobie poradzi
    Jak użyć silnika z hulajnogi elektrycznej jako prądnicy? Jaki model?
  • REKLAMA
  • #6 18643719
    Grendel
    Poziom 21  
    Mateuszkordi23 napisał:
    Ile na takim silniku można wytworzyć prądu? Silnik działa na 250w napięcie chyba 28v czy coś koło tego.

    Na to pytanie nie da się odpowiedzieć w sposób ścisły - napięcie wytworzone przez ten silnik w trybie prądnicy będzie zależało przede wszystkim od jego prędkości obrotowej.
    Osiąganą moc można ostrożnie oszacować przy pewnych założeniach:
    Jeśli moc silnika wynosi 250 W a sprawność np. 80%, to 20%, czyli 50 W z doprowadzonej energii elektrycznej zamienia się w ciepło a pozostałe 200 W ulega przekształceniu w energię mechaniczną.
    Odwracając tryb pracy na prądnicowy, gdy dostarczymy te 200 W mocy mechanicznej, uzyskana na wyjściu moc elektryczna może być pomniejszona o kolejne 20%, czyli wynieść 160 W.
    To są, oczywiście, bardzo przybliżone szacunki - lepiej sprawdzić to pomiarowo w układzie rzeczywistym.
    Pozdrawiam
  • #7 18700587
    Mateuszkordi23
    Poziom 3  
    Dzień dobry mam jeszcze pytanie czy w tym silniku jest jakiś sterownik? Bo samego silnika nie rozbierałem zrobiłem ten mostek prostowniczy ale wytwarzane napięcie to jest max 8v bez obciążenia. Po podłączeniu miernika i odbiornika( ładowarki do telefonu) uzyskałem 5a. Czy diody, ich jakość maja duży wpływ na uzysk energii?
    I drugie pytanie dotyczące już zamieniania energii kinetycznej na elektryczna. Chciałbym zrobić pionowa turbinę wiatrowa wydrukowana na drukarce 3D (220x220x220mm) czy jest jakiś sensowny projekt który da radę zmierzyć się z takim silnikiem. Bo z tego co sprawdzałem to stawia on bardzo duży opór.
    Proszę o pomoc, jeżeli dziwią kogoś moje pytania to przepraszam zaczynam dopiero swoją przygodę majsterkowicza mam zaledwie 13lat ;)
  • REKLAMA
  • #10 18700617
    Krzysztof Kamienski
    Poziom 43  
    @Mateuszkordi23 Jezeli to prawda, to albo blad pomiaru, albo źle podłączony prostownik.
    Mateuszkordi23 napisał:
    był tak duży opór ze palce ukręcało
    Bez obciążenia opory powinny być niewielkie. Raz jeszcze, odłącz prostownik, zostaw rozwarte przewody, obracaj i zmierz na zakresie 200 V AC.
  • #13 18700815
    Mateuszkordi23
    Poziom 3  
    Wykorzystałem schemat z powyższego postu. Podłączyłem 3 najgrubsze przewody niebieski zielony i żółty i jest jeszcze 5 przewodów o dużo mniejszym przekroju (zielony niebieski żółty czerwony czarny) Na wyjściu z prostownika podłączyłem multimetr na zakresie 20V DC. No i do zmierzenia natężenia 20 A również prąd stały
  • #14 18701172
    Grendel
    Poziom 21  
    Mateuszkordi23 napisał:
    wytwarzane napięcie to jest max 8v bez obciążenia
    Mateuszkordi23 napisał:
    8v-ok 1000obr/min

    Tak niskie napięcie w stanie jałowym jest raczej niemożliwe, jeśli silnik jest sprawny a wszystko jest właściwie połączone.

    Mateuszkordi23 napisał:
    5a, ok 5,5v -ok 700obr/min

    Masz na myśli, że ładowarka do telefonu pobierała prąd 5 A przy 5.5 V zasilania? Coś tu nie gra.

    Mateuszkordi23 napisał:
    Chciałbym zrobić pionowa turbinę wiatrowa wydrukowana na drukarce 3D (220x220x220mm) czy jest jakiś sensowny projekt który da radę zmierzyć się z takim silnikiem. Bo z tego co sprawdzałem to stawia on bardzo duży opór.

    Na taki silnik te wymiary turbiny są według mnie zbyt małe, by skutecznie nim zakręcić.

    Mateuszkordi23 napisał:
    No i do zmierzenia natężenia 20 A również prąd stały

    Czy to oznacza, że mierzyłeś jego prąd zwarciowy amperomierzem na wyjściu?
    Mateuszkordi23 napisał:
    był tak duży opór ze palce ukręcało

    Przy pracy na zwarciu może ukręcać ręce.

    Mateuszkordi23 napisał:
    Czy w tym silniku jest jakiś sterownik?

    Nie ma sterownika - to są bezpośrednie wyjścia z uzwojeń - sterownik jest zewnętrzny. Te przewody o małym przekroju to wyprowadzenia z czujników Halla,
    które służą jako sprzężenie zwrotne do pomiaru prędkości wirowania silnika przez układ sterujący, który dzięki temu dokonuje właściwej komutacji uzwojeń.
  • #15 18701282
    Mateuszkordi23
    Poziom 3  
    Tak niskie napięcie w stanie jałowym jest raczej niemożliwe, jeśli silnik jest sprawny a wszystko jest właściwie połączone:

    Silnik powinien być sprawny a podłączyłem tak: https://obrazki.elektroda.pl/3955675500_1589797969.jpg.

    Ładowarka pobierała zbyt dużo prądu ponieważ okazała się uszkodzona

    Z czego i w jaki sposób mógłbym zrobić wydajną turbinę pionową( ma stać na balkonie)

    Nie, nie zmierzyłem prądu zwarciowego ale odbiornik był uszkodzony więc nie wiem czy to może mieć jakiś związek

    Dodano po 24 [minuty]:

    https://obrazki.elektroda.pl/7637035900_1589800122.jpg
  • #16 18919712
    Konto nie istnieje
    Poziom 1  
  • #17 18919722
    Rezystor240
    Poziom 42  
    KrzysztofS napisał:
    Np 40V 4700uF .....


    Trochę mało te 40V nie wiadomo ile uzyska, dla pewności można zastosować jakiś kondensator na 63V.
  • #18 18950603
    Pontikos
    Poziom 38  
    Przerabiałem ten sam temat praktycznie.
    Silnik 250W, 48V - aby uzyskać sensowne i użyteczne natężenie prądu dla tego napiecia potrzebny byl tak duży moment obrotowy ("siła pchania") wiatraka, że nie zapewniały go nawet cztery połówki beczek 500l na osi pionowej.
    Z reszta całość prosto jest policzyć ze wzorów dostępnych w podręczniku z liceum lub technikum.
    U mnie projekt wylądował w koszu - albo była konieczna zbyt duza powierzchnia łopat, lub zbyt duża predkość obrotowa - siła odśrodkowa rozrywa turbinę.

Podsumowanie tematu

Silnik z hulajnogi elektrycznej, najczęściej typu BLDC (bezszczotkowy silnik prądu stałego), może być użyty jako prądnica po odłączeniu sterownika. Wytwarza trójfazowy prąd przemienny, który można prostować za pomocą mostka prostowniczego. W przypadku silnika o mocy 250 W i napięciu 28 V, uzyskana moc elektryczna w trybie prądnicy może wynosić około 160 W, w zależności od prędkości obrotowej. Użytkownicy podkreślają znaczenie jakości diod w mostku prostowniczym oraz konieczność zastosowania kondensatorów dla stabilizacji napięcia. Pojawiły się również pytania dotyczące projektowania turbin wiatrowych, które mogą napotkać trudności z oporem silnika. Wskazówki dotyczące pomiarów napięcia i prądu oraz schematy połączeń były również omawiane.
Podsumowanie wygenerowane przez model językowy.
REKLAMA