Cześć.
Z nudów zmontowałam kolejny bubelek i chciałam się pochwalić.
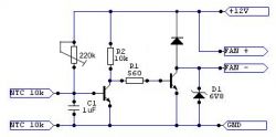
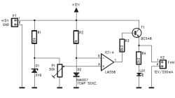
Sterownik wentylatorka 12V.
Zasada działania prosta, wentylator kręci się wolno (różnica między napięciem zasilania minus napięcie diody Zenera), jak temperatura wzrośnie, otwiera się tranzystor 2 i wiatrak dostaje pełne napięcie (minus spadek na złączu tranzystora)
T1 - BC847, T2 - BC817, dioda Zenera (w zależności od potrzebnych wolnych obrotów) 7,5V.
Termistor NTC10k.
Płytki - termotransfer.
Schemat Zrysowany z jakiegoś starego zasilacz ATX.
Oczywiście nie obyło się bez błędu!
Kto zgadnie co tu nie gra, dostaje ode mnie 8szt płytek.
Schemat:
Fotki:

Z nudów zmontowałam kolejny bubelek i chciałam się pochwalić.
Sterownik wentylatorka 12V.
Zasada działania prosta, wentylator kręci się wolno (różnica między napięciem zasilania minus napięcie diody Zenera), jak temperatura wzrośnie, otwiera się tranzystor 2 i wiatrak dostaje pełne napięcie (minus spadek na złączu tranzystora)
T1 - BC847, T2 - BC817, dioda Zenera (w zależności od potrzebnych wolnych obrotów) 7,5V.
Termistor NTC10k.
Płytki - termotransfer.
Schemat Zrysowany z jakiegoś starego zasilacz ATX.
Oczywiście nie obyło się bez błędu!
Kto zgadnie co tu nie gra, dostaje ode mnie 8szt płytek.
Schemat:
Fotki:
Fajne? Ranking DIY
