Cześć,
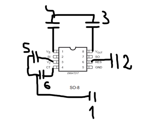
Mam problem z programatorem zmywarki Candy Trio 503X, nastąpiło zwarcie w układzie. Po krótkiej diagnozie zauważyłem zwarcie na linii 12V (na płytce jest transformator 230/12 AC - na rysunku żółte kółko). Uszkodzeniu uległy 4 diody zaraz za nim (pytanie moje jest następujące: czy są to diody zenera czy prostownicze, jak je zidentyfikować i dokupić - doszedłem do wniosku że mają one prostować napięcie z AC na DC) następnie dwie diody również zaznaczone na schemacie na niebiesko są uszkodzone. Uszkodzeniu uległ także prawdopodobnie tranzystor (nie jestem pewny czy to tranzystor - opis na elemencie niewiele pomaga). Na rysunku zaznaczony w pomarańczowym kółku - oznaczenie na elemencie: E ZOS Y525 (ewentualnie E Z0S Y525) obok są jeszcze 3 takie same, które zwarcia nie powodują.
Czy ktoś mógłby pomógł w identyfikacji i zakupie elementów?
W układzie zostało wylutowane jeszcze kilka kondensatorów i naprawione ścieżki, ale z tym nie będę miał problemu.
Dziękuję za pomoc.

Mam problem z programatorem zmywarki Candy Trio 503X, nastąpiło zwarcie w układzie. Po krótkiej diagnozie zauważyłem zwarcie na linii 12V (na płytce jest transformator 230/12 AC - na rysunku żółte kółko). Uszkodzeniu uległy 4 diody zaraz za nim (pytanie moje jest następujące: czy są to diody zenera czy prostownicze, jak je zidentyfikować i dokupić - doszedłem do wniosku że mają one prostować napięcie z AC na DC) następnie dwie diody również zaznaczone na schemacie na niebiesko są uszkodzone. Uszkodzeniu uległ także prawdopodobnie tranzystor (nie jestem pewny czy to tranzystor - opis na elemencie niewiele pomaga). Na rysunku zaznaczony w pomarańczowym kółku - oznaczenie na elemencie: E ZOS Y525 (ewentualnie E Z0S Y525) obok są jeszcze 3 takie same, które zwarcia nie powodują.
Czy ktoś mógłby pomógł w identyfikacji i zakupie elementów?
W układzie zostało wylutowane jeszcze kilka kondensatorów i naprawione ścieżki, ale z tym nie będę miał problemu.
Dziękuję za pomoc.


