logo elektroda
logo elektroda
X
logo elektroda
Adblock/uBlockOrigin/AdGuard mogą powodować znikanie niektórych postów z powodu nowej reguły.

2 dzwonki na jednym kablu

kozikpl 03 Paź 2005 23:56 6788 33
  • #1 1871074
    kozikpl
    Poziom 12  
    Mieszkam w domku jednorodzinnym 2 poziomowym czy możliwe jest by za pomocą jednego kabla- dwużyłowego- podłączyć dzwonek za pomocą którego można by dzwonić na dwa dzwonki, czyli na dół i na góre- zależy do kogo chce się zadzwonić :>.
    Niestety nie mam możliwości pociągnąć jeszcze jednego kabla.
  • #2 1871342
    kasprzyk
    Specjalista elektryk
    Witaj

    O takim rozwiazaniu nie słyszałem - musiłaby byc zrobiony jakiś uklad adresowany - ale mimo wszystko do drugiego dzwonka w samym mieszkaniu musiłabyś pociągnąć przewód.
    Zdecydowanie łatwiej będzie kupić dzwonek bezprzewodowy. Cena kilkadziesiąt złotych.

    Pozdrawiam
  • #3 1871379
    Witek76
    Poziom 24  
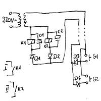
    a moze tak?
    D1-D4 dioda prostownicza np 1n4002
    K1, K2 przekaznik na napiecie stale odpowiednio do napiecia wyjsciowego z transformatora.
    C1, C2 kondensator elektrolityczny bedzie zapobiegal "brzeczeniu" przekaznika.

    Wcisniecie 2 przycisków jednoczesnie... uruchomi 2 dzwonki. :-)
    Dzwonki sa uruchamiane stykami NO przekazników.
    pozdrawiam!
  • #4 1871664
    kozikpl
    Poziom 12  
    Czyli, wciśnięcie jednego przycisku- dzwoni jeden, a wciśnięcie drugiego przycisku- dzwonią dwa?, a mi by zależało by dzwonił drugi.
  • #5 1871680
    Witek76
    Poziom 24  
    Ależ nie... ;)

    - wcisniecie S1 dzwoni I dzwonek
    - wcisniecie S2 dzwoni II dzwonek

    - wcisniecie S1 i S2 jednoczesnie dzwonia dzonki I i II jednoczesnie

    Ok?
  • #6 1872003
    kozikpl
    Poziom 12  
    czyli kurde da się tak zrobić, to super. Mam tylko jedno pytanie- w skali od 1 do 10 jakie to jest trudne w wykonaniu? :)
  • #7 1872012
    Witek76
    Poziom 24  
    Wg. mnie łatwe. Potrzeba lutownicę i troche dobrych chęci... ;)
  • #8 1872039
    kozikpl
    Poziom 12  
    Wielkie dzięki, mam kumpla co się troszke zna więc będzie dobrze.
    Jak zobaczy to kumpel i będą jeszcze jakieś wątpliwości to się jeszcze odezwe :)
    Jeszcze raz dziękuje!

    Dodano po 49 [minuty]:

    jescze jedno- ostatnie :)
    Ile to będzie kosztować- same części?
  • #9 1881491
    _jta_
    Specjalista elektronik
    Diody zależnie od sklepu od 4 do 20gr za sztukę, kondensatory - zależnie od napięcia
    - może też coś koło tego, a może koło złotówki. Kwestia jakie te dzwonki, czy zasilane
    prosto z sieci, czy przez transformator, czy muszą mieć prąd zmienny, czy może być stały?

    Jeśli dzwonki mogą działać na prąd stały, to przekaźniki są zbędne - podłączasz dzwonki.
    Może można bez kondensatorów - ale za to będzie potrzebna dodatkowa dioda przy
    każdym dzwonku. Jeśli one są na 220V, to diody muszą być na spore napięcie - może
    kup od razu 1N4007, lub 1N4006, to zwykle i tak nie wpływa na cenę.

    Jeśli będzie potrzebne trafo, albo przekaźniki, to ceny mogą być kilka-kilkanaście zł.

    Aha, tylko dzwonki muszą być podobne, bo jak jeden będzie na 220V~, a drugi na 12,
    to chyba nie da rady nic wykombinować, żeby to działało na jednym przewodzie.
    I koniecznie napisz, jakie są te dzwonki - czy to jest np. gong z elektromagnesem?
  • #10 1881580
    kowej
    Poziom 11  
    A ja nie radziłbym używać do tego celu 220V.
    Troszkę to niebezpieczne.
  • #11 1886665
    Witek76
    Poziom 24  
    Dokladnie dlatego jest tam transformator (nie powinno sie stosowac zasilania sieciowego w przewodzie do przycisku dzwonka).
  • #13 1887685
    Witek76
    Poziom 24  
    U mnie tez tak było... Ale to nie znaczy ze bylo dobrze (bezpiecznie).
  • #14 1920126
    kozikpl
    Poziom 12  
    Dzwonków w sumie jeszcze nie mam, ale chce jakieś "łagodne" ding-dong :), a o co chodzi z tym elektromagnesem, czy jakoś źle wpływa na instalacje?
    Mam schemat, ale potrzebuje teraz włącznika którm mógłbym wybrać gdzie chce zadzwonić, a znalezienie takiego nie jest proste :(, można by kombinować z pojedyńczymi x2 ale to nie jest dobre rozwiazanie- po prostu nieładne, dobra bybyła kaseta od domofonu, ale czy ktoś widział względnie małą- ale z drugiej strony po co mi głośnik i mikrofon, podnoszą sporo cene.
  • #15 1920316
    _jta_
    Specjalista elektronik
    Akurat gong z elektromagnesem może działać i na prąd stały, więc nie ma z nim problemów
    (co najwyżej dla prądu stałego może potrzebować niższego napięcia, albo ograniczenia prądu
    - można to załatwić np. włączając szeregowo odpowiednio dobraną żarówkę).

    Gong często wykonuje się jako dwutonowy, jak włączasz prąd, to elektromagnes wciąga rdzeń,
    on uderza i daje dźwięk (ding), jak wyłączasz prąd, to opada, i daje inny dźwięk (dong); jeśli
    prąd jest cały czas, to nie daje dźwięku, tylko jak to jest prąd zmienny, to trochę warczy.

    Gongi wykonywane zarówno na napięcie sieci, jak i na niskie napięcia (jakieś 8-12V)
    - te na niskie napięcia są dostosowane do zasilanie z transformatorów dzwonkowych.
  • #16 1922318
    kozikpl
    Poziom 12  
    na pewno chce dzwonki na 230V i nie ding-dong tylko takie które dzwonią cały czas jak się trzyma dzwonek (tak mam do tej pory i za dużo ludzi się przyzwyczaiło :)) źle napisałem w poprzednim poście. Czy mógłbym prosić o taką dokładniejszą liste zakupów, bo już teraz się trochę zamotałem.
  • #18 1924828
    kozikpl
    Poziom 12  
    jaki? nie wiem dokładnie o co chodzi, ale normalny dzwonek za około 25zł, jak trzymasz włacznik to dzwoni cały czas- tyle wiem :)
    Mogę prosić o tę listę zakupów?
  • #19 1925882
    _jta_
    Specjalista elektronik
    25zł to mam wrażenie trochę drogo... ale może teraz tyle kosztują? Znalazłem taniej:
    http://www.kable.3shop.pl/index.php?description=590&3shop=31ef4a5f338ee23b622f6ce0beb744d9

    To, co należałoby sprawdzić z tym dzwonkiem:
    1. zmierzyć, jaki prąd przez niego płynie - jak masz miliamperomierz tylko na prąd stały, a nie zmienny,
    to podłączasz go przez mostek z 4 diód (i tak potrzebujesz kilka kupić, chyba przyda się z 6);
    2. dobierasz żarówkę na 230V, która pobiera akurat tyle prądu, i włączasz szeregowo z nią diodę, i szeregowo
    z tym dzwonek połączony równolegle z diodą (uwaga na kierunki diód - łączysz takie same końce diód); sprawdzasz
    prąd (teraz miernikiem na prąd stały) - chodzi o to, żeby sprawdzić, czy: dzwonek będzie dzwonił przy takim zasilaniu,
    i czy prąd nie będzie za duży; najlepiej, jakby prąd był wyraźnie (np. 1.5x) mniejszy, wtedy można spróbować i bez
    żarówki, jakby był większy to żarówka będzie konieczna i w końcowym układzie;
    3. jak dzwonek dzwoni prawidłowo z diodami (lub z diodami i żarówką) to zostawiasz go z tymi diodami, i tak samo
    robisz z drugim dzwonkiem; dobrze byłoby, żeby jeśli jest potrzebna żarówka, to żeby mogła być ta sama dla obu;
    dla drugiego diody odwrotnie (też takie same końcówki razem, ale odwrotne końcówki, niż dla pierwszego dzwonka);
    4. teraz łączysz oba układy (każdy to dzwonek i dwie diody) równolegle, jeśli potrzebna jest żarówka to szeregowo
    z tym wszystkim - jak to po prostu podłączysz do sieci, powinny dzwonić oba dzwonki, jak przez diodę to jeden;
    5. jak już sprawdziłeś, że to działa, to montujesz dzwonki (wraz z diodami, i ewentualną żarówką) tam, gdzie mają
    być, a na drugim końcu kabla podłączasz podwójny włącznik, i szeregowo z każdym włącznikiem dajesz diodę (diody
    mają być w przeciwne strony), teraz wciśnięcie każdego włącznika powoduje dzwonienie innego dzwonka.

    Jak żarówka nie będzie potrzebna, to będziesz potrzebował kupić 6 diód 1N4007, dzwonek i podwójny włącznik.
  • #20 1926379
    kozikpl
    Poziom 12  
    Witam
    No troszkę taniej w tym sklepie, ale ten podstawowy dzwonek za około 14 zł brrrrrrr, mam taki sam teraz i mam go dosyć, jest za głosny :) mnie interesuje bardziej coś takiego (nie wiem czy to samo, bo nie wiem jak dzwoni) http://www.kable.3shop.pl/index.php?description=594
    chyba nie ma nimi dużej różnicy.

    Dzięki wielkie za tak szczegółowy opis co i jak :), jak bede miał trochę wolnego i kolegę (nawet niezłego elektryka) pod ręką to biorę się do roboty, mam tylko jeden problem, nigdzie nie mogę znaleźć odpowiedniego włącznika na 2, najbardziej pasowałaby coś takeigo jak kaseta od domofonu ale bez głośników i mikrofonu, ale chyba czegoś takiego nie dostane, można połączyć 2 pojedyńcze włączniki ale to są zwykłe białe puszki, a włącznik jak do światła naprawdę nic ciekawego :(
    Może ktoś się spotkał z czymś takim co potrzebuje

    ps. ktoś jeszcze wspominał o transformatorze na 12V
  • #21 1926758
    _jta_
    Specjalista elektronik
    Jeśli oba dzwonki są na 230V, to transformator jest zbędny.

    Ten dzwonek z linku to niestety elektroniczny, i może nie działać,
    jak mu się da prąd wyprostowany, lub nawet może się uszkodzić.
    Eksperymenty z zasilaniem przez diody można robić tylko z klasycznym
    dzwonkiem - takim z elektromagnesem w środku, bez elektroniki.

    Być może zmniejszenie prądu dla takiego zwykłago dzwonka zmniejszy
    głośność (ale za mały prąd spowoduje, że on wcale nie zadziała).
    Być może dzwonek ma jakiś mechaniczny regulator głośności.
    A w ostateczności można zamiast dzwonka kupić gong - tylko
    ważne jest, żeby to był zwykły mechaniczny, nie elektroniczny.
  • #22 1926906
    kozikpl
    Poziom 12  
    czyli mamy mały problem, chyba w sklepie nie dadzą mi wypróbować czy działa na prądzie wyprostowanym (bo to nie jest stały,tak?) :)

    mam jeden pomysł (po spotkaniu z osobą która mi to wytłumaczyła) chyba będzie trzeba zrobić inaczej: dzwonki tak jak były na 230V ale zastosować transformator na 12V oraz przekaźniki do sterowania co ma dzwonić, wtedy instalacja będzie bezpieczniejsza i będzie pewność, że każdy dzwonek zadziała!
    Powiedzcie mi czy dobrze myśle.
    ps. jaka zależność między transformatorem a przekaźnikiem, chyba dobrze pisze :) jaki transformator i wtedy jakie przekaźniki, aha i czy te diody będą inne?
  • Pomocny post
    #23 1928475
    _jta_
    Specjalista elektronik
    Ale masz ten dzwonek, który już wcześniej kupiłeś - możesz ten wypróbować.
    Jeśli nawet drugi dzwonek nie będzie identyczny, to - o ile to nie jest jakiś
    elektroniczny - powinien jakoś działać na prądzie wyprostowanym, problemem
    może być tylko ile prądu będzie pobierał - czy nie za dużo, bo wtedy trzeba będzie
    kombinować, jak ten prąd ograniczyć, żeby go nie spalić.

    Diody mogą być takie same i w wersji z przekaźnikami; co do dobierania trafa
    i przekaźników, to sugerowałbym najpierw wybierać przekaźniki, i do nich dobrać
    trafo - bo zwykle łatwiej znaleźć trafo pasujące do przekaźników niż na odwrót.
    No i wersja przekaźnikowa to sporo większy koszt: dwa przekaźniki i trafo.
    Same przekaźniki powinny być takie, żeby miały napięcie sterujące od kilku
    do kilkanastu wolt, i styki na napięcie sieci odporne na iskrzenie.
  • #24 1930205
    kozikpl
    Poziom 12  
    czy jest jakiś sklep w sieci gdzie mógłbym kupić te wszystkir rzeczy? Trochę szukałem ale nic nie mogę znaleźć
    znalazłem takie przekaźniki, który może być?
    http://http.www.unipol.torun.pl/przekazniki.html
    bo nie wiem czy ma być na prąd stały czy zmienny czy na 12V czy 230V
  • #25 1930761
    _jta_
    Specjalista elektronik
    Wygląda na to, że oni nie określają wszystkich parametrów, najważniejsze są trzy parametry:
    napięcie sterujące (dla cewki), napięcie przełączane (na stykach), prąd przełączany; jeszcze
    trochę może nas interesować oporność cewki. Odpowiadałaby nam cewka na 12V, ale 5, 9,
    czy 24 też będzie OK, już bardziej jest dla nas istotna moc pobierana przez cewkę, równa
    U^2/R, gdzie U to napięcie cewki, R to opór cewki - żeby nie była za duża, 1 czy 2W jest
    do przyjęcia (więcej niechętnie, bo będzie potrzebne większe trafo), a jeszcze istotna
    jest cena - żeby nie kupować czegoś bardzo drogiego. Natomiast styki muszą być na 230V~
    i na niezbyt mały prąd, bo będzie trochę iskrzyć i styki będą się zużywać - z tego powodu
    odpada kontaktron, nie wytrzyma długo iskrzenia z powodu obciążenia dzwonkiem.

    Trzeba będzie opisać, do czego to ma być (włączanie dzwonka na 230V~ z układu
    niskonapięciowego), i zapytać sprzedawcę o dokładniejsze dane przekaźników.
    Aha, i podaj, że przekaźnik będzie sterowany napięciem stałym, może słabo przefiltrowanym.
  • #26 1934085
    kozikpl
    Poziom 12  
    kupiłem diody 1N4007 (może troche duże, ale akurat innych nie mieli), użyje transformatora z zasilacza do anteny tv (wystarczy tylko usunąć układ prostujący) przekaźniki takie jak w zestawie Jabela 007 (o obciążalności styków 3A / 230V) ale nie wiem tylko co z tym kondensatorem elektrolitycznym.
  • #27 1934663
    _jta_
    Specjalista elektronik
    "przekaźniki jak w zestawie Jabela 007" - niestety nic mi to nie mówi o parametrach sterowania
    - potrzebna jest informacja, jakie mają nominalne napięcie i jaką oporność cewki.
    A jakie napięcie daje to trafo z zasilacza, i jaką ma moc?
    Układu prostującego nie musisz usuwać, wystarczy wyprowadzić przewody z trafa.
  • #28 1934982
    kozikpl
    Poziom 12  
    na przekaźniku napisane jest: JZC-20F (4088) 10ADC12V i jeszcze 400 ohm, a na zasilaczu output 12V 100mA, nie wiem jaka jest moc- jeżeli nawet można zmierzyć to nie mam odpowiedniego miernika. Tyle wiem
  • Pomocny post
    #29 1935162
    _jta_
    Specjalista elektronik
    Jeśli przekaźnik ma cewkę 12V 400ohm (tak by wynikało z tego napisu), to pobiera 30mA,
    a trafo może dawać 100mA, więc powinno bez problemu wystarczyć do dwóch przekaźników.

    Kondensatory około 1000uF powinny być w sam raz, może i 470uF by wystarczyły, proponuję
    na 25V (pewnie wystarczą i na 16V, ale jak cena będzie prawie taka sama to kup na 25V).
    Potrzebne będą 2, schemat z https://www.elektroda.pl/rtvforum/topic369539.html#1871379
    I uważaj na biegunowość - na kondensatorze jest napisane, gdzie ma być plus, lub gdzie minus,
    na diodzie jest kreska z tej strony, którą należy łączyć z plusem kondensatora, jak łączysz diodę do
    minusa kondensatora, to odwrotnie (stroną bez kreski). Inaczej: dioda przewodzi w stronę kreski.
  • #30 1935441
    kozikpl
    Poziom 12  
    diody mam te same, zależy tylko w którym kierunku je podłącze- dobrze zrozumiałem?
    a czy jakiś mały schemacik jak i co się podłącza do przekaźnika?
REKLAMA