logo elektroda
logo elektroda
X
logo elektroda
REKLAMA
REKLAMA
Adblock/uBlockOrigin/AdGuard mogą powodować znikanie niektórych postów z powodu nowej reguły.

Digifant 1.8 ADL - brak iskry, test diody, różne moduły zapłonowe

hubos21 23 Maj 2020 18:35 861 7
REKLAMA
  • #1 18713087
    hubos21
    Poziom 10  
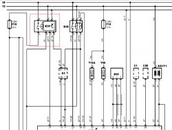
    Walczę z digifantem z ADLa i mam takie pytanie bo mam problem z zapłonem, dzisiaj zrobiłem test i jak włożyłem diodę z rezystorem we wpiętą wtyczkę do modułu zapłonowego, między PIN +12V a środkowy z ECU to zapłon był w związku z tym czy to może być wina złego modułu bo
    dzisiaj się zorientowałem, że w tym silniku jest ta nowsza cewka jak w 2.0 2E i moduł na tą małą wtyczką a ja próbowałem na tej z ABK na dużą wtyczkę. Poniżej wklejam film, migająca dioda biała to sygnał na wtryski.

    https://youtu.be/tbY7Sub9drs
  • REKLAMA
  • #2 18714370
    carrot
    Moderator Samochody
    Cewkomoduł z 3 pin złączem jest sterowany sygnałem +, natomiast 7 pinowy moduł jest sterowany masą, można go podłączyć bezpośrednio do wyjścia OC czujnika halla, jak to było w starych VW z gaźnikiem i mechanicznym aparatem zapłonowym (regulator odśrodkowy i podciśnieniowy)
  • REKLAMA
  • #3 18714394
    hubos21
    Poziom 10  
    Trochę źle napisałem, ten moduł który mam jest też na 3PINy tylko wtyczka jest ta duża w ADLu jest ta cewka kwadratowa, moduł jest na małą 3 PIN wtyczkę i czy to może mieć wpływ bo w jednym temacie ktoś wklejał wykrest z oscyloskopu i trochę ten sygnał się różnił okresem między tymi modułami
  • Pomocny post
    #4 18714511
    carrot
    Moderator Samochody
    Tam ma być taka sama cewka z modułem jak w 1,8 na monowtrysku
    Czyli Beru ZSE 001 albo Hella 5DA 006 623-951, 3pin wtyczka z wsówkami 3,5mm, cewka z modułem z audi, też 3 pin wtyczka, ale z konektorami 6,3mm nie nadaje się
    Rożnica jest taka, że ta pierwsza ma sterowanie impulsami dodatnimi 5V, a ta z audi 12V, dlatego ruszyła jak "podciągnąłeś" trochę napięcie diodą led z opornikiem
  • REKLAMA
  • #5 18714567
    hubos21
    Poziom 10  
    carrot napisał:
    Tam ma być taka sama cewka z modułem jak w 1,8 na monowtrysku
    Czyli Beru ZSE 001 albo Hella 5DA 006 623-951, 3pin wtyczka z wsówkami 3,5mm, cewka z modułem z audi, też 3 pin wtyczka, ale z konektorami 6,3mm nie nadaje się
    Rożnica jest taka, że ta pierwsza ma sterowanie impulsami dodatnimi 5V, a ta z audi 12V, dlatego ruszyła jak "podciągnąłeś" trochę napięcie diodą led z opornikiem


    I taka odpowiedź mnie urządza :D Jutro coś zamówię i dam znać. Mam jeszcze jeden problem z tym sterownikiem ale nie wiem czy dawać do naprawy czy rozwiązać problem inaczej, jeden gość twierdzi, że coś może pomóc. Chodzi o to, że cały czas po zapłonie wychodzi masa z 31 PIN na przekaźnik pompy paliwa. Myślałem, żeby dać przekaźnik z OPLA taki, który dostaje sygnał z rozrusznika i później sygnał z cewki nie dochodzi do niego sygnał z ECU. Na schemacie z ADLa jest jakiś przekaźnik kilku PINowy ale nie mogę namierzyć jego nr. Też dostaje sygnał z obrotomierza albo z AIRBAGu. Pierwsze myślałem, że to ten 409 ale opis nóżek nie pasuje

    Digifant 1.8 ADL - brak iskry, test diody, różne moduły zapłonowe
  • #6 18714860
    carrot
    Moderator Samochody
    Najtańsze rozwiązanie to przełącznik gazu Stag2w, po prostu zamiast elektrozaworów gazu podłączasz pompęLink
    Przekaźniki pompy paliwa od K czy Ke Jetronic-a są znacznie droższe
  • REKLAMA
  • #7 18715007
    hubos21
    Poziom 10  
    Dobry pomysł, chyba nawet lepszy bo po zapłonie włączy pompę na sekundę. Czyli trzeba masę odłączyć od ecu i dać na stałe a zamiast plusa po zapłonie podłączyć przewód od elektrozaworu. Te ECU z ADLa są trudne do kupienia i nigdzie ich nie ma więc muszę kombinować
  • #8 18720547
    hubos21
    Poziom 10  
    Cewka wymieniona, zapłon ruszył :D
REKLAMA