Witam
Potrzebuje wyprowadzic z radia audi concert w a4 b8 chinch zeby podlaczyc wzmacniacz.
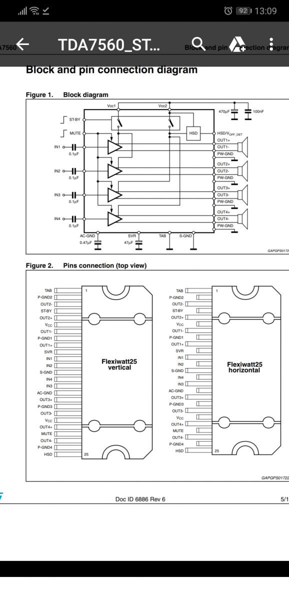
Uklad to TDA 75648
Wiem ze trzeba sie wpiac w przedwzmacniacz gdzies w okolice tych 4 kondensatorow jak na zdjeciu.
Najwygodniej bylo sie wpiac wprost w nozki ukladu,tylko ze bedzie to juz za kondensatorami,czy tak mozna to podlaczyc ?
Oraz jakie kondensatory wpiac w szereg z kablami sygnalowymi ? 2,2 na 16v beda ok ?

Potrzebuje wyprowadzic z radia audi concert w a4 b8 chinch zeby podlaczyc wzmacniacz.
Uklad to TDA 75648
Wiem ze trzeba sie wpiac w przedwzmacniacz gdzies w okolice tych 4 kondensatorow jak na zdjeciu.
Najwygodniej bylo sie wpiac wprost w nozki ukladu,tylko ze bedzie to juz za kondensatorami,czy tak mozna to podlaczyc ?
Oraz jakie kondensatory wpiac w szereg z kablami sygnalowymi ? 2,2 na 16v beda ok ?