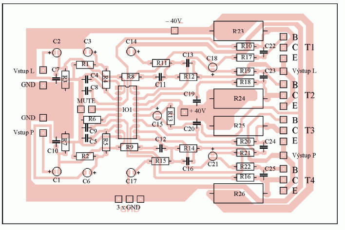
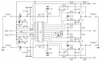
Jest to schemat oraz wzór płytki gotowej końcówki mocy 2x130W. Cechą układu są bardzo małe zniekształcenia 0,004%, odstęp sygnału od szumu 105dB, wejściowe napięcie max. 2V. Sercem całego rozwiązania jest sterownik TDA7250. Cały schemat jest bardzo podobny do rozwiązania zaprezentowanego w układzie zestawu firmy Nord Elektronik Plus - numer NE116. Jedyną różnicą jest zastosowanie innych tranzystorów komplementarnych oraz brak osobnego zabezpieczenia termicznego. Układ TDA7250 montujemy bez podstawki. Tranzystory końcowe - w obudowach TO3 muszą być chłodzone za pomocą radiatora. Zasilanie +/- 40V.
Fajne? Ranking DIY