logo elektroda
logo elektroda
X
logo elektroda
REKLAMA
REKLAMA
Adblock/uBlockOrigin/AdGuard mogą powodować znikanie niektórych postów z powodu nowej reguły.

Szukam schematu PROSTOWNIK SELENOWY BMZ-12/4 Bielawskiej fabryki prostowników

jangalewski 27 Cze 2020 22:46 2898 14
REKLAMA
  • #1 18786705
    jangalewski
    Poziom 10  
    Szczególnie chodzi mi jak podłączyć 7 pozycyjny przełącznik obrotowy.
  • REKLAMA
  • #2 18786899
    Konto nie istnieje
    Poziom 1  
  • REKLAMA
  • #3 18787369
    jangalewski
    Poziom 10  
    Awyrdonyt napisał:
    Transformator ma odczepy? Na 99% taka ładowarka miała przełącznik połączony z odczepami uzwojenia pierwotnego transformatora. Trzeba tylko ustalić kolejność odczepów. Prostownik za transformatorem można wymienić na krzemowy.

    chcę go zrobić na oryginał ma jeszcze przełącznik 6/12V dlatego jest mi potrzebny oryginalny schemat
  • REKLAMA
  • #4 18787390
    Konto nie istnieje
    Poziom 1  
  • #5 18787433
    jangalewski
    Poziom 10  
    Awyrdonyt napisał:
    Po stronie wtórnej jest odczep? Trzeba mostek przełączać między odczepem a skrajem uzwojenia wtórnego. Te urządzenia to bardzo proste układy.

    odczepu nie ma
  • #6 18787579
    Konto nie istnieje
    Poziom 1  
  • #7 18787973
    jangalewski
    Poziom 10  
    Awyrdonyt napisał:
    Pozostaje więc czekać na schemat lub próbować odtworzyć układ wzorując się na innych.

    jest do sprzedania taki sam na allegro prosiłem o zdjęcia środka ale sprzedający nie chce się zgodzić
  • #8 18788146
    Rezystor240
    Poziom 42  
    jangalewski napisał:
    odczepu nie ma


    W jakiś sposób regulacja musi być zrealizowana, pokaż zdjęcia tego sprzętu.
  • #10 18788207
    Rezystor240
    Poziom 42  
    To masz tylko regulacje napięć 6V lub 12V i za to odpowiada ten czarny przełącznik. Prostrzej i jednocześnie niezawodnej konstrukcji nie ma.
    Aby tabliczka znamionowa była bardziej czytelna możesz przetrzeć ją drobnym papierem ściernym, nie zniszczysz jej wtedy. Ale po takim zabiegu zabezpiecz ja leciutką farba bo korozja ją zje doszczętnie.
  • REKLAMA
  • #11 18788227
    Konto nie istnieje
    Poziom 1  
  • #12 18788905
    aksakal
    Specjalista - urządzenia lampowe
    Szukam schematu PROSTOWNIK SELENOWY BMZ-12/4 Bielawskiej fabryki prostowników Szukam schematu PROSTOWNIK SELENOWY BMZ-12/4 Bielawskiej fabryki prostowników Schemat Radzieckiego prostownika . Szukam schematu PROSTOWNIK SELENOWY BMZ-12/4 Bielawskiej fabryki prostowników
  • #13 18788981
    jangalewski
    Poziom 10  
    aksakal napisał:
    Szukam schematu PROSTOWNIK SELENOWY BMZ-12/4 Bielawskiej fabryki prostowników Szukam schematu PROSTOWNIK SELENOWY BMZ-12/4 Bielawskiej fabryki prostowników Schemat Radzieckiego prostownika . Szukam schematu PROSTOWNIK SELENOWY BMZ-12/4 Bielawskiej fabryki prostowników

    to jest sterowanie odczepami na wtórnym w mój posiada tylko dwa wyprowadzenia na diody sterowanie prawdopodobnie jest odczepami na pierwotnym
  • #14 18789009
    Krzysztof Kamienski
    Poziom 43  
    Ależ tu bajzel. :cry: Transformator nawinięty ,,do góry nogami"?.Wyprowadzenie pierwotnego uzwojenia i wtornego w jednym otworze karkasu, czyli ,,Zestaw Prostownikowy Bezpieczny" :cry: Zidentyfikuj uzwojenie pierwotne omomierzem, odczepy, bo ja tu jakieś cuda widzę, wtórne przy rdzeniu (?), a jest sporo odczepów na uzwojeniu pierwotnym, na co wskazuje średnica drutu. Tam można zamontować przełącznik obrotowy np. 7 stykowy. Usunąć płyty selenowe i rezystor drutowy. On służył do pracy buforowej tego prostownika. Zastosować krzemowy mostek gretza.
    @aksakal To jakaś ,,mutacja", lub przezwajane trafo z odczepami po stronie pierwotnej. Amperomierz oczywiście zniszczony, na co wskazuje bezpośrednie połączenie prostownika z wyjściem.
  • #15 20073785
    erykus13
    Poziom 5  
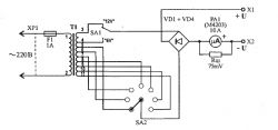
    Jeśli jeszcze kogoś interesuje, tu jest schemat prostownika BMZ. Zdjęcie zrobione na oryginalnym prostowniki. Szukam schematu PROSTOWNIK SELENOWY BMZ-12/4 Bielawskiej fabryki prostowników

Podsumowanie tematu

Użytkownik poszukuje schematu prostownika selenowego BMZ-12/4 z Bielawskiej fabryki prostowników, szczególnie interesując się podłączeniem 7-pozycyjnego przełącznika obrotowego. W dyskusji poruszono kwestie dotyczące odczepów transformatora oraz regulacji napięcia 6V i 12V. Użytkownicy sugerują, że prostownik może być prostą konstrukcją, a brak odczepów wtórnych wymusza inne metody regulacji. Pojawiły się również propozycje odtworzenia schematu na podstawie innych urządzeń oraz linki do zdjęć schematów radzieckich prostowników. Wskazano na możliwość zastosowania mostka krzemowego oraz na problemy z identyfikacją uzwojeń transformatora.
Podsumowanie wygenerowane przez model językowy.
REKLAMA