logo elektroda
logo elektroda
X
logo elektroda
REKLAMA
REKLAMA
Adblock/uBlockOrigin/AdGuard mogą powodować znikanie niektórych postów z powodu nowej reguły.

Jak zbudować regulator obrotów? Szukam opisu schematu.

rudy68 30 Cze 2020 12:13 423 6
REKLAMA
  • REKLAMA
  • REKLAMA
  • Pomocny post
    #3 18792339
    AdamC
    Poziom 29  
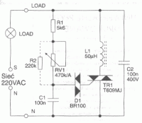
    Jeżeli regulacja fazowa to prostszy układ na obrazku, zamiast żarówki silnik.
    Do układu podanego przez ciebie trzeba sobie napisać program lub uśmiechnąć się do autora projektu w celu udostępnienia programu.
  • REKLAMA
  • #4 18792493
    gumisie
    Poziom 43  
    @rudy68 Podaj link do strony z tym schematem.
  • REKLAMA
  • #5 18792718
    FastProject
    Poziom 28  
    To na pewno regulator fazowy. Ma detektor zera sieci na tranzystorze. Zasilanie z zasilacza beztransformatorowego, więc niezbyt bezpieczne rozwiązanie. Jak chcesz regulator fazowy to poczytaj np o układzie U2008B, który ma dodatkowo soft start.
  • #6 18792862
    AdamC
    Poziom 29  
    FastProject napisał:
    Ma detektor zera sieci na tranzystorze.

    A to nie przesądza, może być grupowy włączany w 0 sieci.
  • #7 18792893
    FastProject
    Poziom 28  
    AdamC napisał:
    FastProject napisał:
    Ma detektor zera sieci na tranzystorze.

    A to nie przesądza, może być grupowy włączany w 0 sieci.


    Dla grupowego nie było by sensu stosować MOC3021. Wtedy lepiej MOC3041. Także możemy sobie teoretyzować ile wlezie, ale to też nie wiadomo czym twórca schematu sterował, oraz obrotami czego autor postu chce sterować.
REKLAMA