logo elektroda
logo elektroda
X
logo elektroda
REKLAMA
REKLAMA
Adblock/uBlockOrigin/AdGuard mogą powodować znikanie niektórych postów z powodu nowej reguły.

Audi A4 B7 2.0TDI 2006 - Lokalizacja bezpiecznika klapy kolektora dolotowego

pawcio21012 01 Sie 2020 10:57 3147 2
REKLAMA
  • #1 18848597
    pawcio21012
    Poziom 4  
    Gdzie jest bezpiecznik klapy kolektora dolotowego? Dokładne miejsce. Proszę o pomoc.
  • REKLAMA
  • #2 18850968
    grzechu40
    Poziom 21  
    W komorze silnika ten od klimatyzacji chyba 10A.
  • #3 18851485
    ITKIM
    Poziom 15  
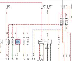
    Audi A4 B7 2.0TDI 2006 - Lokalizacja bezpiecznika klapy kolektora dolotowego Audi A4 B7 2.0TDI 2006 - Lokalizacja bezpiecznika klapy kolektora dolotowego
REKLAMA