logo elektroda
logo elektroda
X
logo elektroda
REKLAMA
REKLAMA
Adblock/uBlockOrigin/AdGuard mogą powodować znikanie niektórych postów z powodu nowej reguły.

Scenic 3 - Nie działa 2 bieg wentylatora chłodnicy.

sly_1978 03 Sie 2020 08:40 1314 5
REKLAMA
  • #1 18851352
    sly_1978
    Poziom 20  
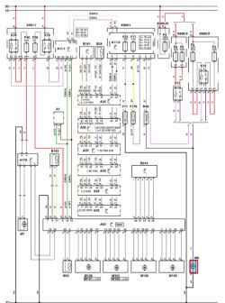
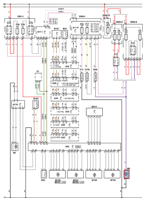
    Witam. Scenic 3 nie załącza siie 2 bieg wentylatora chłodnicy. Aktywacja testerem nie wysterowuje również. Rezystor sprawdzony. Ktoś nakieruje ?
  • REKLAMA
  • #2 18851469
    ITKIM
    Poziom 15  
    Podaj więcej parametrów auta. Rocznik, silnik, jaka klima?
  • REKLAMA
  • #3 18851732
    sly_1978
    Poziom 20  
    ITKIM napisał:
    Podaj więcej parametrów auta. Rocznik, silnik, jaka klima?


    2011 rok 1.5 dci, climatronic, spreżarka z zaworem proporcjonalnym.
  • REKLAMA
  • REKLAMA
  • #5 19701661
    r_tomi
    Poziom 11  
    sly_1978 napisał:
    ITKIM napisał:
    Podaj więcej parametrów auta. Rocznik, silnik, jaka klima?


    2011 rok 1.5 dci, climatronic, spreżarka z zaworem proporcjonalnym.


    Dzień dobry,
    Co było przyczyną?

    Pozdrawiam,
    Tomek
  • #6 19702104
    sly_1978
    Poziom 20  
    Auto było po strzale i jakiś dureń zamienił wtyczki wentylatora z rezystorem.
REKLAMA