Pytanie: Czy są dostępne urządzenia zabezpieczające przed przepięciem i zapadem napięcia, zwłaszcza do zastosowań motoryzacyjnych?
Odpowiedź: Oczywiście, dostępne są nawet specjalne kontrolery ścieżki zasilania, które chronią Twój system w samochodzie. W poniższym artykule przyjrzymy się bliżej tego rodzaju układom oraz temu, jakim wymaganiom muszą sprostać.
Wprowadzenie
Rozruch zapłonu podczas startu samochodu czy i zrzuty dużej ilości energii do instalacji elektrycznej podczas wyłączania silnika są częstymi źródłami przejściowych stanów napięcia w instalacji samochodowej. Stany te dzieli się na podnapięciowe (UV) i przepięciowe (OV); mogą mieć znaczną wielkość i uszkadzać obwody, które nie są zaprojektowane do pracy w tych ekstremach. Specjalistyczne urządzenia zabezpieczające przed zdarzeniami UV i OV zostały opracowane w celu odizolowania wrażliwej elektroniki od przejściowych stanów zasilania.
LTC4368 jest przykładem takiego specjalistycznego urządzenia chroniącego przed UV i OV w instalacji elektrycznej. Wykorzystuje on komparator okienkowy do monitorowania zasilania wejściowego. Napięcie zasilania jest monitorowane poprzez rezystancyjną sieć dzielników napięcia, podłączoną do pinów monitora UV i OV. Wyjście komparatora okienkowego steruje bramkami dwóch tranzystorów MOSFET z kanałem typu N, które kontrolują połączenie między zasilaniem a obciążeniem.
Komparator okienkowy LTC4368 został zaprojektowany z histerezą o wielkości 25 mV na pinach monitora, aby poprawić odporność na zakłócenia. Histereza może zapobiec fałszywemu włączaniu lub wyłączaniu MOSFETa z powodu np. tętnienia lub innych oscylacji o wysokiej częstotliwości w linii zasilającej. Histereza 25 mV w LTC4368 odpowiada 5% wielkości progów pinów monitora i jest wspólna dla zabezpieczeń UV jak i OV.
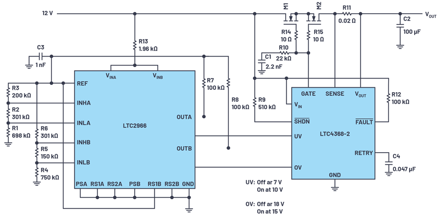
Dla własnego bezpieczeństwa lub w celu zmniejszenia obciążenia linii zapłonu, niektóre obwody akcesoriów samochodowych muszą być odłączone od linii zasilającej podczas uruchamiania lub wyłączania pojazdu. Ze względu na duże amplitudy stanów przejściowych obwody te mogą wymagać większej histerezy niż sam LTC4368. W takich zastosowaniach zwiększone wymaganie histerezy można spełnić, dopasowując LTC4368 do monitora zasilania z regulowaną histerezą, takiego jak LTC2966. Rysunek 1 jest przykładem zabezpieczenia obwodu samochodowego o szerokim zakresie napięcia. W tym obwodzie LTC2966 pełni rolę komparatora okienkowego, a LTC4368 jest odpowiedzialny za podłączenie obciążenia do zasilania.
Samochodowy monitor UV/OV i nadprądowy z zabezpieczeniem obwodu
Rozwiązanie przedstawione na rysunku 1 chroni elektronikę wrażliwą na stany przejściowe – zapady napięcia, przepięcia i przetężenia występujące w zasilaniu samochodowym.
LTC2966 monitoruje zarówno napięcie wsteczne, jak i za niskie lub za wysokie napięcie. Progi monitorowania i poziomy histerezy konfigurowane są przez sieci rezystorów na pinach INH i INL oraz napięcia na pinach RS1 i RS2. OUTA to wyjście komparatora okienkowego UV, a OUTB to wyjście komparatora okienkowego OV. Polaryzację tych wyjść można wybrać jako odwróconą lub normalną w stosunku do wejść za pomocą pinów PSA i PSB. Na rysunku 1 skonfigurowano je jako nieodwracające. Wyjścia OUTA i OUTB z LTC2966 są podłączone do pinu REF LTC2966 i są podawane bezpośrednio do pinów UV i OV LTC4368.
LTC4368 zapewnia ochronę przed prądem wstecznym i przetężeniem. Rozmiar rezystora wykrywającego prąd, R11, określa dopuszczalne poziomy prądu wstecznego i przetężenia. LTC4368 decyduje, czy obciążenie powinno być podłączone do zasilania na podstawie stanu jego komparatorów nadprądowych, a także informacji monitorujących z LTC2966. Piny UV, OV i SENSE (nadprądowe) biorą udział w procesie podejmowania decyzji. Jeśli warunki te są spełnione dla wszystkich trzech pinów, styk GATE zostanie podciągnięty powyżej napięcia VOUT, a obciążenie zostanie podłączone do zasilania przez podwójny MOSFET z kanałem N w torze zasilania. Jeśli którykolwiek z trzech pinów ma nieodpowiedni poziom napięcia, pin GATE ściągany jest poniżej VOUT i obciążenie zostaje odłączone od zasilania.
Aplikacje samochodowe zasilane bezpośrednio z akumulatora są narażone na duże wahania napięcia podczas uruchamiania i zatrzymywania silnika. W tym rozwiązaniu ochronnym progi monitorowania napięcia są oparte na nominalnych napięciach roboczych i oczekiwanych podczas rozruchu pojazdu lub sytuacji zrzutu energii do instalacji, zapewniając jednocześnie ochronę dalszej elektroniki.
Stany nieustalone podczas rozruchu są generowane, gdy zapłon samochodu jest zasilany w celu uruchomienia pojazdu. W tej aplikacji kanał A LTC2966 jest skonfigurowany do wykrywania stanu przejściowego rozruchu. Stany nieustalone podczas zrzutu energii generowane są, gdy silnik jest wyłączany. Skoki napięcia o wysokiej amplitudzie pojawiają się na szynie akumulatora, gdy przepływ prądu zostaje nagle zatrzymany w samochodowej wiązce przewodów. W tej aplikacji kanał B LTC2966 jest skonfigurowany do wykrywania stanu przejściowego zrzutu energii przy zatrzymaniu silnika.
Rysunek 2 pokazuje napięcia wejściowe w czasie pracy. Rozruch silnika (kanał A) jest wykrywany tak, że aktywuje go napięcie spadające poniżej 7 V, a ponownie aktywuje napięcie powyżej 10 V. Z kolei drugie zabezpieczenie (kanał B) dedykowane do zdarzenia związanego z wykrywaniem zatrzymania silnika, skonfigurowano do aktywacji w momencie, gdy napięcie przekroczy 18 V, a do dezaktywacji w momencie gdy spadnie ono poniżej 15 V. Napięcia te wynikają bezpośrednio z krzywej rozruchu u zatrzymania pojazdy, definiowanej m.in. w normach. Jeśli jest to wymagane, możliwe jest dobranie innych zakresów napięć. Napięcia te łatwo konfiguruje się zmieniając wartości rezystancji elementów dzielnika napięciowego na liniach INH oraz INL układu LTC2966.
Konfiguracja
Rysunek 3 pokazuje, w jaki sposób w tej aplikacji wyliczono wartości elementów do dzielnika napięcia, który konfiguruje progi napięć zadziałania systemu. Pin REF układu LTC2966 dostarcza napięcie odniesienia równe 2.404 V.
Rysunek 4 przedstawia konfigurację zakresu i polaryzacji wyjścia dla obwodu. Wybór zakresu dla każdego kanału jest oparty na zakresie napięcia konkretnego kanału, który ma monitorować. Zakres jest konfigurowany przez piny RS1A/B oraz RS2A/B. Polaryzacja pinów wyjściowych LTC2966, niezależnie od tego, czy podciągane są wysoko czy nisko, jest określana przez ustawienie pinów PSA i PSB. W tej aplikacji styki wejściowe LTC4368 określały polaryzację styków wyjściowych LTC2966. Aby obciążenie było podłączone do zasilania, pin UV musi być większy niż 0,5 V, a pin OV musi być mniejszy niż 0,5 V.
Ochrona przed odwróceniem napięcia
W rozwiązaniu przedstawionym na rysunku 1 zarówno LTC2966, jak i LTC4368 są chronione przed napięciem wstecznym: LTC4368 ma wbudowane zabezpieczenie przed odwrotnym zasilaniem do -40 V, podczas gdy LTC2966 wymaga dobrania odpowiedniego komponentu.
Rysunek 5 przedstawia dwa możliwe schematy ochrony przed napięciem odwrotnym dla LTC2966 - rozwiązanie rezystorowe i diodowe. Wybór między nimi zależy od zastosowania. W rozwiązaniu z diodą jest ona aktywna tylko podczas normalnej pracy obwodu (czyli dla napięcia dodatniego). Prąd zasilania dla LTC2966 wynosi kilkadziesiąt mikroamperów, co oznacza, że dioda małej mocy jest wystarczająca i zapewnia niewielkie rozwiązanie na PCB. Podczas wystąpienia napięcia wstecznego na linii zasilania dioda blokuje przepływ prądu z pinów zasilających LTC2966. Wybór diody jest kierowany jej napięciem przebicia. Aby dopasować się do LTC4368, należy wybrać diodę o napięciu przebicia nie niższym niż 40 V. Z drugiej strony, konsekwencje tego rozwiązania są takie, że spadek napięcia na diodzie może negatywnie wpływać na próg blokady podnapięciowej i dokładność progu monitorowania napięcia. W rozwiązaniu rezystorowym, rezystor jest wystarczająco duży, aby bezpiecznie ograniczyć prąd pobierany z linii zasilających LTC2966 podczas wystąpienia napięcia wstecznego. Przemyślane dobranie rezystora zapewnia minimalny wpływ na dokładność blokady podnapięciowej i progów monitorowania napięcia. Właściwy dobór rozmiaru tego elementu zapewnia również bezpieczne rozpraszanie mocy na rezystorze.
W tym zastosowaniu monitorowane napięcia są na tyle niskie, że napięcie przewodzenia diody połączone szeregowo z wejściem znacząco pogarsza dokładność progów monitorowania napięcia. Stosując rozwiązanie rezystorowe, wybrano w przykładowej aplikacji rezystor ograniczający prąd o wartości 1,96 kΩ, aby chronić LTC2966 przed skutkami napięcia ujemnego. Rezystor jest tak dobrany, aby ograniczał prąd wychodzący z pinów wejściowych do bezpiecznego poziomu 20 mA, jeśli napięcie wejściowe zostanie obniżone do -40 V. Rezystor o niskiej wartości powoduje tylko kilka miliwoltowy spadek, więc wpływ rezystora na dokładność progową jest nieistotny.
Ochrona przed przetężeniem i prądem rozruchowym
LTC4368 jest odpowiedzialny za ochronę przed przetężeniem i prądem rozruchowym aplikacji. Rysunek 6 przedstawia odpowiedzialne za to komponenty. Komparatory wewnątrz LTC4368 monitorują spadek napięcia na rezystorze czujnika prądu R11. W kierunku przewodzenia, od VIN do VOUT, komparator nadprądowy wyłączy się, gdy napięcie SENSE do VOUT przekroczy 50 mV. W kierunku zaporowym, VOUT do VIN, komparator nadprądowy wyłączy się, gdy napięcie SENSE do VOUT przekroczy –3 mV. Ta aplikacja wykorzystuje rezystor pomiarowy o wartości 20 mΩ, który konfiguruje limity prądu na +2,5 A i –150 mA.
Ograniczenie prądu rozruchowego pozwala na włączenie aplikacji bez uruchomienia zabezpieczenia nadprądowego w kierunku przewodzenia. R10 i C1 to elementy ograniczające prąd rozruchowy. W tym zastosowaniu prąd rozruchowy jest ograniczony do 1 A, znacznie poniżej granicy prądu przewodzenia wynoszącej 2,5 A. Wybór C1 jest oparty na pożądanym ograniczeniu prądu rozruchowego i wielkości C2. R10 zapobiega spowolnieniu przez C1 zabezpieczenia przed odwrotną polaryzacją, stabilizuje szybkie obwody obniżające i zapobiega oscylacjom podczas stanu zwarcia.
C4 to kondensator, który ustawia opóźnienie ponownej próby załączenia zasilania (resetu zabezpieczenia) po dodatnim przetężeniu. Opóźnienie ponowienia to czas, przez który bramka MOSFET jest utrzymywana na niskim poziomie po wykryciu zdarzenia przetężenia. W tej aplikacji opóźnienie ponowienia wynosi 250 ms. Rezystory 10Ω - R14 i R15 - są dodawane do bramek MOSFETa, aby zapobiec oscylacjom obwodu spowodowanym przez pasożytnicze elementy z PCB.
Demonstracja funkcjonalności
Rozruch pojazdu
Charakterystyka laboratoryjna prototypu została przeprowadzona, a wyniki przedstawiono na rysunku 7. Przed aktywacją zapłonu VIN jest większy niż próg monitora 10 V skonfigurowany dla kanału A. Pin UV LTC4368-2 jest podciągnięty powyżej progu 500 mV przez pin OUTA LTC2966, umożliwiając aktywację ścieżki zasilania i VOUT = VIN.
Podczas rozruchu magistrala 12 V jest obniżana do 6 V. Próg monitorowania napięcia spadającego - 7 V - zostaje przekroczony i OUTA natychmiast wyłącza pin UV LTC4368-2. LTC4368-2 reaguje na to, ściągając styk GATE do stanu niskiego, co powoduje odłączenie elementu przełączającego i spadek napięcia VOUT do 0 V. Histereza 3 V zaprogramowana przez dzielnik rezystancyjny monitora napięcia pozwala LTC2966 ignorować tętnienia na magistrali podczas kręcenie rozrusznika. W rezultacie element przełączający pozostaje wyłączony do zakończenia cyklu rozruchu. Po zakończeniu cyklu rozruchu napięcie akumulatora wraca do wartości nominalnej, która jest większa niż próg 10 V. Pin OUTA podciąga pin UV LTC4368-2 w górę, do zasilania, a element przełączający jest ponownie załączany.
Rysunek 8 przedstawia zachowanie podczas przywracania zasilania po rozruchu. Pokazuje wewnętrzny licznik czasu powrotu LTC4368-2 (typowo 36 ms), odliczający czas przed ponownym zasileniem elementu przełączającego. Należy również zauważyć, że po ponownym zasileniu elementu przełączającego VIN jest chwilowo obniżany. Wynika to z ładowania pojemności obciążenia obwodu i indukcyjności szeregowej wejścia. Wskazuje to na potrzebę stosowania szerokiej histerezy progowej monitorowania napięcia. Stan przejściowy wynikający z ładowania pojemności obciążenia jest ignorowany przez LTC2966.
Zdarzenie zrzutu ładunku
Rysunek 9 przedstawia zachowanie obwodu podczas zrzutu energii do zasilania. Przed dezaktywacją zapłonu VIN ma wartość nominalną. Ścieżka zasilania jest aktywna i VOUT = VIN. Podczas zdarzenia zrzutu napięcie akumulatora wzrasta nawet do 100 V. Próg monitorowania wzrostu napięcia 18 V zostaje przekroczony i pin OUTB LTC4368-2 natychmiast spada do 0 V. LTC4368-2 reaguje na to, ściągając bramkę MOSFETów do niskiego poziomu, co rozwiera ścieżkę zasilania i VOUT spada do 0 V. Element przełączający pozostaje otwarty, dopóki napięcie nie spadnie do mniej niż 15 V. Po przekroczeniu progu 15 V i po odpowiednim czasie, odmierzonym przez wewnętrzni licznik, zasilanie zostaje przywrócone.
Ochrona przed odwróceniem napięcia
Rysunek 10 przedstawia rezystor 1,96 kΩ ograniczający prąd na wyjściu styków zasilania LTC2966 podczas wystąpienia odwrotnego napięcia. Napięcie wejściowe aplikacji zostało zredukowane z 0 V do –40 V. Prąd na wyjściu z pinów VINA i VINB jest ograniczony do 20 mA, a napięcie na pinach VINA i VINB jest utrzymywane na poziomie kilkuset miliwoltów poniżej masy. LTC2966 bezpiecznie przeżywa to zdarzenie.
Rys. 11 Ograniczenie prądu rozruchowego.
Rys.12. Aktywacja zabezpieczenia
nadprądowego i opóźnione ponowienie.Zabezpieczenia nadprądowe w kierunku przewodzenia
Rysunek 11 przedstawia ograniczenie prądu rozruchowego wyznaczone przez R10 i C1. Zgodnie z oczekiwaniami, prąd rozruchowy jest ograniczony do 1 A, a VOUT podciągane do 12 V bez wyzwalania ograniczenia nadprądowego.
Rysunek 12 pokazuje, w jaki sposób LTC4368 odpowiada na przetężenie w kierunku przewodzenia. Dodatnie przetężenie uruchamia komparator w układzie, gdy napięcie pomiędzy liniami SENSE oraz VOUT przekroczy 50 mV. Opornik pomiarowy, który się tam znajduje, ma rezystancję 20 mΩ, co przekłada się na ograniczenie prądu do 2.5 A.
W tym przykładzie prąd podnoszony jest tak długo, aż wyzwolone zostanie zabezpieczenie nadprądowe. Zgodnie z oczekiwaniami, zabezpieczenie aktywuje się przy prądzie równym 2,5 A. LTC4368 odcina obciążenie od zasilania i prąd spada do zera. Po tym, gdy minie czas ustalany przez timer wbudowany w LTC4368 układ podłącza ponownie obciążenie. Jeśli przetężenie już nie występuje, to obciążenie pozostaje podłączone. W innym przypadku sytuacja ponawia się. Opóźnienie przed ponownym podłączeniem może być sterowane pinem RETRY pomocą kondensatora. Jeśli nie chcemy, by układ ponawiał podłączenie obciążenia, wystarczy pin RETRY dołączyć do masy. W tym układzie czas ponowienia ustawiono na 250 ms. Dokładny sposób ustawiania tego czasu zawarto w karcie katalogowej układu LTC4368.
Odwrotne zabezpieczenie nadprądowe
Rysunek 13 przedstawia odpowiedź LTC4368 na stan przejściowy przetężenia wstecznego. Odwrotny komparator nadprądowy wykrywa napięcie między pinami VOUT i SENSE. Próg napięcia dla potwierdzenia wstecznego przetężenia zależy od wersji. LTC4368-1 będzie działać przy 50 mV, a LTC4368-2 przy 3 mV. Ta aplikacja została zaprojektowana z wykorzystaniem LTC4368-2. Rezystor pomiarowy prądu R11 ma rezystancję 20 mΩ. Powoduje to ustawienie limitu przetężenia wstecznego na 150 mA.
W tym przykładzie, gdy zasilanie dostarcza 100 mA do obciążenia, do VOUT wprowadzany jest skok napięcia takz że VOUT jest większe niż VIN. Wraz ze wzrostem VOUT zmniejsza się ILOAD. Krok napięcia jest wystarczająco duży, aby wymusić przepływ prądu od obciążenia do źródła zasilania. Trwa to tak długo, aż prąd wsteczny osiągnie 150 mA i zadziała komparator nadprądowy przetężenia wstecznego. Kiedy zadziała, pin GATE jest ściągany w dół. Powoduje to odcięcie obciążenia od zasilania i zapobiega dalszemu przesyłaniu prądu z obciążenia w kierunku zasilania. LTC4368 będzie ściągał bramki nisko, aż wykryje, że VOUT spadnie o 100 mV poniżej VIN.
Podsumowanie
Aplikacja motoryzacyjna opisana w tym artykule pokazuje, że stosowanie specjalistycznych urządzeń zabezpieczających może uprościć implementację obwodów zabezpieczających w samochodach. Przy minimalnej liczbie dodatkowych obwodów, LTC2966 i LTC4368-2 zostały połączone, aby zapewnić dokładną, niezawodną i wszechstronną ochronę przeciwprzepięciową. Elastyczność tych urządzeń pozwala na ich konfigurację do wykorzystania w wielu zastosowaniach.
Źródło: https://www.analog.com/en/analog-dialogue/raqs/raq-issue-178.html
Odpowiedź: Oczywiście, dostępne są nawet specjalne kontrolery ścieżki zasilania, które chronią Twój system w samochodzie. W poniższym artykule przyjrzymy się bliżej tego rodzaju układom oraz temu, jakim wymaganiom muszą sprostać.
Wprowadzenie
Rozruch zapłonu podczas startu samochodu czy i zrzuty dużej ilości energii do instalacji elektrycznej podczas wyłączania silnika są częstymi źródłami przejściowych stanów napięcia w instalacji samochodowej. Stany te dzieli się na podnapięciowe (UV) i przepięciowe (OV); mogą mieć znaczną wielkość i uszkadzać obwody, które nie są zaprojektowane do pracy w tych ekstremach. Specjalistyczne urządzenia zabezpieczające przed zdarzeniami UV i OV zostały opracowane w celu odizolowania wrażliwej elektroniki od przejściowych stanów zasilania.
LTC4368 jest przykładem takiego specjalistycznego urządzenia chroniącego przed UV i OV w instalacji elektrycznej. Wykorzystuje on komparator okienkowy do monitorowania zasilania wejściowego. Napięcie zasilania jest monitorowane poprzez rezystancyjną sieć dzielników napięcia, podłączoną do pinów monitora UV i OV. Wyjście komparatora okienkowego steruje bramkami dwóch tranzystorów MOSFET z kanałem typu N, które kontrolują połączenie między zasilaniem a obciążeniem.
Komparator okienkowy LTC4368 został zaprojektowany z histerezą o wielkości 25 mV na pinach monitora, aby poprawić odporność na zakłócenia. Histereza może zapobiec fałszywemu włączaniu lub wyłączaniu MOSFETa z powodu np. tętnienia lub innych oscylacji o wysokiej częstotliwości w linii zasilającej. Histereza 25 mV w LTC4368 odpowiada 5% wielkości progów pinów monitora i jest wspólna dla zabezpieczeń UV jak i OV.
Dla własnego bezpieczeństwa lub w celu zmniejszenia obciążenia linii zapłonu, niektóre obwody akcesoriów samochodowych muszą być odłączone od linii zasilającej podczas uruchamiania lub wyłączania pojazdu. Ze względu na duże amplitudy stanów przejściowych obwody te mogą wymagać większej histerezy niż sam LTC4368. W takich zastosowaniach zwiększone wymaganie histerezy można spełnić, dopasowując LTC4368 do monitora zasilania z regulowaną histerezą, takiego jak LTC2966. Rysunek 1 jest przykładem zabezpieczenia obwodu samochodowego o szerokim zakresie napięcia. W tym obwodzie LTC2966 pełni rolę komparatora okienkowego, a LTC4368 jest odpowiedzialny za podłączenie obciążenia do zasilania.
Samochodowy monitor UV/OV i nadprądowy z zabezpieczeniem obwodu
Rozwiązanie przedstawione na rysunku 1 chroni elektronikę wrażliwą na stany przejściowe – zapady napięcia, przepięcia i przetężenia występujące w zasilaniu samochodowym.
LTC2966 monitoruje zarówno napięcie wsteczne, jak i za niskie lub za wysokie napięcie. Progi monitorowania i poziomy histerezy konfigurowane są przez sieci rezystorów na pinach INH i INL oraz napięcia na pinach RS1 i RS2. OUTA to wyjście komparatora okienkowego UV, a OUTB to wyjście komparatora okienkowego OV. Polaryzację tych wyjść można wybrać jako odwróconą lub normalną w stosunku do wejść za pomocą pinów PSA i PSB. Na rysunku 1 skonfigurowano je jako nieodwracające. Wyjścia OUTA i OUTB z LTC2966 są podłączone do pinu REF LTC2966 i są podawane bezpośrednio do pinów UV i OV LTC4368.
LTC4368 zapewnia ochronę przed prądem wstecznym i przetężeniem. Rozmiar rezystora wykrywającego prąd, R11, określa dopuszczalne poziomy prądu wstecznego i przetężenia. LTC4368 decyduje, czy obciążenie powinno być podłączone do zasilania na podstawie stanu jego komparatorów nadprądowych, a także informacji monitorujących z LTC2966. Piny UV, OV i SENSE (nadprądowe) biorą udział w procesie podejmowania decyzji. Jeśli warunki te są spełnione dla wszystkich trzech pinów, styk GATE zostanie podciągnięty powyżej napięcia VOUT, a obciążenie zostanie podłączone do zasilania przez podwójny MOSFET z kanałem N w torze zasilania. Jeśli którykolwiek z trzech pinów ma nieodpowiedni poziom napięcia, pin GATE ściągany jest poniżej VOUT i obciążenie zostaje odłączone od zasilania.
Aplikacje samochodowe zasilane bezpośrednio z akumulatora są narażone na duże wahania napięcia podczas uruchamiania i zatrzymywania silnika. W tym rozwiązaniu ochronnym progi monitorowania napięcia są oparte na nominalnych napięciach roboczych i oczekiwanych podczas rozruchu pojazdu lub sytuacji zrzutu energii do instalacji, zapewniając jednocześnie ochronę dalszej elektroniki.
Stany nieustalone podczas rozruchu są generowane, gdy zapłon samochodu jest zasilany w celu uruchomienia pojazdu. W tej aplikacji kanał A LTC2966 jest skonfigurowany do wykrywania stanu przejściowego rozruchu. Stany nieustalone podczas zrzutu energii generowane są, gdy silnik jest wyłączany. Skoki napięcia o wysokiej amplitudzie pojawiają się na szynie akumulatora, gdy przepływ prądu zostaje nagle zatrzymany w samochodowej wiązce przewodów. W tej aplikacji kanał B LTC2966 jest skonfigurowany do wykrywania stanu przejściowego zrzutu energii przy zatrzymaniu silnika.
Rysunek 2 pokazuje napięcia wejściowe w czasie pracy. Rozruch silnika (kanał A) jest wykrywany tak, że aktywuje go napięcie spadające poniżej 7 V, a ponownie aktywuje napięcie powyżej 10 V. Z kolei drugie zabezpieczenie (kanał B) dedykowane do zdarzenia związanego z wykrywaniem zatrzymania silnika, skonfigurowano do aktywacji w momencie, gdy napięcie przekroczy 18 V, a do dezaktywacji w momencie gdy spadnie ono poniżej 15 V. Napięcia te wynikają bezpośrednio z krzywej rozruchu u zatrzymania pojazdy, definiowanej m.in. w normach. Jeśli jest to wymagane, możliwe jest dobranie innych zakresów napięć. Napięcia te łatwo konfiguruje się zmieniając wartości rezystancji elementów dzielnika napięciowego na liniach INH oraz INL układu LTC2966.
Konfiguracja
Rysunek 3 pokazuje, w jaki sposób w tej aplikacji wyliczono wartości elementów do dzielnika napięcia, który konfiguruje progi napięć zadziałania systemu. Pin REF układu LTC2966 dostarcza napięcie odniesienia równe 2.404 V.
Rysunek 4 przedstawia konfigurację zakresu i polaryzacji wyjścia dla obwodu. Wybór zakresu dla każdego kanału jest oparty na zakresie napięcia konkretnego kanału, który ma monitorować. Zakres jest konfigurowany przez piny RS1A/B oraz RS2A/B. Polaryzacja pinów wyjściowych LTC2966, niezależnie od tego, czy podciągane są wysoko czy nisko, jest określana przez ustawienie pinów PSA i PSB. W tej aplikacji styki wejściowe LTC4368 określały polaryzację styków wyjściowych LTC2966. Aby obciążenie było podłączone do zasilania, pin UV musi być większy niż 0,5 V, a pin OV musi być mniejszy niż 0,5 V.
Ochrona przed odwróceniem napięcia
W rozwiązaniu przedstawionym na rysunku 1 zarówno LTC2966, jak i LTC4368 są chronione przed napięciem wstecznym: LTC4368 ma wbudowane zabezpieczenie przed odwrotnym zasilaniem do -40 V, podczas gdy LTC2966 wymaga dobrania odpowiedniego komponentu.
Rysunek 5 przedstawia dwa możliwe schematy ochrony przed napięciem odwrotnym dla LTC2966 - rozwiązanie rezystorowe i diodowe. Wybór między nimi zależy od zastosowania. W rozwiązaniu z diodą jest ona aktywna tylko podczas normalnej pracy obwodu (czyli dla napięcia dodatniego). Prąd zasilania dla LTC2966 wynosi kilkadziesiąt mikroamperów, co oznacza, że dioda małej mocy jest wystarczająca i zapewnia niewielkie rozwiązanie na PCB. Podczas wystąpienia napięcia wstecznego na linii zasilania dioda blokuje przepływ prądu z pinów zasilających LTC2966. Wybór diody jest kierowany jej napięciem przebicia. Aby dopasować się do LTC4368, należy wybrać diodę o napięciu przebicia nie niższym niż 40 V. Z drugiej strony, konsekwencje tego rozwiązania są takie, że spadek napięcia na diodzie może negatywnie wpływać na próg blokady podnapięciowej i dokładność progu monitorowania napięcia. W rozwiązaniu rezystorowym, rezystor jest wystarczająco duży, aby bezpiecznie ograniczyć prąd pobierany z linii zasilających LTC2966 podczas wystąpienia napięcia wstecznego. Przemyślane dobranie rezystora zapewnia minimalny wpływ na dokładność blokady podnapięciowej i progów monitorowania napięcia. Właściwy dobór rozmiaru tego elementu zapewnia również bezpieczne rozpraszanie mocy na rezystorze.
W tym zastosowaniu monitorowane napięcia są na tyle niskie, że napięcie przewodzenia diody połączone szeregowo z wejściem znacząco pogarsza dokładność progów monitorowania napięcia. Stosując rozwiązanie rezystorowe, wybrano w przykładowej aplikacji rezystor ograniczający prąd o wartości 1,96 kΩ, aby chronić LTC2966 przed skutkami napięcia ujemnego. Rezystor jest tak dobrany, aby ograniczał prąd wychodzący z pinów wejściowych do bezpiecznego poziomu 20 mA, jeśli napięcie wejściowe zostanie obniżone do -40 V. Rezystor o niskiej wartości powoduje tylko kilka miliwoltowy spadek, więc wpływ rezystora na dokładność progową jest nieistotny.
Ochrona przed przetężeniem i prądem rozruchowym
LTC4368 jest odpowiedzialny za ochronę przed przetężeniem i prądem rozruchowym aplikacji. Rysunek 6 przedstawia odpowiedzialne za to komponenty. Komparatory wewnątrz LTC4368 monitorują spadek napięcia na rezystorze czujnika prądu R11. W kierunku przewodzenia, od VIN do VOUT, komparator nadprądowy wyłączy się, gdy napięcie SENSE do VOUT przekroczy 50 mV. W kierunku zaporowym, VOUT do VIN, komparator nadprądowy wyłączy się, gdy napięcie SENSE do VOUT przekroczy –3 mV. Ta aplikacja wykorzystuje rezystor pomiarowy o wartości 20 mΩ, który konfiguruje limity prądu na +2,5 A i –150 mA.
Ograniczenie prądu rozruchowego pozwala na włączenie aplikacji bez uruchomienia zabezpieczenia nadprądowego w kierunku przewodzenia. R10 i C1 to elementy ograniczające prąd rozruchowy. W tym zastosowaniu prąd rozruchowy jest ograniczony do 1 A, znacznie poniżej granicy prądu przewodzenia wynoszącej 2,5 A. Wybór C1 jest oparty na pożądanym ograniczeniu prądu rozruchowego i wielkości C2. R10 zapobiega spowolnieniu przez C1 zabezpieczenia przed odwrotną polaryzacją, stabilizuje szybkie obwody obniżające i zapobiega oscylacjom podczas stanu zwarcia.
C4 to kondensator, który ustawia opóźnienie ponownej próby załączenia zasilania (resetu zabezpieczenia) po dodatnim przetężeniu. Opóźnienie ponowienia to czas, przez który bramka MOSFET jest utrzymywana na niskim poziomie po wykryciu zdarzenia przetężenia. W tej aplikacji opóźnienie ponowienia wynosi 250 ms. Rezystory 10Ω - R14 i R15 - są dodawane do bramek MOSFETa, aby zapobiec oscylacjom obwodu spowodowanym przez pasożytnicze elementy z PCB.
Demonstracja funkcjonalności
Rozruch pojazdu
Charakterystyka laboratoryjna prototypu została przeprowadzona, a wyniki przedstawiono na rysunku 7. Przed aktywacją zapłonu VIN jest większy niż próg monitora 10 V skonfigurowany dla kanału A. Pin UV LTC4368-2 jest podciągnięty powyżej progu 500 mV przez pin OUTA LTC2966, umożliwiając aktywację ścieżki zasilania i VOUT = VIN.
Podczas rozruchu magistrala 12 V jest obniżana do 6 V. Próg monitorowania napięcia spadającego - 7 V - zostaje przekroczony i OUTA natychmiast wyłącza pin UV LTC4368-2. LTC4368-2 reaguje na to, ściągając styk GATE do stanu niskiego, co powoduje odłączenie elementu przełączającego i spadek napięcia VOUT do 0 V. Histereza 3 V zaprogramowana przez dzielnik rezystancyjny monitora napięcia pozwala LTC2966 ignorować tętnienia na magistrali podczas kręcenie rozrusznika. W rezultacie element przełączający pozostaje wyłączony do zakończenia cyklu rozruchu. Po zakończeniu cyklu rozruchu napięcie akumulatora wraca do wartości nominalnej, która jest większa niż próg 10 V. Pin OUTA podciąga pin UV LTC4368-2 w górę, do zasilania, a element przełączający jest ponownie załączany.
Rysunek 8 przedstawia zachowanie podczas przywracania zasilania po rozruchu. Pokazuje wewnętrzny licznik czasu powrotu LTC4368-2 (typowo 36 ms), odliczający czas przed ponownym zasileniem elementu przełączającego. Należy również zauważyć, że po ponownym zasileniu elementu przełączającego VIN jest chwilowo obniżany. Wynika to z ładowania pojemności obciążenia obwodu i indukcyjności szeregowej wejścia. Wskazuje to na potrzebę stosowania szerokiej histerezy progowej monitorowania napięcia. Stan przejściowy wynikający z ładowania pojemności obciążenia jest ignorowany przez LTC2966.
Zdarzenie zrzutu ładunku
Rysunek 9 przedstawia zachowanie obwodu podczas zrzutu energii do zasilania. Przed dezaktywacją zapłonu VIN ma wartość nominalną. Ścieżka zasilania jest aktywna i VOUT = VIN. Podczas zdarzenia zrzutu napięcie akumulatora wzrasta nawet do 100 V. Próg monitorowania wzrostu napięcia 18 V zostaje przekroczony i pin OUTB LTC4368-2 natychmiast spada do 0 V. LTC4368-2 reaguje na to, ściągając bramkę MOSFETów do niskiego poziomu, co rozwiera ścieżkę zasilania i VOUT spada do 0 V. Element przełączający pozostaje otwarty, dopóki napięcie nie spadnie do mniej niż 15 V. Po przekroczeniu progu 15 V i po odpowiednim czasie, odmierzonym przez wewnętrzni licznik, zasilanie zostaje przywrócone.
Ochrona przed odwróceniem napięcia
Rysunek 10 przedstawia rezystor 1,96 kΩ ograniczający prąd na wyjściu styków zasilania LTC2966 podczas wystąpienia odwrotnego napięcia. Napięcie wejściowe aplikacji zostało zredukowane z 0 V do –40 V. Prąd na wyjściu z pinów VINA i VINB jest ograniczony do 20 mA, a napięcie na pinach VINA i VINB jest utrzymywane na poziomie kilkuset miliwoltów poniżej masy. LTC2966 bezpiecznie przeżywa to zdarzenie.
Rys. 11 Ograniczenie prądu rozruchowego.
Rys.12. Aktywacja zabezpieczenia
nadprądowego i opóźnione ponowienie.
Rysunek 11 przedstawia ograniczenie prądu rozruchowego wyznaczone przez R10 i C1. Zgodnie z oczekiwaniami, prąd rozruchowy jest ograniczony do 1 A, a VOUT podciągane do 12 V bez wyzwalania ograniczenia nadprądowego.
Rysunek 12 pokazuje, w jaki sposób LTC4368 odpowiada na przetężenie w kierunku przewodzenia. Dodatnie przetężenie uruchamia komparator w układzie, gdy napięcie pomiędzy liniami SENSE oraz VOUT przekroczy 50 mV. Opornik pomiarowy, który się tam znajduje, ma rezystancję 20 mΩ, co przekłada się na ograniczenie prądu do 2.5 A.
W tym przykładzie prąd podnoszony jest tak długo, aż wyzwolone zostanie zabezpieczenie nadprądowe. Zgodnie z oczekiwaniami, zabezpieczenie aktywuje się przy prądzie równym 2,5 A. LTC4368 odcina obciążenie od zasilania i prąd spada do zera. Po tym, gdy minie czas ustalany przez timer wbudowany w LTC4368 układ podłącza ponownie obciążenie. Jeśli przetężenie już nie występuje, to obciążenie pozostaje podłączone. W innym przypadku sytuacja ponawia się. Opóźnienie przed ponownym podłączeniem może być sterowane pinem RETRY pomocą kondensatora. Jeśli nie chcemy, by układ ponawiał podłączenie obciążenia, wystarczy pin RETRY dołączyć do masy. W tym układzie czas ponowienia ustawiono na 250 ms. Dokładny sposób ustawiania tego czasu zawarto w karcie katalogowej układu LTC4368.
Odwrotne zabezpieczenie nadprądowe
Rysunek 13 przedstawia odpowiedź LTC4368 na stan przejściowy przetężenia wstecznego. Odwrotny komparator nadprądowy wykrywa napięcie między pinami VOUT i SENSE. Próg napięcia dla potwierdzenia wstecznego przetężenia zależy od wersji. LTC4368-1 będzie działać przy 50 mV, a LTC4368-2 przy 3 mV. Ta aplikacja została zaprojektowana z wykorzystaniem LTC4368-2. Rezystor pomiarowy prądu R11 ma rezystancję 20 mΩ. Powoduje to ustawienie limitu przetężenia wstecznego na 150 mA.
W tym przykładzie, gdy zasilanie dostarcza 100 mA do obciążenia, do VOUT wprowadzany jest skok napięcia takz że VOUT jest większe niż VIN. Wraz ze wzrostem VOUT zmniejsza się ILOAD. Krok napięcia jest wystarczająco duży, aby wymusić przepływ prądu od obciążenia do źródła zasilania. Trwa to tak długo, aż prąd wsteczny osiągnie 150 mA i zadziała komparator nadprądowy przetężenia wstecznego. Kiedy zadziała, pin GATE jest ściągany w dół. Powoduje to odcięcie obciążenia od zasilania i zapobiega dalszemu przesyłaniu prądu z obciążenia w kierunku zasilania. LTC4368 będzie ściągał bramki nisko, aż wykryje, że VOUT spadnie o 100 mV poniżej VIN.
Podsumowanie
Aplikacja motoryzacyjna opisana w tym artykule pokazuje, że stosowanie specjalistycznych urządzeń zabezpieczających może uprościć implementację obwodów zabezpieczających w samochodach. Przy minimalnej liczbie dodatkowych obwodów, LTC2966 i LTC4368-2 zostały połączone, aby zapewnić dokładną, niezawodną i wszechstronną ochronę przeciwprzepięciową. Elastyczność tych urządzeń pozwala na ich konfigurację do wykorzystania w wielu zastosowaniach.
Źródło: https://www.analog.com/en/analog-dialogue/raqs/raq-issue-178.html
Fajne? Ranking DIY
