logo elektroda
logo elektroda
X
logo elektroda
REKLAMA
REKLAMA
Adblock/uBlockOrigin/AdGuard mogą powodować znikanie niektórych postów z powodu nowej reguły.

VW Polo 1.6 16V GTI 1998 - Pinout ECU

Stefan98 18 Sie 2020 10:09 1188 4
REKLAMA
  • #1 18875860
    Stefan98
    Poziom 2  
    Poszukuję pinout ECU Magneti Marelli
    IAW 4AV.VE

    Chodzi o piny które odpowiadają za klimatyzacje .
  • REKLAMA
  • Pomocny post
    #2 18876224
    marfur30
    Poziom 26  
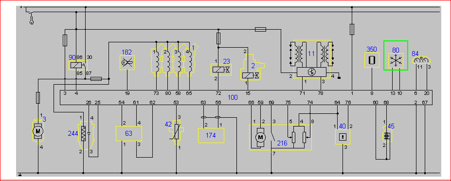
    VW Polo 1.6 16V GTI 1998 - Pinout ECU VW Polo 1.6 16V GTI 1998 - Pinout ECU


    Proszę.
  • REKLAMA
  • #3 18876626
    Stefan98
    Poziom 2  
    Dziekuje Ci bardzo.
    Mozesz mi rozwinąć do końca numer 63 ?
  • REKLAMA
  • Pomocny post
    #4 18876669
    milejow
    Poziom 43  
    Stefan98 napisał:
    Mozesz mi rozwinąć do końca numer 63 ?

    Pisze w legendzie, map sensor z czujnikiem temp powietrza zasysanego.
  • #5 18877818
    Stefan98
    Poziom 2  
    A jeszcze chciałbym się zapytać o jedną sprawę.
    Wie Pan może pod który pin mam wpiąć przewód od czujnika ciśnienia (niebieski) , a pod który przewód z sterownika wentylatora (zielony) ?
REKLAMA