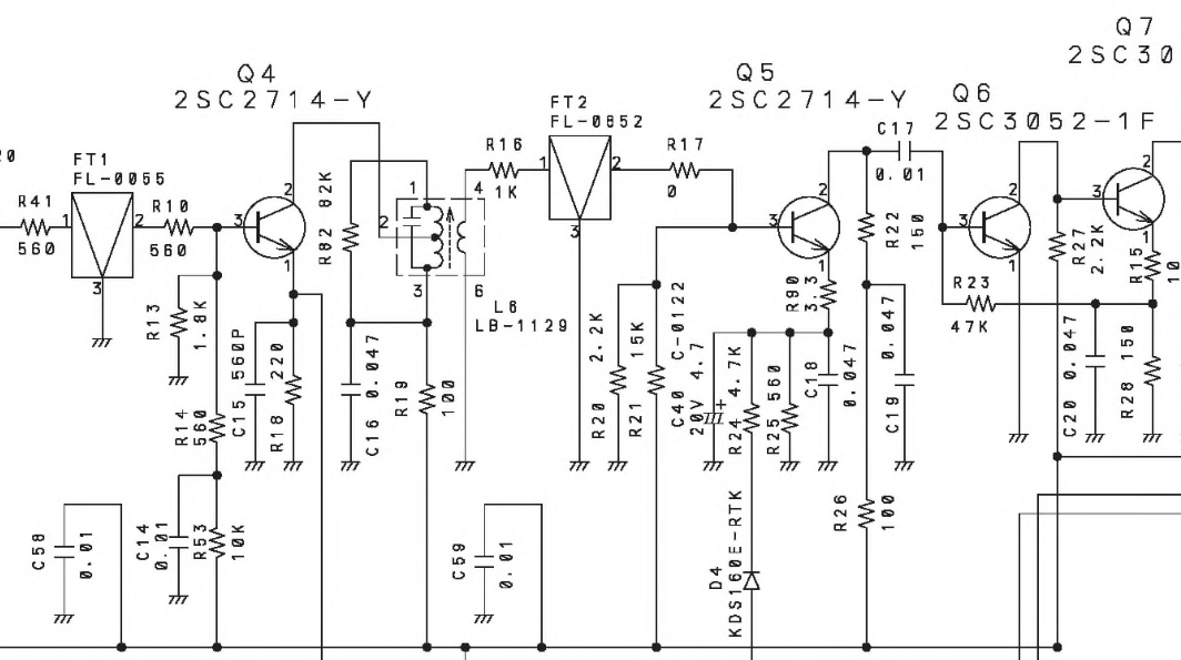
Yoda_Fire napisał: Zrobiłem zworkę. AM działa, ale ASC nie działa, można ustawiać tylko ręcznie, jak będę miał chwile to spróbuje to dostroić.
Tez nie wiem po co był tam ten rezystor.
Źle zrobiłeś!

Nie robi się takich rzeczy w gen sposób. Po pierwsze pytałem Cię czy to jest rezystor czy dławik. Nie odpowiedziałeś na moje pytanie.
Po drugie,
jeżeli ktoś tam dał ten element to widocznie miał powód. Może to oznaczać, że nie tylko to tam zostało zmienione i dopasowane! Może być taka przeróbka której Ty nie widzisz i nie zobaczysz. Nie działa ASC? No to już wiesz dlaczego ktoś regulował sygnał z FT2. Jak to robił, to dodatkowo jeszcze na pewno doregulował układ ASC do tej wartości jaką ustalał te dławik/rezystor.
Nigdy nie rób takich nieprzemyślanych ruchów, tam grzebał ktoś, kto wiedział co robi skoro to radio po jego ingerencji działało tyle czasu. Tobie odpadł tylko element od lutu i Twoim obowiązkiem było tylko to naprawić, czyli go przylutować. Nie miałeś radia przerabiać. Teraz dobrze się zastanów przed kolejnym krokiem.
Albo chcesz radio naprawić, czyli doprowadzić do stanu zanim je zepsułeś - więc przylutuj ten element i tyle.
Albo chcesz radio przywrócić do stanu fabrycznego, czyli sprzed ingerencji poprzedniego fachowca. Ale tu możesz sobie nie poradzić, bo On miał wiedzę i prawdopodobnie sprzęt do pracy a Ty co masz?
Takie samowolne przeróbki na "ślepo" to nie jest mądry pomysł.