Witam serdecznie,
Posiadam LPG STAG Q-BOX Basic w Volvo V40 silnik B4204T3 z 2003 roku. Posiada ktoś schemat do poliftowego licznika (4 zegarki, 2 LCD)? Otóż zastanowiło mnie ostatnio czy dałoby się wysterować "manualnie" kontrolkę LPG która w tym modelu występuje jako ikonka na lewym LCD obok przebiegu.
Koledzy z v40.info.pl starają się pomóc, stwierdziłem że warto napisać jeszcze tutaj
. Zgodnie ze schematem dostępnym w sieci
ikonka LPG sterowane jest z pinu- B12 - nie do końca jestem pewien czy to schemat polifta bo występuję tu zegarek podwójny który występuje przy liczniku 3- zegarkowym a mój nie ma podwójnego tylko 4.
Jeśli sterowanie zachodzi jednym przewodem to chciałbym przez tranzystor sparować go z zieloną kontrolką centralki LPG która informuje o stanu przełączenia na gaz dzięki temu oprócz sygnału dźwiękowego z ori centralki (w którym już raz głośniczek musiałem wymienić) miałbym pięknie na zegarach informację o uruchomionym LPG niczym w Bi-Fuel-u.
Zajrzałem za licznik:
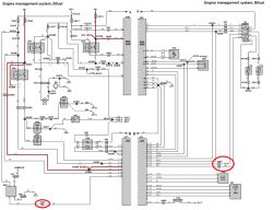
W kostce w pinie B12 pomimo "tłustej wiązki" przewodu brak postanowiłem podłączyć się bezpośrednio pod licznik gdzie względem masy na B12 zmierzyłem rezystancję rzędu 5,3kOhm. Wyprowadziłem przewód od tego pinu podłączyłem licznik pod auto i po wstępnych pomiarach na pinie B12 występuje napięcie ~+12V. Próbowałem za namową kolegów z forum wysterować ten pin przez rezystor 1kOhm do masy po pierwszych pomiarach spadek na rezystorze wyniósł 2,75V a prąd płynący 1mA. Ten sam pomiar prądu występuje przez bezpośrednie podłączenie do masy 1mA (dokładność miernika do dwóch miejsc po przecinku było 0,99mA). Niestety bez reakcji ze strony kontrolki LPG Popierając się tym schematem:
widać że oryginalny bi-fuel wypuszcza też na licznik jakiś sygnał z pinu B22. Względem poprzedniego schematu na pinie B22 jest kontrolka trakcji i tu już nic mi się nie zgadza. Na ten moment muszę ponownie zajrzeć za licznik sprawdzić czy na pinie B22 mam przewód sygnałowy czy też nie.
Nie zależy mi jakoś wybitne na tej kontrolce ale już raz właśnie przez awarię buzzera od gazu nie zauważyłem przełączenia na benzynę. Nic strasznego co prawda ale spoko byłoby mieć taką kontrolkę na desce jak w ori Bi-fuel. W tym modelu jeszcze nie było szyny CAN a jeśli była to uboga więc może jest w miarę prosty sposób to wysterować :> ?
Pozdrawiam
Posiadam LPG STAG Q-BOX Basic w Volvo V40 silnik B4204T3 z 2003 roku. Posiada ktoś schemat do poliftowego licznika (4 zegarki, 2 LCD)? Otóż zastanowiło mnie ostatnio czy dałoby się wysterować "manualnie" kontrolkę LPG która w tym modelu występuje jako ikonka na lewym LCD obok przebiegu.
Koledzy z v40.info.pl starają się pomóc, stwierdziłem że warto napisać jeszcze tutaj
ikonka LPG sterowane jest z pinu- B12 - nie do końca jestem pewien czy to schemat polifta bo występuję tu zegarek podwójny który występuje przy liczniku 3- zegarkowym a mój nie ma podwójnego tylko 4.
Jeśli sterowanie zachodzi jednym przewodem to chciałbym przez tranzystor sparować go z zieloną kontrolką centralki LPG która informuje o stanu przełączenia na gaz dzięki temu oprócz sygnału dźwiękowego z ori centralki (w którym już raz głośniczek musiałem wymienić) miałbym pięknie na zegarach informację o uruchomionym LPG niczym w Bi-Fuel-u.
Zajrzałem za licznik:
W kostce w pinie B12 pomimo "tłustej wiązki" przewodu brak postanowiłem podłączyć się bezpośrednio pod licznik gdzie względem masy na B12 zmierzyłem rezystancję rzędu 5,3kOhm. Wyprowadziłem przewód od tego pinu podłączyłem licznik pod auto i po wstępnych pomiarach na pinie B12 występuje napięcie ~+12V. Próbowałem za namową kolegów z forum wysterować ten pin przez rezystor 1kOhm do masy po pierwszych pomiarach spadek na rezystorze wyniósł 2,75V a prąd płynący 1mA. Ten sam pomiar prądu występuje przez bezpośrednie podłączenie do masy 1mA (dokładność miernika do dwóch miejsc po przecinku było 0,99mA). Niestety bez reakcji ze strony kontrolki LPG Popierając się tym schematem:
widać że oryginalny bi-fuel wypuszcza też na licznik jakiś sygnał z pinu B22. Względem poprzedniego schematu na pinie B22 jest kontrolka trakcji i tu już nic mi się nie zgadza. Na ten moment muszę ponownie zajrzeć za licznik sprawdzić czy na pinie B22 mam przewód sygnałowy czy też nie.
Nie zależy mi jakoś wybitne na tej kontrolce ale już raz właśnie przez awarię buzzera od gazu nie zauważyłem przełączenia na benzynę. Nic strasznego co prawda ale spoko byłoby mieć taką kontrolkę na desce jak w ori Bi-fuel. W tym modelu jeszcze nie było szyny CAN a jeśli była to uboga więc może jest w miarę prosty sposób to wysterować :> ?
Pozdrawiam