logo elektroda
logo elektroda
X
logo elektroda
REKLAMA
REKLAMA
Adblock/uBlockOrigin/AdGuard mogą powodować znikanie niektórych postów z powodu nowej reguły.

[Rozwiązano] Citroen C5 II 2005 - Tylna wycieraczka włącza się samoczynnie

dayus 06 Wrz 2020 09:46 8559 18
REKLAMA
  • #1 18908984
    dayus
    Poziom 21  
    Dzień dobry,
    od pewnego czasu mam problem z tylną wycieraczką w HB.
    Uruchamia się czasami samoczynnie podczas:
    - otwierania centralnego zamka,
    - otwierania klapy,
    - dotykania za trzpień wycieraczki,
    - po prostu sama podczas jazdy.

    Sprawdzone:
    Przełącznik pod kierownicą w Lexii - w pozycji 0 jest informacja,że nieaktywny.
    W pozycji wycierania - w Lexii jest informacja,że aktywny.
    Czyli wychodzi na to, że się nie zawiesza.

    Silniczek wycieraczki, wymieniłem na dwa inne z tymi samymi numerami Valeo - dziwna sytuacja, bo te, które zamontowałem zakręciły tylko raz i już się nie uruchamiają...:( Dwa te same przypadki.
    Rozebrałem białe gniazdo na silniku w celu sprawdzenia styków - wszystko czyste bez śniedzi.
    Wtyczka do silnika na instalacji w klapie też spoko.

    Okablowaniem ruszałem w klapie, na przegięciu gdzie wchodzi z klapy do karoserii - ani razu nie uruchomiła się wycieraczka przy tych próbach.
    Ogólnie kable w klapie wyglądają bardzo zdrowo i czysto, masy czyste bez nalotów.

    Jeszcze gdzieś słyszałem,że winny może byc wyłącznik krańcowy na silniku (nalezy rozebrać i wyczyscić ściezki ze smaru)
    Inni mówili o wzbudzaniu się CANa...

    Co Wy proponujecie?
  • REKLAMA
  • #2 18909144
    Gerri
    Spec od Mercedesów
    dayus napisał:
    Okablowaniem ruszałem w klapie, na przegięciu gdzie wchodzi z klapy do karoserii - ani razu nie uruchomiła się wycieraczka przy tych próbach.
    Ogólnie kable w klapie wyglądają bardzo zdrowo i czysto, masy czyste bez nalotów.

    Ja bym w takie "wyglądają zdrowo" nie wierzył. Wiadomo, że na zewnątrz będą wyglądać zdrowo, a w przejściówce mogą być połamane. W modelu C4 pierwszej gen. była nawet akcja serwisowa na wymiane tych wiązek - tak więc już to daje sygnał, że coś z nimi było nie tak. Na przykład z jakością użytych drutów.
    Jeżeli kable w przelotce są luzem, to można ciągnąc je po kolei z grubsza określić ich stan. Jak któryś się zerwie, to mamy rozbieranko - z pewnością nie tylko ten jeden jest uszkodzony. Jeżeli natomiast kable w przelotce są owinięte izolacją lub zalane tworzywem to jedyną formą dokładnego sprawdzenia jest wysunięcie ich z przelotki i naoczne sprawdzenie.
  • #3 18909231
    beryas
    Poziom 31  
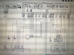
    Moim zdaniem prawie napewno kable, wroce z kosciola to poszukam Ci schematu, bedziesz sobie mogl przesledzic wszystko

    sprawdz sobie czy na kostce silnika wycieraczki pojhawia sie napiecie w momencie zamykania/otwierania drzwi pilotem. Jesli jest sciagaj boczek z klapy, i obudowe prawy tylny slupek i prawy boczek bagaznika gdzies tam schowana jest kostka podlaczeniowa tylnej klapy wybebesz wiazke klapy na zewnatrz, zsun gumowa harminijke i wymieniaj uszkodzone kable odcinkami 20-30cm no chyab ze miedz utleniona/spalona to dluzsze

    Dodano po 1 [godziny] 41 [minuty]:

    Citroen C5 II 2005 - Tylna wycieraczka włącza się samoczynnie Citroen C5 II 2005 - Tylna wycieraczka włącza się samoczynnie Citroen C5 II 2005 - Tylna wycieraczka włącza się samoczynnie
  • #4 18911838
    dayus
    Poziom 21  
    Wiązka od silniczka do złącza w słupku - przejście ma, na mierniku z buzzerem piszczy. Nie pokazuje wyższej rezystancji. Bije do 0 na przejście. Czy taka wiązkę jak na zdjeciu mam rozbebeszać?

    Żadnych pęknięć i przetarć nie widać. I przy ruszaniu ta wiązka - wycieraczka ani raz sie nie załączyła...

    Edit: odcinek od silnika wycieraczki do złącza w słupku pominięty, puszczony na dwóch odrębnych żyłach na próbę (żyła 521 i 522), tak,ze ewentualne uszkodzenia w klapie i na przecięciu zostały wyeliminowane.
    Wycieraczka załącza sie dalej samoczynnie.

    Co powiecie nt, krańcówki/czujnika położenia w przekładni? Moze tam jest jakis problem? Zna ktoś ścieżkę w Lexii, by znaleźć położenie wycieraczki? Mnie udało sie znaleźć tylko aktywność przełącznika pod kierownica.
  • REKLAMA
  • Pomocny post
    #5 18912286
    beryas
    Poziom 31  
    Dziwne
    W lexi nie znajdziesz na bank polozenia wycieraczki, maksymalnie test wycierania tylnej szyby i to nie mam pewnosci bo autko ma juiz pare latek (kiedys taka mialem pod wieloma wzgledami lepsza od mojej x7)
    zostaje Ci rozbieranie mechanizmu i sprawdzanie recznie.

    Nurtuje mnie jeszcze jedno.
    Sprawdzales czy na kostce wycieraczki pojawia sie napiecie w momencie zamykania i otwieranai samochodu?
  • #6 18912701
    dayus
    Poziom 21  
    Jest 9V na fioletowej żyle podczas otwierania. Fioletowa to chyba sterowniczy, bo jest cieńsza.
  • #7 18912741
    andrzej20001
    Poziom 43  
    Poruszać to sobie możesz, sprawdz te przewody w przelotce fizycznie ciągnąc .
  • #9 18912799
    beryas
    Poziom 31  
    dayus napisał:
    Jest 9V na fioletowej żyle podczas otwierania. Fioletowa to chyba sterowniczy, bo jest cieńsza.


    Nie ma cudów nad Wisłą, skądś musi się wziąć to napiecie na wtyczce.
  • REKLAMA
  • #10 18913159
    dayus
    Poziom 21  
    Są jeszcze po drodze jakieś złącza od złącza w tylnym słupku do bezpieczników/BSI?
  • #11 18913984
    beryas
    Poziom 31  
    dayus napisał:
    Są jeszcze po drodze jakieś złącza od złącza w tylnym słupku do bezpieczników/BSI?

    nie ma zadnej kostki po drodze kable ida bezposrednio do BSI masz na schemacie ktory zamiescilem.

    Wypnij kable od wycieraczki z kostki w bsi i sprawdz czy robi sie to samo
  • #13 18919573
    dayus
    Poziom 21  
    Masa tez juz poprowadzona osobno.... niestety dalej to samo.

    Dodano po 34 [minuty]:

    Na tej krańcowe ma byc styk NC? Czyli pin sterowniczy zwarty do masy jak jest wyłączona wycieraczka? A po rozebraniu przekładni jak janustawic żeby było prawidłowo? Są jakieś instrukcje? Albo blokady/punkty odniesienia?

    Dodano po 22 [minuty]:

    Zauważyłem, ze problem jest podwójny... moj silniczek, który mam na aucie, w żadnej pozycji nie zwiera krańcówki.
    Silniczek, który dokupiłem, a uruchomiliście tylko na chwile - ma zwarta krańcówkę - chyba tak jak powinno być. Lecz po podłączeniu do auta nie kreci się.

    A moja wycieraczka w pozycji na wycieranie wykonuje ruch, mimo pozostawienia w pozycji na załączanie kreci się juz dalej. Wyłączam przełącznikiem na zero i wtedy wykonuje jeszcze jeden ruch i sie wyłącza.

    Co teraz...?
  • #14 18920215
    beryas
    Poziom 31  
    dayus napisał:
    Masa tez juz poprowadzona osobno.... niestety dalej to samo.

    Dodano po 34 [minuty]:

    Na tej krańcowe ma byc styk NC? Czyli pin sterowniczy zwarty do masy jak jest wyłączona wycieraczka? A po rozebraniu przekładni jak janustawic żeby było prawidłowo? Są jakieś instrukcje? Albo blokady/punkty odniesienia?

    Dodano po 22 [minuty]:

    Zauważyłem, ze problem jest podwójny... moj silniczek, który mam na aucie, w żadnej pozycji nie zwiera krańcówki.
    Silniczek, który dokupiłem, a uruchomiliście tylko na chwile - ma zwarta krańcówkę - chyba tak jak powinno być. Lecz po podłączeniu do auta nie kreci się.

    A moja wycieraczka w pozycji na wycieranie wykonuje ruch, mimo pozostawienia w pozycji na załączanie kreci się juz dalej. Wyłączam przełącznikiem na zero i wtedy wykonuje jeszcze jeden ruch i sie wyłącza.

    Co teraz...?



    Po co szukasz problemow w mechanizmie skoro masz 9v przebicia na kablu sterujacym wycieraczka kiedy otwierasz/zamykasz samochod?

    wyjmij 2 kable z kostek do bsi 2 kable, ktore ida do wycieraczki.
    wyjmij 2 kable z kostki przy wycieraczce
    zastap kable jakimikolwiek kablami ktore masz na zbyciu i nie beda mialy zwarcia.

    LUB
    sprawdz czy pojawia Ci sie 9V na pinie sterujacym wycieraczka w momencie kiedy masz wypiety kabel z kostki.

    Tak kostki sa rozbieralne i mozna bez problemow wysuwac z nich piny/gniazda
  • #15 18920226
    dayus
    Poziom 21  
    Wiesz moze, w której kostce na BSI są te żyły 522 i 521?
  • REKLAMA
  • #16 18920325
    beryas
    Poziom 31  
    masz schemat...

    551 16 pinowa czarna kostka
    552 40 pinowa biala kostka
  • #17 18930058
    dayus
    Poziom 21  
    Troche mnie przeraża ten sposób sterowania ta wycieraczka. Jeśli zwieram systematycznie(czyli okresowo równych odstępach) pinem sterowniczym do masy - wycieraczka cały czas sie kreci. Czyli objaw prawidłowy. Przytrzymam pin sterowniczy do masy przez dłuższy czas - parkuje i stoi. Ale tylko ręcznie drutem jak mostkuje. Sama wycieraczka nie chce tak dzialac.... Spójrzcie na zdjęcia:

    Dodano po 2 [minuty]:

    Zdjęcia:
    Citroen C5 II 2005 - Tylna wycieraczka włącza się samoczynnie Citroen C5 II 2005 - Tylna wycieraczka włącza się samoczynnie Citroen C5 II 2005 - Tylna wycieraczka włącza się samoczynnie
  • #18 18931533
    dayus
    Poziom 21  
    Temat rozwiązany. Uszkodzone byly styki parkowania w przekładni. Zabrudzone, niezwierały. Wycieraczka sama startuje, wtedy kiedy styk sterowniczy jest otwarty i nie ma masy, dlatego mogło to wyglądać jak problem z kablem. „Nowe” silniczki, które kupiłem nie startowały z innego błachego powodu: musi byc zamknięta klapa, żeby wycieraczka działała...:(
  • #19 18931537
    dayus
    Poziom 21  
    Temat rozwiązany. Uszkodzone byly styki parkowania w przekładni. Zabrudzone, niezwierały. Wycieraczka sama startuje, wtedy kiedy styk sterowniczy jest otwarty i nie ma masy, dlatego mogło to wyglądać jak problem z kablem. „Nowe” silniczki, które kupiłem nie startowały z innego błachego powodu: musi byc zamknięta klapa, żeby wycieraczka działała...:(

    Dodano po 1 [minuty]:

    W poście powyżej rozwiązanie tematu.

Podsumowanie tematu

Użytkownik zgłosił problem z tylną wycieraczką w Citroenie C5 II z 2005 roku, która włącza się samoczynnie w różnych sytuacjach, takich jak otwieranie centralnego zamka czy klapy. Sprawdzono przełącznik oraz silniczek wycieraczki, który został wymieniony na dwa inne, ale problem nadal występował. Użytkownik badał okablowanie, w tym przelotki, i nie znalazł widocznych uszkodzeń. Po dalszych analizach i testach, w tym sprawdzeniu napięcia na kablach, okazało się, że problem leżał w uszkodzonych stykach parkowania w przekładni silniczka, które były zabrudzone i niezwierały. Po ich naprawie problem został rozwiązany.
Podsumowanie wygenerowane przez model językowy.
REKLAMA