#1 18927391 17 Wrz 2020 06:12 stachu12345 stachu12345 Poziom 13 #1 18927391 17 Wrz 2020 06:12 Witam wszystkich forumowiczów potrzebuje pin out sterownika silnika do BMW zdjęcia wysyłam w załączniku pozdrawiam Stachu .
#2 18927454 17 Wrz 2020 07:57 ladamaniac ladamaniac Poziom 40 Pomocny post? (0) #2 18927454 17 Wrz 2020 07:57 3,0D 184 KM? Promuję tematy: 25.03.2016 Nóż ze starego łożyska jako prezent.
#3 18927602 17 Wrz 2020 09:41 stachu12345 stachu12345 Poziom 13 Autor tematu Pomocny post? (0) #3 18927602 17 Wrz 2020 09:41 Dokładnie tak
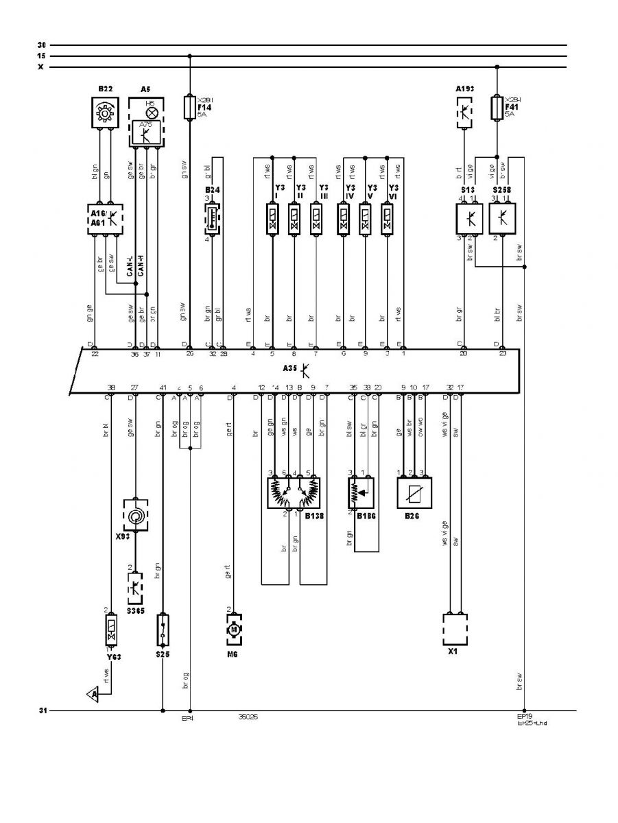
#4 18927651 17 Wrz 2020 10:12 ladamaniac ladamaniac Poziom 40 Pomocny post? (0) #4 18927651 17 Wrz 2020 10:12 Mam po angielsku schemat, może pomoże w czymś. Promuję tematy: 25.03.2016 Nóż ze starego łożyska jako prezent.