logo elektroda
logo elektroda
X
logo elektroda
REKLAMA
REKLAMA
Adblock/uBlockOrigin/AdGuard mogą powodować znikanie niektórych postów z powodu nowej reguły.

Seat Toledo 2 - Brak kontrolki ESP po zapłonie, nie działa przycisk ESP

DzieX 30 Wrz 2020 13:39 2139 16
REKLAMA
  • #1 18951255
    DzieX
    Poziom 12  
    Mam nietypowy problem - brak kontrolki esp po zapłonie. Nie da się też wyłączyć esp z przycisku. Nie zapala się również przy diagnostyce. VCDSem. Kontrolka w liczniku działa, bo jak odepnie się akumulator i podłączy to przy pierwszym zapłonie ESP się zapala i gaśnie razem z ABS. Poza tym ESP zapala się też przy teście kontrolek wgranym do licznika. Licznik pochodzi z passata B5 i do tej pory wszystko działało jak trzeba. Co sprawdziłem do tej pory:
    Przycisk
    Licznik (wsad bez testu licznika, ori wsad niemodyfikowany, drugi licznik)
    Vcds (brak błędów)
    Czujnik stopu (ktoś na forum golfa pisał)
    Odłączenie aku 😛
    Zmiana kodowania pompy na inne i przywrócenie z powrotem starego oraz adaptacje wszystkich czujników od nowa
    Podmiana czujnika skrętu w kierownicy

    Ma ktoś jakiś pomysł? Póki co zamówiłem drugą pompę bo już nie wiem co innego mogło się wydarzyć.
  • REKLAMA
  • Pomocny post
    #2 18951281
    sigwa18
    Poziom 43  
    A masz pompę z modułem ABS z ESP . Jak się zgłasza przy diagnostyce? Kodowanie w liczniku jakie jest? ABS/ESP działa?
  • #3 18951282
    jarroQ
    Poziom 31  
    Sprawdzałeś w ogóle czy ESP działa i redukuje moment obrotowy przy poślizgu kół?
  • REKLAMA
  • #4 18951288
    DzieX
    Poziom 12  
    sigwa18 napisał:
    A masz pompę z modułem ABS z ESP . Jak się zgłasza przy diagnostyce?


    Jest ESP. 8N0907379E ESP mk 20. Zresztą to wszystko śmigało bez problemu i nic nie było przy tym grzebane.

    jarroQ napisał:
    Sprawdzałeś w ogóle czy ESP działa i redukuje moment obrotowy przy poślizgu kół?


    Tu jest problem, bo mam auto przerobione na 4x4 (dodany haldex) i ciężko go zmusić do poślizgu. Spróbuję ręczny zaciągnąć na pierwszy ząbek (wtedy haldex nie ma prawa się włączyć) i sprawdzić czy utnie Nm.
  • #5 18951314
    jarroQ
    Poziom 31  
    Z 4x4 to będzie problem sprawdzić ESP. Przerabiałem temat :D
  • #6 18951319
    DzieX
    Poziom 12  
    Dam znać po południu czy test się udał

    Dodano po 1 [godziny] 13 [minuty]:

    Niestety jest problem żeby ustalić czy działa. Na pewnie nie zapala się kontrolka przy mocnym ruszaniu. Na domiar złego w aucie jest DSG, więc nie da się ruszyć bardzo mocno z miejsca bez launch control, a to ostatnie nie zadziała bez wyłączenia ESP.

    Seat Toledo 2 - Brak kontrolki ESP po zapłonie, nie działa przycisk ESP
    Seat Toledo 2 - Brak kontrolki ESP po zapłonie, nie działa przycisk ESP
    Seat Toledo 2 - Brak kontrolki ESP po zapłonie, nie działa przycisk ESP
  • #7 18951484
    jarroQ
    Poziom 31  
    Jest podświetlenie przycisku ESP off? Przemierzyłeś przewód od przycisku do modułu ABS /ESP?
  • #8 18951497
    DzieX
    Poziom 12  
    Jest podświetlenie. Póki co jedyne co zrobiłem to podmieniłem go na inny, ale bez rezultatu. Wydaje mi się, że problem jest jednak ze sterownikiem, bo powinien przynajmniej po zapłonie lub w czasie diagnostyki migać. Przynajmniej do tej pory zawsze tak było.

    Dodano po 45 [minuty]:

    sigwa18 napisał:
    Kodowanie w liczniku jakie jest?


    Kodowanie w liczniku?
  • REKLAMA
  • #9 18952927
    jarroQ
    Poziom 31  
    Przemierz przewód od przycisku pin1 do ABS.
    Pomierz zasilania i masy.
  • REKLAMA
  • #10 18952977
    DzieX
    Poziom 12  
    Przewód jest ok, tylko u mnie wchodzi na pin 24 bo to jest esp mk20. Plusy i masa też są na innych pinach. Sprawdzę. Podmiana pompy nic nie dała

    Seat Toledo 2 - Brak kontrolki ESP po zapłonie, nie działa przycisk ESP
    Seat Toledo 2 - Brak kontrolki ESP po zapłonie, nie działa przycisk ESP

    Dodano po 2 [godziny] 7 [minuty]:

    Sprawdziłem plus na pinach 16, 47, 44
    Oraz masę na pinach 46, 15

    Wszystko jest ok z nimi

    Dodano po 6 [godziny] 48 [minuty]:

    jarroQ napisał:
    Sprawdzałeś w ogóle czy ESP działa i redukuje moment obrotowy przy poślizgu kół?

    sigwa18 napisał:
    ABS/ESP działa?


    Udało mi się sprawdzić. Wygląda na to, że nie działa ESP. Działa tylko ABS bo czuję przy hamowaniu.
  • Pomocny post
    #11 18955355
    jarroQ
    Poziom 31  
    Możesz wrzucić cały schemat? Wywaliło mi jakąś wtyczkę z przeglądarki i nie wczytują mi się schematy z elsy online...
  • Pomocny post
    #13 18955474
    jarroQ
    Poziom 31  
    Masę na pinie nr2 sprawdziłeś?
  • #14 18955478
    DzieX
    Poziom 12  
    Nie mam w ogóle takiego pinu, co jest zastanawiające. Po prostu jest puste miejsce.
  • Pomocny post
    #15 18955481
    jarroQ
    Poziom 31  
    Dodaj ten pin i podaj tam mesę z pinu 15 lub 46 najlepiej testowo przez jakąś żarówkę 21W.
    Dziwne że nic nie było grzebane a wg schematu pin masowy powinien być a go nie ma.
    Bardzo dziwne.
  • #16 18955600
    DzieX
    Poziom 12  
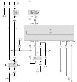
    Podpiąłem. Nic się nie zmieniło a ja przypomniałem sobie skąd ten brak pinu. Pompa jest zaadaptowana z TT Quattro i na schemacie z tej TTki, masa na 2 pinie jest tylko dla modelu z przednim napędem i przy przeróbce musiałem go wyjąć. Dołączam schemat i do razu mówię, że podawałem sygnał z przycisku na 14 pin licznika, czyli wejście ESP. Nic to nie zmieniło. Zapewne dlatego, że wszystko leci po CAN.

    tt esp.pdf Download (1.49 MB)
  • #17 18956189
    DzieX
    Poziom 12  
    Zostawię odpowiedź dla potomnych, choć wątpię, żeby ktoś miał takie problemy jak ja. Otóż okłamałem Was na początku (nieświadomie):
    DzieX napisał:
    Licznik pochodzi z passata B5 i do tej pory wszystko działało jak trzeba


    Otóż poprzedni licznik immo2 z końcówką numeru 847. Zapomniałem, że potem wrzuciłem licznik 849 i tarcze W8. Po wrzuceniu starego licznika kontrolka działa. Dzięki wielkie za próby pomocy :)

Podsumowanie tematu

Użytkownik zgłasza problem z brakiem kontrolki ESP po zapłonie oraz niemożnością wyłączenia ESP przyciskiem w samochodzie Seat Toledo 2, który został przerobiony na napęd 4x4. Pomimo diagnostyki VCDSem, brak błędów oraz testów kontrolki, problem nie został rozwiązany. Użytkownik sprawdził m.in. przycisk, licznik, czujnik stopu, kodowanie pompy oraz podmianę czujnika skrętu. Po dalszych testach okazało się, że problem leży w liczniku, który został wymieniony na inny model, co przywróciło funkcjonalność kontrolki ESP.
Podsumowanie wygenerowane przez model językowy.
REKLAMA