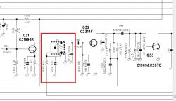
Próbuję zreanimować radio CB, które zostało uszkodzone mechanicznie przez osobę, która bezmyślnie wykonała dodatkowe otwory z boku radia. Z jednej strony uszkodzone zostały dwa elektrolity i modulator/wzmacniacz m.cz. - tutaj temat był prosty, zastąpiłem uszkodzone elementy nowymi. Z drugiej zaś strony otwór "trafił" obok tranzystora drivera w.cz. i wiertło uszkodziło element opisany jako T03 - cewka do strojenia. Nie mam wiedzy i pomysłu, czym mogę zastąpić ten element, żeby miał odpowiednie wyprowadzenia i parametry. Mam kilka radiotelefonów jako dawców części, ale to są w większości Midlandy, a tam nie znalazłem elementu tak oznaczonego. Chciałbym prosić o podpowiedź, co mogę tam wstawić.
