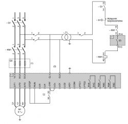
Dzień dobry, w celu uruchomienia softstartu podałem napięcie do zacisków zasilania obwodów sterujących CL1 i CL2 co skutkowało zamknięciem styków R1A-R1C (oznacza to brak awari) a następnie zamknięciem stycznika KM1, urządzenie uruchomiło się bez problemu, dla pewności sprawdziłem czy przypadkiem na wyjściu nie ma napięcia - co skutkowałoby uruchomieniem pompy i tutaj moje zdziwienie z powodu napięcia na wyjściu softstartu (pompa się nie włączyła ze względu na otwarty wyłącznik remontowy) po konfiguracji komunikacji modbus na wyświetlaczu pokazuję się komunikat rDY, czyli gotowość do pracy-nie praca, po odłączeniu obwodu sterowania (start,stop,+24V) sytuacja była identyczna, podłączenia według schematu, co może być przyczyną takiego stanu rzeczy ?

