logo elektroda
logo elektroda
X
logo elektroda
REKLAMA
REKLAMA
Adblock/uBlockOrigin/AdGuard mogą powodować znikanie niektórych postów z powodu nowej reguły.

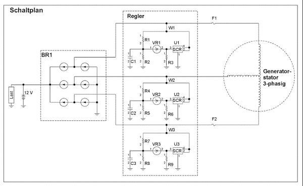
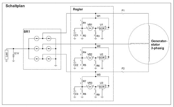
[Rozwiązano] Alternator 24/12V - z regulatorem motocyklowym np 15A

Megawe 01 Lis 2020 07:30 471 12
REKLAMA

Podsumowanie tematu

Użytkownik rozważa połączenie alternatora 24V z motocyklowym regulatorem 12V w celu zasilania akumulatora oraz urządzeń takich jak radio i gniazdo przyczepy. Odpowiedzi wskazują, że taki układ nie będzie działał efektywnie, ponieważ regulator motocyklowy działa na zasadzie przywierania uzwojeń, co uniemożliwia uzyskanie stabilnego napięcia 24V. Zamiast tego sugerowane są alternatywy, takie jak zastosowanie prostownika półsterowanego lub przetwornicy STEP-DOWN. Użytkownik przyznaje, że jego pomysł nie ma sensu, po zapoznaniu się z zasadą działania regulatorów w motocyklach.
Podsumowanie wygenerowane przez model językowy.
REKLAMA