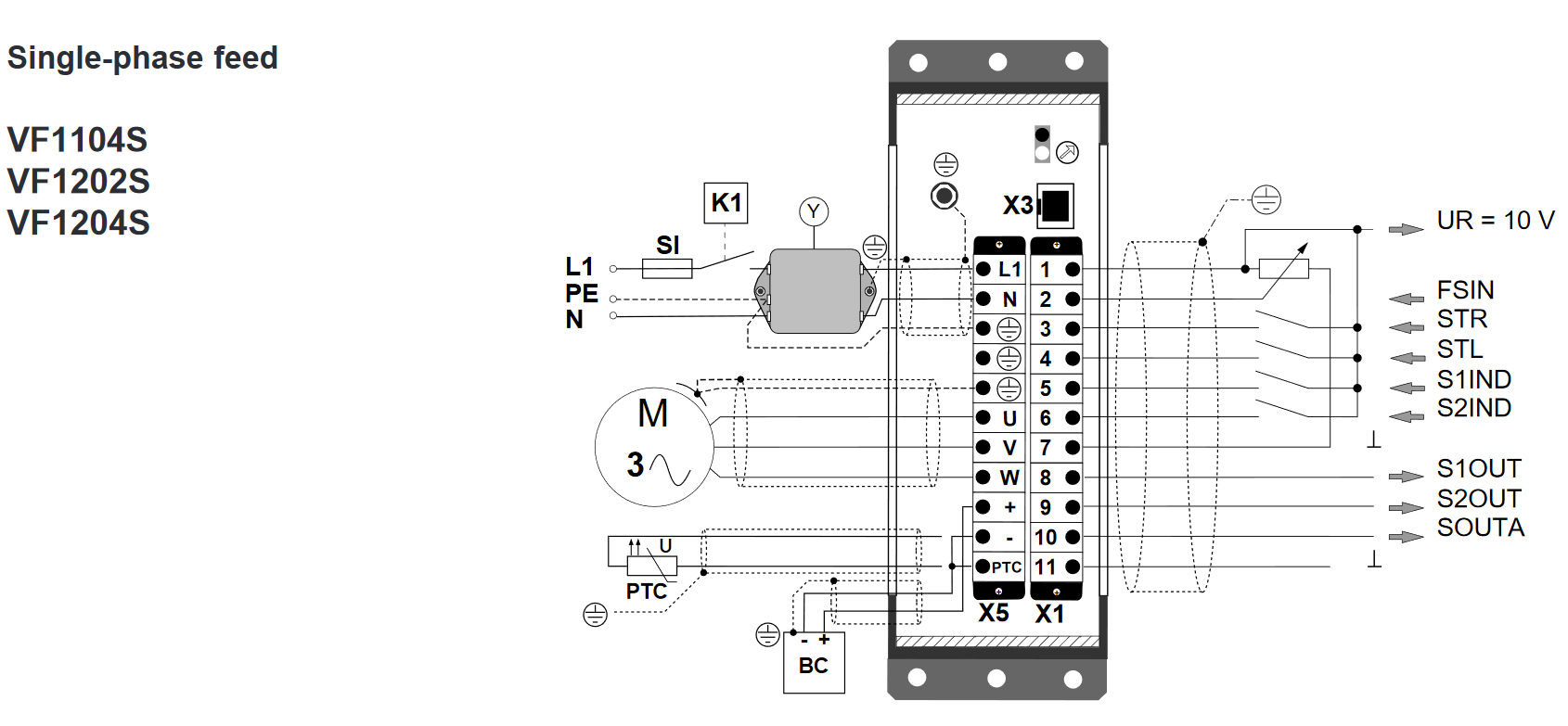
Dziś udało mi się odblokować ten falownik. Zrobiłem następującą rzecz, edytowałem parametr A1-04, jego wartość to 0000, potwierdziłem to enterem i po End wyłączyłem całkowicie zasilanie na minutę. Po ponownym załączeniu zasilania falownik został odblokowany. Można edytować parametr A1-01 i po wpisaniu 02 oraz zatwierdzeniu mamy otwartą furtkę do pozostałych parametrów. Może się to komuś przyda
