logo elektroda
logo elektroda
X
logo elektroda
REKLAMA
REKLAMA
Adblock/uBlockOrigin/AdGuard mogą powodować znikanie niektórych postów z powodu nowej reguły.

Nie działający UART na płytce robota arexx, ATMega64

fewarc 21 Lis 2020 19:28 444 0
REKLAMA
  • #1 19059447
    fewarc
    Poziom 1  
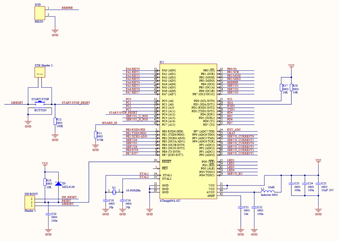
    Próbując przesyłać ramki danych z Arduino NANO do robota arexx przez TXD/RXD prawdopodobnie źle zrealizowałem połączenia (gniazdo było odwrotnie niż myślałem) i VCC znalazło się na pinie MRESET a GND na RXD1 procesora ATMega64 robota. Poszedł lekki dym, niestety nie wiem z którego dokładnie miejsca, i od tego momentu nie ma kontaktu z robotem. Oprócz tego wszystko wydaje się działać poprawnie - LEDy od zasilania głównego czy zasilania serwomechanizmów świecą się tak jak zawsze. Aplikacja na komputerze podczas próby połączenia cały czas wyrzuca "Connection error".

    Termin oddania projektu coraz bliżej więc proszę o wskazówki co powinienem zrobić/wymienić żeby przywrócić funkcjonalność. :cry:
    Może ktoś miał podobny problem.

    Płytka robota
    Nie działający UART na płytce robota arexx, ATMega64płytkaAR..X.png Download (850.88 kB)
    Schemat procesora
    Nie działający UART na płytce robota arexx, ATMega64schematATM..a64.png Download (191.82 kB)
    Schemat UART
    Nie działający UART na płytce robota arexx, ATMega64schematU..T.png Download (12.49 kB)
  • REKLAMA
REKLAMA