Kupiłem nowe wyświetlacze lcd 2 szt okazuje się że żaden nie działa.
Chciałem zrobić miernik częstotliwości napisany w bascomie który znalazłem w internecie.
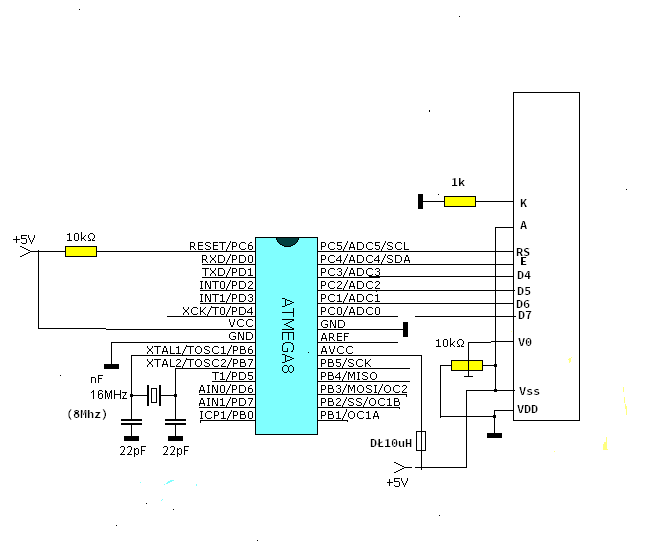
miernik był na atmedze 8 częstotliwość kwarcu 16 mhz. Do nagrania wykorzystałem mkAVR kalkulator.
Bo nie chciałem namieszać w fusebitach, program się załadował ale wyświetlacz nic nie pokazywał.
Pomyślałem że być może atmega nie chce pracować na tej częstotliwości , zmieniłem kwarc na 8 mhz,
i dalej nic nie wyświetlał , choć w bascomie na symulacji chodził.
Sprawdziłem wyświetlacz na arduino nano , również nic nie wyświetla.
Kontrast na lcd można ustawiać . Czy możliwe jest że te wyświetlacze są felerne?
Nie wiem już jak to można sprawdzić.

Chciałem zrobić miernik częstotliwości napisany w bascomie który znalazłem w internecie.
miernik był na atmedze 8 częstotliwość kwarcu 16 mhz. Do nagrania wykorzystałem mkAVR kalkulator.
Bo nie chciałem namieszać w fusebitach, program się załadował ale wyświetlacz nic nie pokazywał.
Pomyślałem że być może atmega nie chce pracować na tej częstotliwości , zmieniłem kwarc na 8 mhz,
i dalej nic nie wyświetlał , choć w bascomie na symulacji chodził.
Sprawdziłem wyświetlacz na arduino nano , również nic nie wyświetla.
Kontrast na lcd można ustawiać . Czy możliwe jest że te wyświetlacze są felerne?
Nie wiem już jak to można sprawdzić.

