logo elektroda
logo elektroda
X
logo elektroda
REKLAMA
REKLAMA
Adblock/uBlockOrigin/AdGuard mogą powodować znikanie niektórych postów z powodu nowej reguły.

[Rozwiązano] President Lincoln 1 brak modulacji AM FM przy mocy wyższej niż minimum

Robertos1978 30 Lis 2020 12:47 1482 27
REKLAMA
  • #1 19079465
    Robertos1978
    Poziom 7  
    Witam wszystkich,
    Mam problem z President Lincoln w którym aktualnie brak modulacji przy mocy wyższej niż minimum.
    Jak RF Power skręcony na minimum, modulacja jest, słyszę na innym radiu, lekko podwyższając modulacja znika.
    W SSB modulacja bardzo słaba, dodam że jest podłączony mikrofon ze wzmocnieniem.
    Zaczęło się od tego że jak jeszcze wczoraj radio nadawało to słychać było na innym radiu przydźwięk jakby brak masy w mikrofonie, lekki brum na nośniej.
    Dotykając obudowy przydźwięk znikał. Dodatkowo radiator bardzo mocno się nagrzewał ( tranzystor MRF477 ), i moc maksymalną można było ustawić w SSB 15 W, w AM 10W, jakby cos ją blokowało, na innym Lincolnie moc nieco wyższa można uzyskać ( 15 AM FM, 30 SSB )
    Wczoraj na koniec dnia nagle modulację było słychać coraz ciszej aż całkiem ucichła.
    Wyłączyłem radio i włączyłem po chwili, w FM nagle modulacja ożyła, potem SSB również, dałem AM i znowu ucichła.
    Pomiary na IC 104 właściwe.
  • REKLAMA
  • #2 19079645
    Konto nie istnieje
    Poziom 1  
  • Pomocny post
    #3 19079662
    Hektar Zahle.r
    Poziom 30  
    Wzbudzenie mikrofonu ze wzmocnieniem ? Jaki SWR ?
  • #4 19079750
    Robertos1978
    Poziom 7  
    Hektar Zahle.r napisał:
    Wzbudzenie mikrofonu ze wzmocnieniem ? Jaki SWR ?


    Sztuczne obciążenie

    Dodano po 1 [minuty]:

    Koderr napisał:
    Robertos1978 napisał:
    [...]na innym Lincolnie moc nieco wyższa można uzyskać ( 15 AM FM, 30 SSB )
    [...]
    Pewny jesteś, że można?
    Otóż nie można. Polskie przepisy dopuszczają moc max AM/FM 4W, SSB 12W.
    Jest o tym już na 1-szej stronie TEGO rozporządzenia.
    Możliwe, że Twoje radio postanowiło nauczyć Cię przestrzegania przepisów ;-)


    Nie bardzo rozumiem, posiadam licencje i pracuje na tym radiu na paśmie 10m, więc o jakich przepisach mowa ?
  • #5 19079796
    Konto nie istnieje
    Poziom 1  
  • #6 19079826
    Hektar Zahle.r
    Poziom 30  
    Ponawiam pytanie. Masz typowy objaw zatkania się mikrofonu ze wzmocnieniem. Sprawdź na zwykłym mikrofonie.
  • #7 19080267
    Robertos1978
    Poziom 7  
    Hektar Zahle.r napisał:
    Ponawiam pytanie. Masz typowy objaw zatkania się mikrofonu ze wzmocnieniem. Sprawdź na zwykłym mikrofonie.

    Podłączony mikrofon dynamiczny:
    AM- brak modulacji
    FM - modulacja zanika powyżej 1W
    SSB- jest modulacja do 15W

    zastanawia mnie biało szary nalot na ic104, napięcia są prawidłowena nim President Lincoln 1 brak modulacji AM FM przy mocy wyższej niż minimum
  • REKLAMA
  • #8 19081259
    Hektar Zahle.r
    Poziom 30  
    Tymczasem opisz historię usterki. Trop jest dobry. Pomiary bardzo dobre. Próbuj podokręcać wszystkie śrubki i podociskać taśmy.
  • REKLAMA
  • #9 19082034
    Robertos1978
    Poziom 7  
    Hektar Zahle.r napisał:
    Musisz dać mi czas. Tymczasem opisz historię usterki. Trop jest dobry. Pomiary bardzo dobre. Może gumiś coś wymodzi.


    Dodatkowo dodam, że na paśmie 10m zauważyłem również taką anomalie, już jakiś czas temu że robiąc testy na sztucznym obciążeniu przy włączonym roger beep, ten jakby powodował że nośna nie opadała od razu po beepie, tylko była z 1 sekundowym opóźnieniem, na 11 metrach ten efekt nie występował.

    A zaczęło się od tego że pracując na 10m jak już wcześniej wspomniałem, zawsze tej mocy trochę było mało bo w SSB max 15W, a że w między czasie zauważyłem że w AM mam ten przy dźwięk na modulacji znika on po dotknięciu ręką np. masy wtyku antenowego uc1, postanowiłem sprawdzić na ile moja wiedza była w stanie sobie z tym poradzić podstawowe parametry, sprawdziłem prądy spoczynkowe, są właściwe, moc w SSB chciałem podnieść do 25W, niestety coś jakby blokowało, ponieważ peerek odpowiedzialny za podniesienie mocy w SSB VR104 reagował tylko do mocy 15W, VR 103 podobnie reagował tylko do 15W, ostatecznie jest ustawiony na 10W w AM, oraz 15W w FM ( tu jest przeróbka na przekaźniku aby taka modyfikacja była możliwa), jakiś czas temu było 20W w FM, zmniejszyłem trochę AMC VR114, aby nie być prze modulowanym, ustawione na około 80% obrotu. Po tych zabiegach pojawił się efekt, który opisywałem powyżej. Modulacja stopniowo cichła, aż całkowicie zamilkła. Jedynie w FM pojawia się modulacja tylko do max 1W mocy, jak dam powyżej 1 W, modulacji brak.
  • #10 19082392
    Hektar Zahle.r
    Poziom 30  
    Wylutuj na próbę Q114
  • #11 19083511
    Robertos1978
    Poziom 7  
    Q114 podmieniłem z innego Lincolna na części, bez zmian

    Dodano po 13 [minuty]:

    VR114 AMC na max modulacją i beep słyszalny, tak jak w FM ale do 1,5W, powyżej brak modulacji, moc skręciłem na 4W max w AM FM
  • #12 19083673
    Hektar Zahle.r
    Poziom 30  
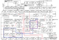
    OK nie rozumiemy się. Obszar poszukiwań na schemacie blokowym. Odpadam z tematu. Bez odbioru.

    President Lincoln 1 brak modulacji AM FM przy mocy wyższej niż minimum
  • #13 19085753
    Robertos1978
    Poziom 7  
    Hektar Zahle.r napisał:
    Wylutuj na próbę Q114


    Sztuczka z wylutowanym Q114 zadziałała, modulacja pojawiła się normalnie przy wyższych mocach, ale nie bardzo teraz wiem gdzie tkwi problem .
  • #14 19085970
    Hektar Zahle.r
    Poziom 30  
    Zatem AMC. OK sory. Nie toleruję wymieniaczy na pałę. Wstępnie posprawdzaj diody. Daj mi czas. Trzeba też poczekać żeby gumiś to zobaczył.
  • #15 19086287
    gumisie
    Poziom 43  
    Witam.

    Do sprawdzenia elementy, niebieska ramka (załącznik).
    Oraz napięcia na tranzystorach: B - Q114, B oraz C - Q138.
    VR114, ustawić modulację w/g. tabelki President Lincoln 1 brak modulacji AM FM przy mocy wyższej niż minimum

    EDIT:

    Hektar Zahle.r napisał:
    Zatem AMC. OK
    No niewiem czy "OK".
    ALC/AMC (Q138),steruje tranzystor: Q114 (Mic. Att.)
  • #16 19087678
    Hektar Zahle.r
    Poziom 30  
    Myślisz, że wina detektora ? Ja miałem podobny problem, ale było odwrotnie. Modulacja szła poza 100%, bo było za mało napięcia w.cz. na wejściu detektora. Uszkodzony był pi filtr i po naprawie trzeba było dobrać te dwa kondensatory. U Ciebie jest jakby odwrotnie, tj. za dużo tego napięcia w.cz. Spróbuj. Poszukaj zimnych lutów.

    President Lincoln 1 brak modulacji AM FM przy mocy wyższej niż minimum
  • #17 19087800
    gumisie
    Poziom 43  
    Hektar Zahle.r napisał:
    Uszkodzony był pi filtr i
    Miałem zamiar wspomnieć o tym, lecz ... :wink:
    Autor tematu napisał:
    Robertos1978 napisał:
    sprawdziłem prądy spoczynkowe, są właściwe,
    Warto byłoby aby podzielił się z nami, jak je sprawdził. :cry:

    @Robertos1978 Lincoln, to inna "półka".
    Jaki sprzęt kontrolno pomiarowy, posiadasz?
  • #18 19087812
    Hektar Zahle.r
    Poziom 30  
    Do sprawdzenia transformatory przed pi filtrem. Czasami dostają zwarć międzyzwojowych. Masz drugie radio, to podmień.
  • #19 19087839
    Robertos1978
    Poziom 7  
    President Lincoln 1 brak modulacji AM FM przy mocy wyższej niż minimum President Lincoln 1 brak modulacji AM FM przy mocy wyższej niż minimum
    gumisie napisał:
    Warto byłoby aby podzielił się z nami, jak je sprawdził.

    President Lincoln 1 brak modulacji AM FM przy mocy wyższej niż minimum

    Postępowałem zgodnie z instrukcją.
    Tłumacz google był włączony stąd tłumaczenie.
  • #20 19087849
    gumisie
    Poziom 43  
    Hektar Zahle.r napisał:
    Do sprawdzenia transformatory przed pi filtrem. Czasami dostają zwarć międzyzwojowych. Masz drugie radio, to podmień.

    Marcin, chyba sobie "żartujesz" z tym podmienianiem. :cry:
  • #21 19087868
    Hektar Zahle.r
    Poziom 30  
    A skąd......

    Dodano po 4 [minuty]:

    Apropo drugiego radia. Jednak źle myślę. Najpierw zmierz sondą w.cz. napięcie w.cz. tych dwóch kondensatorów i porównaj czy tak samo. O w tej kolejności.
  • #22 19087896
    Robertos1978
    Poziom 7  
    gumisie napisał:
    Jaki sprzęt kontrolno-pomiarowy, posiadasz?

    Miernik SWR z pomiarem mocy, sztuczne obciążenie, multimetr, miernik częstotliwości.
  • #23 19087909
    Hektar Zahle.r
    Poziom 30  
    Sztuczna antena to też przyrząd. Dasz radę. Sonde w.cz. sobie zrób. Porównaj na sprawnym radiu.
  • REKLAMA
  • #24 19087946
    Robertos1978
    Poziom 7  
    Dodam, że, mam drugiego w pełni sprawnego lincolna, i innego dawce w razie gdyby trzeba było coś podmienić.
  • #25 19087970
    gumisie
    Poziom 43  
    Robertos1978 napisał:
    Miernik SWR z pomiarem mocy, multimetr
    To nie są urządzenia pomiarowe, a zwłaszcza ten: DT-838.

    Mimo że zostałem wywołany do tzw. tablicy:
    Hektar Zahle.r napisał:
    Trzeba też poczekać, żeby gumiś to zobaczył.
    Sądzę, że dalsze moje podpowiedzi nie mają sensu.
    Wiek robi, swoje. :cry:

    SKS mnie dopadł, a z Lincolnem miałem do czynienia około dwadzieścia parę lat temu.

    Pozdrawiam.
  • #26 19088213
    Robertos1978
    Poziom 7  
    Radio naprawione. Wymieniony Q124 2SC1973, modulacja działa właściwie, moc również możliwa więcej niż 15 W, które było wcześniej.
  • #27 19088215
    Hektar Zahle.r
    Poziom 30  
    A jednak w.cz.
  • #28 19088216
    Robertos1978
    Poziom 7  
    Q124 wymieniony

Podsumowanie tematu

Użytkownik zgłosił problem z radiem President Lincoln, które nie wykazuje modulacji przy mocy wyższej niż minimum. Przy minimalnym ustawieniu RF Power modulacja jest obecna, ale znika przy jej zwiększaniu. W SSB modulacja jest słaba, mimo podłączenia mikrofonu ze wzmocnieniem. Użytkownik zauważył przydźwięk, który znikał po dotknięciu obudowy, oraz przegrzewanie się tranzystora MRF477. Po wymianie Q124 (2SC1973) problem z modulacją został rozwiązany, a moc nadawania wzrosła powyżej 15 W. W dyskusji poruszono również kwestie związane z pomiarami, sprawdzaniem elementów oraz możliwymi przyczynami problemów, takimi jak zimne luty czy uszkodzenia filtrów.
Podsumowanie wygenerowane przez model językowy.
REKLAMA