Znajomy poprosił mnie o naprawę CB President Teddy ASC. Problemem jest to, że bardzo słabo odbiera. Zaznaczam, że nie znam się na tym, ale wydaje mi się, że uszkodzony jest element, który nie do końca potrafię nazwać. Wygląda to na jakiś filtr regulowany lub dławik.
Chciałem zapytać gdzie takie coś można dokupić, ewentualnie czym zamienić (inne opcje?)
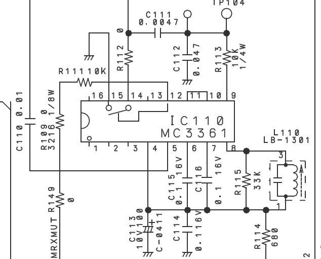
Chodzi o ten element po prawej, za którym jest kondensator. Oznaczenie 1301 (L110).

Chciałem zapytać gdzie takie coś można dokupić, ewentualnie czym zamienić (inne opcje?)
Chodzi o ten element po prawej, za którym jest kondensator. Oznaczenie 1301 (L110).