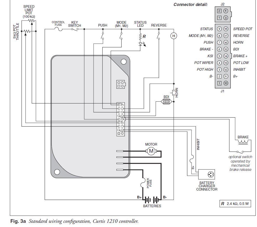
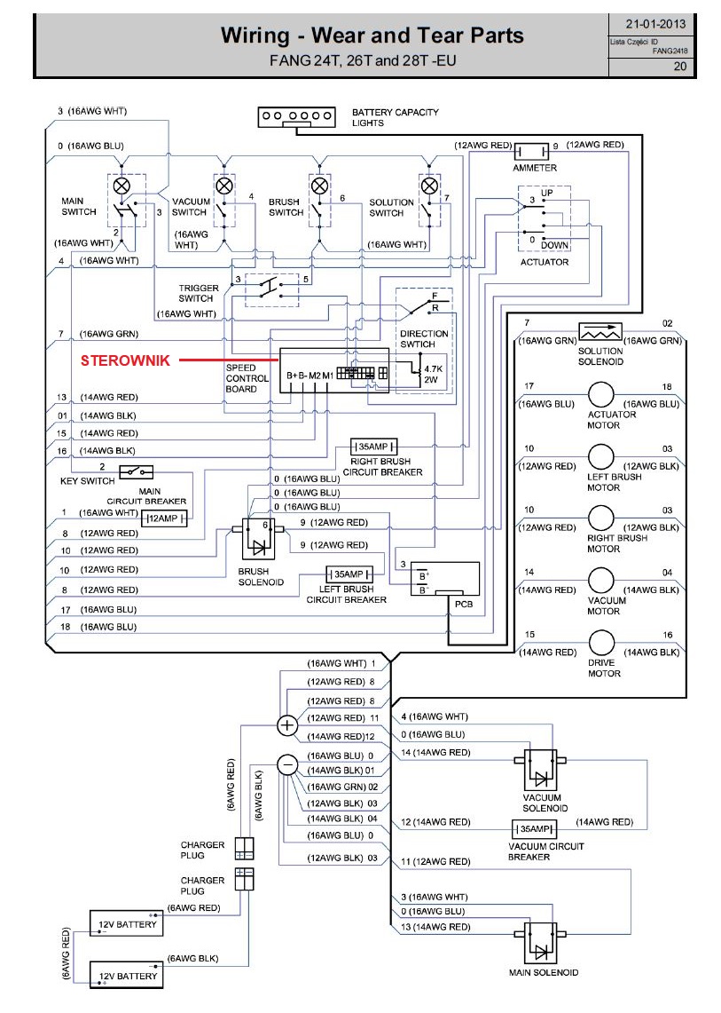
Dzień dobry. Czy mógłby mnie ktoś poprowadzić przy wymianie i montażu nowego sterownika CURTIS 1210-2201? Zdemontowałem stary i zamontowałem nowy i nic. Trakcja szorowarki VIPER FANG -24 nie chce ruszyć. Do sterownika są podłączone 4 grube przewody i tutaj raczej nie popełniam błędu, bo sterownik ma oznaczenia B+, B- oraz M+, M-, a więc bateria do B i silnik do M. Gdy łączę je "na krótko" parami to silnik się obraca. Sterownik ma jeszcze gniazdo 18 pin-owe i tu nie wiem gdzie popełniam błąd, bo sterownik jest (chyba) sprawny. Myślę, że popełniam go przy podłączeniu potencjometru (też nowy), ale sam już nie wiem. Wg schematu potencjometr powinien być podłączony czterema kablami do pin-ów 3, 4, 13, 18.
