logo elektroda
logo elektroda
X
logo elektroda
REKLAMA
REKLAMA
Adblock/uBlockOrigin/AdGuard mogą powodować znikanie niektórych postów z powodu nowej reguły.

Podłączenie odbiornika FM do samochodowej instalacji antenowej za pomocą kabla minijack

kurkudor 05 Sty 2021 09:59 471 4
REKLAMA
  • #1 19160167
    kurkudor
    Poziom 11  
    Witam,

    Chciałbym podłączyć w samochodzie mały odbiornik FM. Posiadam taki gdzie kabel słuchawkowy jest jednocześnie anteną.
    Czy jest możliwe wykonanie kabla minijack <-> minijack który byłby spięty z samochodową instalacją antenową?
  • REKLAMA
  • #2 19160318
    ArturAVS
    Moderator
    kurkudor napisał:
    Czy jest możliwe wykonanie kabla minijack <-> minijack który byłby spięty z samochodową instalacją antenową?

    Nie. Aby to sensownie zrobić potrzebna jest ingerencja w odbiornik aby dorobić niezależne gniazdo antenowe.
  • REKLAMA
  • #3 19160415
    kurkudor
    Poziom 11  
    ArturAVS napisał:
    Nie. Aby to sensownie zrobić potrzebna jest ingerencja w odbiornik aby dorobić niezależne gniazdo antenowe.

    Odbiornik to iPod nano 6-generacji. Nie wiem czy to możliwe.
  • REKLAMA
  • #4 19160472
    ArturAVS
    Moderator
    kurkudor napisał:
    Odbiornik to iPod nano 6-generacji. Nie wiem czy to możliwe.

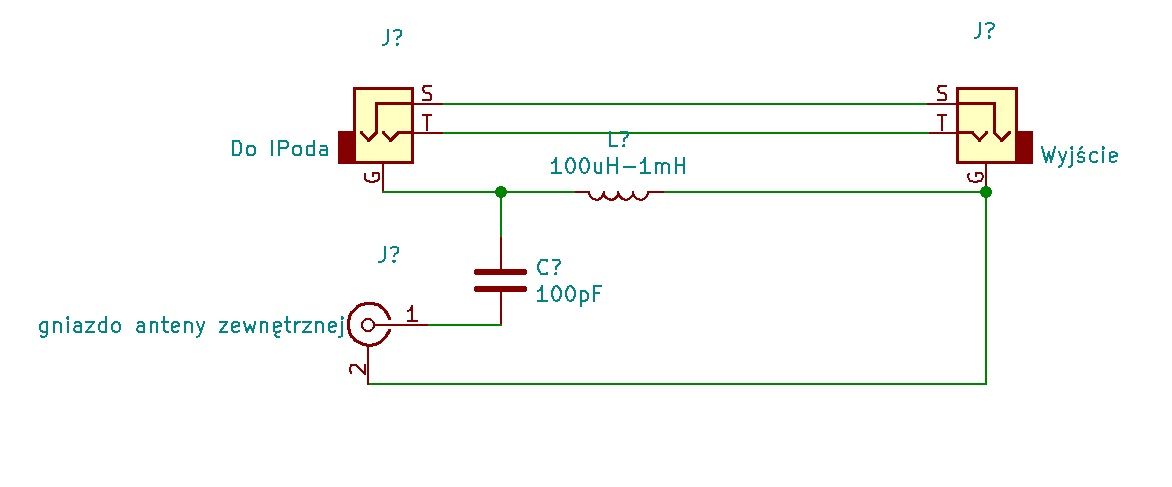
    Raczej trudno wykonalne, możesz spróbować poniższego schematu ale gwarancji nie ma.
    Podłączenie odbiornika FM do samochodowej instalacji antenowej za pomocą kabla minijack
  • #5 19538112
    kurkudor
    Poziom 11  
    Dziękuję za schemat. Nie miałem wcześniej czasu żeby się za to zabrać. Czy zakładając, że tylko jeden odbiornik radiowy będzie aktywny w danym czasie to sygnał z anteny należy i tak rozdzielić za pomocą rozdzielacza?
REKLAMA