logo elektroda
logo elektroda
X
logo elektroda
REKLAMA
REKLAMA
Adblock/uBlockOrigin/AdGuard mogą powodować znikanie niektórych postów z powodu nowej reguły.

Xiaomi m365 - Jaka być powinna wartość napięcia na zaciskach przedniej lampki?

Luki8112 07 Sty 2021 20:09 3411 9
REKLAMA
  • #1 19166444
    Luki8112
    Poziom 4  
    Witam,

    Czy możecie sprawdzić w swoich hulajnogach jakie macie napięcie na zaciskach przedniej lampki po załączeniu jej przyciskiem?

    Jaka powinna być prawidłowa wartość?

    U mnie jest podejrzanie wysoka a lampka nie świeci.
  • REKLAMA
  • #3 19166876
    Luki8112
    Poziom 4  
    kkknc napisał:
    Takie jak na baterii.


    Jesteś pewien?

    Bo u mnie się przepaliła a w sklepach internetowych w parametrach lampki podają napięcie 6 V.

    Z tego powodu pojawiła się u mnie konsternacja ponieważ pojawiające się napięcie na zaciskach jest zdecydowanie wyższe od 6 V i rzeczywiście może odpowiadać temu z baterii.

    To mnie trochę zaniepokoiło czy przypadkiem coś jeszcze w hulajnodze nie uległo uszkodzeniu.

    Czyli tak powinno być?
  • REKLAMA
  • #4 19174532
    W.P.
    Specjalista - zasilacze komputerowe
    Pomiar napięcia nie ma tu praktycznego sensu. Źródłem światła jest dioda LED, i jako taka powinna być zasilana stałym prądem.
    Służy do tego odpowiedni zasilacz impulsowy z ustaloną wartością prądu. Ponieważ elementem szeregowym wewnątrz niego jest dławik, to bez diody w jej miejscu masz wysokie napięcie.

    Trudno bez znajomości reszty układu powiedzieć czy wystarczy tylko wymiana diody. Jeśli sterownik uległ uszkodzeniu to następna dioda skończy krótkim błyskiem.

    Zacząłbym od podłączenia amperomierza z szeregowo podłączonym rezystorem w postaci np. żarówki samochodowej 5W, w miejsce diody by upewnić się, czy prąd nie osiąga kilkuamperowych wartości.
    Za prawidłowy uznałbym wartość nieprzekraczającą 0,5A.

    To wszystko to teoretyczne wynurzenia, gdyż więcej nie wiem niż wiem. Ani o wartości napięcia w instalacji, ani o rodzaju diody, ani o mocy lampki. Przedstawiłem ogólny schemat postępowania.
  • REKLAMA
  • #5 19176738
    Luki8112
    Poziom 4  
    Aby rozwiać wątpliwości:

    Moja lampka na 100% jest uszkodzona.

    Nowa oryginalna lampka od Xiaomi np. do Pro ma następujące parametry: 6V DC, 2W i jak z nich wynika zasilana jest napięciem 6V - przetestowane sprawdzone.

    Wniosek:

    Jakiś element w mojej hulajnodze uległ uszkodzeniu przez co na zaciskach lampki pojawiło się napięcie 37 V DC co sprawiło, że lampka uległa przepaleniu.

    Napięcia przychodzące z płyty głównej na płytkę wyświetlacza są prawidłowe, jak na załączonym zdjęciu.

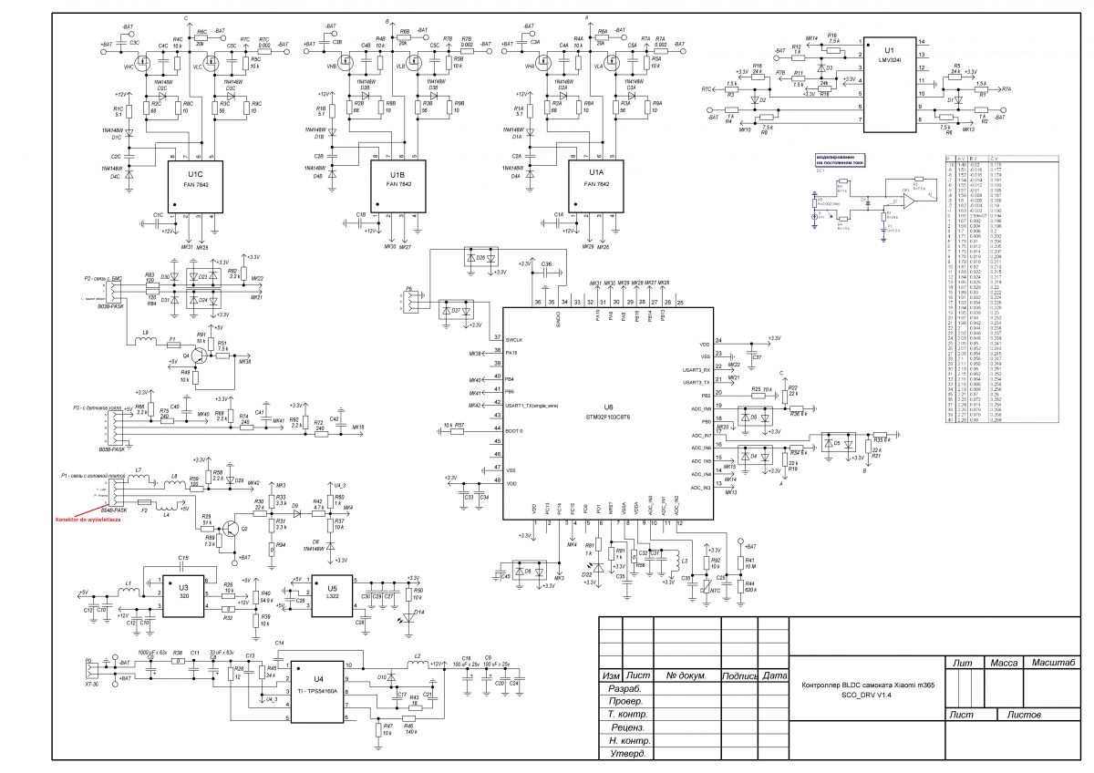
    Załączam dodatkowo znaleziony schemat płyty głównej.

    Oraz zdjęcie rzeczywiste mojej płyty gł. może ktoś się coś dopatrzy.

    Pytania i prośba o sugestie:

    Co mogło ulec uszkodzeniu i gdzie szukać? (na płytce wyświetlacza czy płycie głównej?)

    Może to jakiś kondensator, cewka, rezystor, przetwornica?

    Xiaomi m365 - Jaka być powinna wartość napięcia na zaciskach przedniej lampki?


    Xiaomi m365 - Jaka być powinna wartość napięcia na zaciskach przedniej lampki?

    Xiaomi m365 - Jaka być powinna wartość napięcia na zaciskach przedniej lampki?

    każda sugestia mile widziana.
  • REKLAMA
  • #7 19179253
    Luki8112
    Poziom 4  
    kkknc napisał:
    Tylna świeci?


    Tak, tylna świeci można ją uruchomić zarówno za pomocą przycisku na kierownicy jak i w aplikacji w telefonie.

    Poza większym napięciem i przepaloną przednią lampką wszystkie inne funkcje hulajnogi: tryby jazdy itd. działają prawidłowo.
    O szczegółach co było genezą usterki pisałem w poniższym wątku:

    https://www.elektroda.pl/rtvforum/topic3764518.html
  • #9 19200825
    Luki8112
    Poziom 4  
    W.P. napisał:
    Pomiar napięcia nie ma tu praktycznego sensu. Źródłem światła jest dioda LED, i jako taka powinna być zasilana stałym prądem.
    Służy do tego odpowiedni zasilacz impulsowy z ustaloną wartością prądu. Ponieważ elementem szeregowym wewnątrz niego jest dławik, to bez diody w jej miejscu masz wysokie napięcie.

    Trudno bez znajomości reszty układu powiedzieć czy wystarczy tylko wymiana diody. Jeśli sterownik uległ uszkodzeniu to następna dioda skończy krótkim błyskiem.

    Zacząłbym od podłączenia amperomierza z szeregowo podłączonym rezystorem w postaci np. żarówki samochodowej 5W, w miejsce diody by upewnić się, czy prąd nie osiąga kilkuamperowych wartości.
    Za prawidłowy uznałbym wartość nieprzekraczającą 0,5A.

    To wszystko to teoretyczne wynurzenia, gdyż więcej nie wiem niż wiem. Ani o wartości napięcia w instalacji, ani o rodzaju diody, ani o mocy lampki. Przedstawiłem ogólny schemat postępowania.


    Dzięki za sugestię.

    Spróbowałem i zasymulowałem zamiast nowej oryginalnej na próbę podłączyłem 4 diody szeregowo aby zasymulować diodę 2W zasilaną 6 V.

    Efekt:

    Diody się zaświeciły się i zaczęły się dymić :-/
    Oczywiście je odłączyłem aby nie spalić.

    Napięcie zasilania 37V
    Problem nierozwiązany
  • #10 19200981
    kkknc
    Poziom 43  
    Taaaa zasymulowałś. Tylko co? Zwykła dioda ma 20mA.
    Tak więc do symulacji to jeszcze ci rezystora brakło 1W 1,5k.
REKLAMA