Dzień dobry,
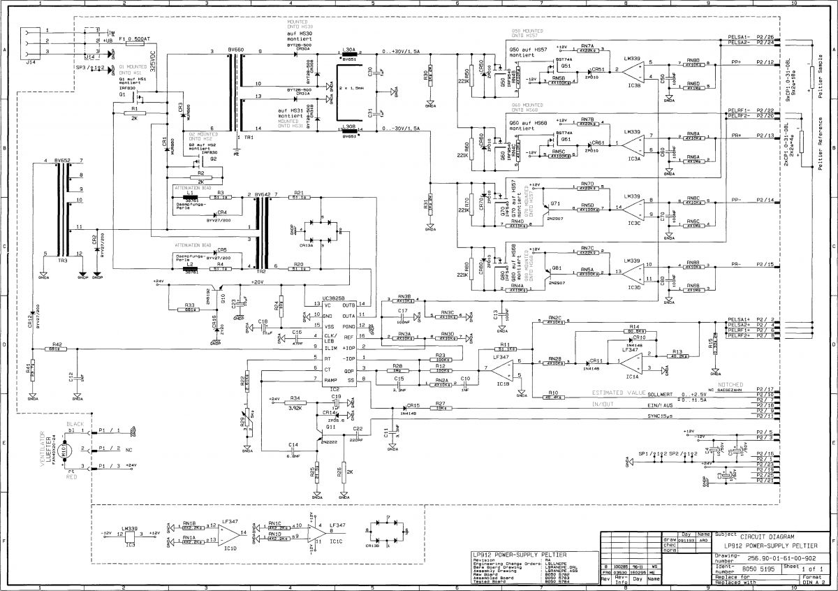
Zlecę wykonanie przetwornicy symetrycznej +/-30V, 1,5A na UC3825B wraz z 4 kluczami.
Posiadam schemat i rozkład elementów. Na schemacie opisane są wszystkie elementy. Posiadam również obrys.
Jest to sterownik ogniwa Peltiera dwukanałowy. Zastosowano symetryczne zasilanie, żeby ograniczyć ilość kluczy wymaganych do zmiany kierunku przepływu prądu. Zamiast 4 są 2 klucze na kanał.
Mile widziany ktoś z doświadczeniem w projektowaniu zasilaczy na UC3825.
Załączam schemat.
Pozdrawiam.
Zlecę wykonanie przetwornicy symetrycznej +/-30V, 1,5A na UC3825B wraz z 4 kluczami.
Posiadam schemat i rozkład elementów. Na schemacie opisane są wszystkie elementy. Posiadam również obrys.
Jest to sterownik ogniwa Peltiera dwukanałowy. Zastosowano symetryczne zasilanie, żeby ograniczyć ilość kluczy wymaganych do zmiany kierunku przepływu prądu. Zamiast 4 są 2 klucze na kanał.
Mile widziany ktoś z doświadczeniem w projektowaniu zasilaczy na UC3825.
Załączam schemat.
Pozdrawiam.
