Do zasilania niewielkich urządzeń małej mocy z sieci energetycznej często stosuje się kompaktowe zasilacze beztransformatorowe. W poniższym artykule przeanalizujemy kilka aspektów sprzętowych, a w drugiej części przyjrzymy się, jak symulować działanie takiego obwodu, by wspomóc się podczas projektowania.
Jeśli prąd pobierany przez obciążenie jest rzędu kilkudziesięciu miliamperów, możliwe jest bezproblemowe przetwarzanie wejściowego napięcia przemiennego na napięcie stałe bez konieczności stosowania nieporęcznych i drogich transformatorów. Oprócz mniejszej wagi i wymiarów, rozwiązania beztransformatorowe są również tańsze. W zależności od rodzaju obwodu zasilacze beztransformatorowe dzielą się na dwie kategorie: pojemnościowe i rezystancyjne. Przeanalizujemy poniżej cechy charakterystyczne każdego z tych typów obwodów. W artykule znajdziemy także praktyczne wskazówki, jak dobrać moc komponentów elektronicznych, których to dotyczy, do tego układu i jakie środki należy podjąć w celu poprawy bezpieczeństwa eksploatacji takiego zasilacza.
Beztransformatorowy zasilacz pojemnościowy
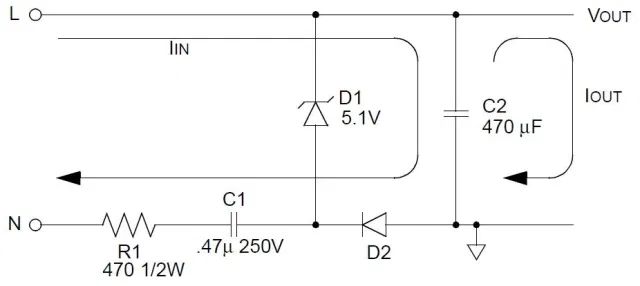
Schemat beztransformatorowego zasilacza pojemnościowego przedstawiono na rysunku 1. Wartości wskazane dla komponentów odnoszą się do konkretnego układu, a wzory pozwalające obliczyć te wartości podano poniżej. L i N oznaczają odpowiednio linię fazy i zero napięcia sieci prądu przemiennego, podczas gdy VOUT to napięcie wyjściowe z zasilacza. Prąd wyjściowy oznaczony jest IOUT.
Prąd rozruchowy (potencjalnie mogący uszkodzić komponenty zasilacza) jest ograniczony przez rezystor R1 i reaktancję kondensatora C1. D1 to dioda Zenera zapewniająca stabilizację napięcia odniesienia, natomiast dioda D2 to zwykła dioda krzemowa (prostownicza), której zadaniem jest prostowanie napięcia przemiennego.
Napięcie na obciążeniu pozostaje stałe, dopóki prąd wyjściowy IOUT jest mniejszy lub równy prądowi wejściowemu IIN, którego wartość można obliczyć jako:
$$I_{IN} = \frac {\sqrt {2V_{RMS}} - V_Z} {2 (\frac {1}{2 \times \pi \times \f \times C_1} +R_1)} \qquad (1)$$
Gdzie VZ to napięcie Zenera, VRMS to wartość skuteczna napięcia wejściowego AC, a f to jego częstotliwość. Minimalna wartość IIN powinna odpowiadać zapotrzebowaniu na moc obciążenia, a maksymalna wartość służy do doboru odpowiedniej mocy znamionowej dla każdego elementu. Napięcie wyjściowe VOUT można obliczyć jako:
$$V_{OUT} = V_Z - V_D \qquad (2)$$
Gdzie VD to napięcie polaryzacji D2 w kierunku przewodzenia - spadek napięcia na diodzie (typowo 0,6–0,7 V dla zwykłej diody krzemowej). Jeśli chodzi o R1, wskazane jest, aby dobrać element o mocy co najmniej dwukrotnie większej w stosunki do wartości teoretycznej mocy rozpraszanej na R1 (PR1), która opisana jest wzorem:
$$P_{R1} = I^2 \ times R = (V_{RMS} \times 2 \times \pi \times \f \times C_1)^2 \times R_1 \qquad (3)$$
Kondensator C1, od którego pochodzi nazwa tego typu obwodu, powinien być wybrany z napięciem co najmniej dwa razy większym niż napięcie sieci prądu przemiennego (na przykład 250 V w USA, w Polsce stosuje się typowo 400 V). Dioda D1 powinna mieć co najmniej dwukrotnie większą moc w stosunku do wartości teoretycznej określonej następującym wzorem:
$$P_{D1} = I \times V_Z \qquad (4)$$
To samo dotyczy mocy diody D2, gdzie tylko zamiast VZ można teraz zastosować stałą wartość spadku napięcia, na przykład 0,7 V dla typowej krzemowej diody prostowniczej. W przypadku C2 zwykle stosuje się kondensator elektrolityczny o napięciu co najmniej dwa razy większym niż VZ.
Główne zalety rozwiązania pojemnościowego w porównaniu z rozwiązaniem opartym na transformatorze to zmniejszony rozmiar, waga i koszty. W porównaniu z rozwiązaniem typu rezystancyjnego, przedstawionym poniżej, układ ten pozwala na uzyskanie wyższej sprawności. Wadą z kolei jest brak izolacji galwanicznej napięcia wyjściowego od sieci energetycznej oraz wyższy koszt niż rozwiązania opartego na rezystancji.
Beztransformatorowy zasilacz rezystancyjny
Schemat typowego rezystancyjnego zasilacza beztransformatorowego przedstawiono na rysunku 2. Ponownie, napięcie wyjściowe VOUT pozostaje stałe tak długo, jak prąd IOUT jest mniejszy lub równy prądowi wejściowemu IIN, z tą różnicą, że teraz ograniczenie prądu rozruchowego jest realizowane tylko przez rezystor R1. Napięcie wyjściowe VOUT można obliczyć przy użyciu tego samego wzoru, co w przypadku zasilacza pojemnościowego, natomiast prąd wejściowy IIN można teraz wyznaczyć, stosując następujący wzór:
$$I_{IN} = \frac {\sqrt {2V_{RMS} - V_Z} {2R_1} \qquad (5)$$
Podobnie jak w poprzednim przypadku, komponenty muszą być dobrane z wartością mocy co najmniej dwukrotnie wyższą od teoretycznej, którą można obliczyć stosując prawo Ohma (P = R × I^2 dla rezystora R1 i P = V × I dla diod D1 i D2). Kondensator elektrolityczny C2 należy dobrać tak jak w przypadku wersji pojemnościowej.
Zasilacz rezystancyjny ma tę zaletę, że ma mniejszy rozmiar i wagę w porównaniu z obwodem opartym na transformatorze i stanowi absolutnie najtańsze rozwiązanie zasilania sieciowego. Jednak także w tym przypadku nie ma izolacji galwanicznej od sieci prądu przemiennego, a dodatkowo sprawność jest niższa niż w rozwiązaniu pojemnościowym.
Jak zwiększyć bezpieczeństwo
Obydwa proponowane układy mają swoje ograniczenia: są pozbawione jakiejkolwiek izolacji i ochrony przed napięciem sieciowym, co stanowi poważny problem bezpieczeństwa dla użytkownika. Jednakże, dzięki niewielkim modyfikacjom możliwe jest dostosowanie obydwu przedstawionych obwodów do realnego użytku i zapewnienie spełniania minimalnych norm bezpieczeństwa. Modyfikacje pokazane są na rysunku 3 i obejmują:
* Dodanie bezpiecznika chroniącego przed nadmiernym prądem wejściowym;
* Dodanie warystora chroniącego przed stanami nieustalonymi;
* Rezystor R2 (R3) połączony równolegle z C1 (C3) w celu poprawy odporności elektromagnetycznej;
* Podzielenie R1 na dwa rezystory R1 i R2 w celu zapewnienia lepszej ochrony przed stanami przejściowymi napięcia oraz zapobiegania powstawaniu łuków elektrycznych (tylko dla obwodu rezystancyjnego).
Źródło: Link
Jeśli prąd pobierany przez obciążenie jest rzędu kilkudziesięciu miliamperów, możliwe jest bezproblemowe przetwarzanie wejściowego napięcia przemiennego na napięcie stałe bez konieczności stosowania nieporęcznych i drogich transformatorów. Oprócz mniejszej wagi i wymiarów, rozwiązania beztransformatorowe są również tańsze. W zależności od rodzaju obwodu zasilacze beztransformatorowe dzielą się na dwie kategorie: pojemnościowe i rezystancyjne. Przeanalizujemy poniżej cechy charakterystyczne każdego z tych typów obwodów. W artykule znajdziemy także praktyczne wskazówki, jak dobrać moc komponentów elektronicznych, których to dotyczy, do tego układu i jakie środki należy podjąć w celu poprawy bezpieczeństwa eksploatacji takiego zasilacza.
Beztransformatorowy zasilacz pojemnościowy
Schemat beztransformatorowego zasilacza pojemnościowego przedstawiono na rysunku 1. Wartości wskazane dla komponentów odnoszą się do konkretnego układu, a wzory pozwalające obliczyć te wartości podano poniżej. L i N oznaczają odpowiednio linię fazy i zero napięcia sieci prądu przemiennego, podczas gdy VOUT to napięcie wyjściowe z zasilacza. Prąd wyjściowy oznaczony jest IOUT.
Prąd rozruchowy (potencjalnie mogący uszkodzić komponenty zasilacza) jest ograniczony przez rezystor R1 i reaktancję kondensatora C1. D1 to dioda Zenera zapewniająca stabilizację napięcia odniesienia, natomiast dioda D2 to zwykła dioda krzemowa (prostownicza), której zadaniem jest prostowanie napięcia przemiennego.
Napięcie na obciążeniu pozostaje stałe, dopóki prąd wyjściowy IOUT jest mniejszy lub równy prądowi wejściowemu IIN, którego wartość można obliczyć jako:
$$I_{IN} = \frac {\sqrt {2V_{RMS}} - V_Z} {2 (\frac {1}{2 \times \pi \times \f \times C_1} +R_1)} \qquad (1)$$
Gdzie VZ to napięcie Zenera, VRMS to wartość skuteczna napięcia wejściowego AC, a f to jego częstotliwość. Minimalna wartość IIN powinna odpowiadać zapotrzebowaniu na moc obciążenia, a maksymalna wartość służy do doboru odpowiedniej mocy znamionowej dla każdego elementu. Napięcie wyjściowe VOUT można obliczyć jako:
$$V_{OUT} = V_Z - V_D \qquad (2)$$
Gdzie VD to napięcie polaryzacji D2 w kierunku przewodzenia - spadek napięcia na diodzie (typowo 0,6–0,7 V dla zwykłej diody krzemowej). Jeśli chodzi o R1, wskazane jest, aby dobrać element o mocy co najmniej dwukrotnie większej w stosunki do wartości teoretycznej mocy rozpraszanej na R1 (PR1), która opisana jest wzorem:
$$P_{R1} = I^2 \ times R = (V_{RMS} \times 2 \times \pi \times \f \times C_1)^2 \times R_1 \qquad (3)$$
Kondensator C1, od którego pochodzi nazwa tego typu obwodu, powinien być wybrany z napięciem co najmniej dwa razy większym niż napięcie sieci prądu przemiennego (na przykład 250 V w USA, w Polsce stosuje się typowo 400 V). Dioda D1 powinna mieć co najmniej dwukrotnie większą moc w stosunku do wartości teoretycznej określonej następującym wzorem:
$$P_{D1} = I \times V_Z \qquad (4)$$
To samo dotyczy mocy diody D2, gdzie tylko zamiast VZ można teraz zastosować stałą wartość spadku napięcia, na przykład 0,7 V dla typowej krzemowej diody prostowniczej. W przypadku C2 zwykle stosuje się kondensator elektrolityczny o napięciu co najmniej dwa razy większym niż VZ.
Główne zalety rozwiązania pojemnościowego w porównaniu z rozwiązaniem opartym na transformatorze to zmniejszony rozmiar, waga i koszty. W porównaniu z rozwiązaniem typu rezystancyjnego, przedstawionym poniżej, układ ten pozwala na uzyskanie wyższej sprawności. Wadą z kolei jest brak izolacji galwanicznej napięcia wyjściowego od sieci energetycznej oraz wyższy koszt niż rozwiązania opartego na rezystancji.
Beztransformatorowy zasilacz rezystancyjny
Schemat typowego rezystancyjnego zasilacza beztransformatorowego przedstawiono na rysunku 2. Ponownie, napięcie wyjściowe VOUT pozostaje stałe tak długo, jak prąd IOUT jest mniejszy lub równy prądowi wejściowemu IIN, z tą różnicą, że teraz ograniczenie prądu rozruchowego jest realizowane tylko przez rezystor R1. Napięcie wyjściowe VOUT można obliczyć przy użyciu tego samego wzoru, co w przypadku zasilacza pojemnościowego, natomiast prąd wejściowy IIN można teraz wyznaczyć, stosując następujący wzór:
$$I_{IN} = \frac {\sqrt {2V_{RMS} - V_Z} {2R_1} \qquad (5)$$
Podobnie jak w poprzednim przypadku, komponenty muszą być dobrane z wartością mocy co najmniej dwukrotnie wyższą od teoretycznej, którą można obliczyć stosując prawo Ohma (P = R × I^2 dla rezystora R1 i P = V × I dla diod D1 i D2). Kondensator elektrolityczny C2 należy dobrać tak jak w przypadku wersji pojemnościowej.
Zasilacz rezystancyjny ma tę zaletę, że ma mniejszy rozmiar i wagę w porównaniu z obwodem opartym na transformatorze i stanowi absolutnie najtańsze rozwiązanie zasilania sieciowego. Jednak także w tym przypadku nie ma izolacji galwanicznej od sieci prądu przemiennego, a dodatkowo sprawność jest niższa niż w rozwiązaniu pojemnościowym.
Jak zwiększyć bezpieczeństwo
Obydwa proponowane układy mają swoje ograniczenia: są pozbawione jakiejkolwiek izolacji i ochrony przed napięciem sieciowym, co stanowi poważny problem bezpieczeństwa dla użytkownika. Jednakże, dzięki niewielkim modyfikacjom możliwe jest dostosowanie obydwu przedstawionych obwodów do realnego użytku i zapewnienie spełniania minimalnych norm bezpieczeństwa. Modyfikacje pokazane są na rysunku 3 i obejmują:
* Dodanie bezpiecznika chroniącego przed nadmiernym prądem wejściowym;
* Dodanie warystora chroniącego przed stanami nieustalonymi;
* Rezystor R2 (R3) połączony równolegle z C1 (C3) w celu poprawy odporności elektromagnetycznej;
* Podzielenie R1 na dwa rezystory R1 i R2 w celu zapewnienia lepszej ochrony przed stanami przejściowymi napięcia oraz zapobiegania powstawaniu łuków elektrycznych (tylko dla obwodu rezystancyjnego).
Źródło: Link
Fajne? Ranking DIY
