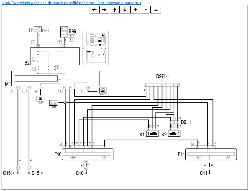
Witam. Dokładałem do swojej alfy 147 oryginalne ksenony. Kupiłem cały zestaw łącznie z poziomowaniem i spryskiwaczami lamp. Poskładałem i mam problem z samopoziomowaniem. Program diagnostyczny nie jest w stanie się połączyć z lampą, żeby wykonać kalibrację czujników i system zaczął działać. Instalację robiłem wg tego schematu. Kable podłączone pod body computer. Macie może jakieś pomysły? 