logo elektroda
logo elektroda
X
logo elektroda
REKLAMA
REKLAMA
Adblock/uBlockOrigin/AdGuard mogą powodować znikanie niektórych postów z powodu nowej reguły.

Peugeot 206 cc 1.6 16v 2003r - Brak świateł mijania

Zbyszek5612 11 Lut 2021 10:43 9033 30
REKLAMA
  • #1 19248634
    Zbyszek5612
    Poziom 5  
    Koledzy auto stało 3 miesiące, po odpaleniu światła zwariowały.
    Brak jest światła mijania pasażera oraz przy włączeniu lewego kierunkowskazu trzecie światło stopu mruga razem z kierunkowskazem.
    Klikacz od kierunkowskazu ma przyspieszoną prędkość jakby podwójnie słychać dźwięk klikania.

    Do tej pory sprawdziłem:
    -bezpieczniki od świateł mijania bo są tam dwa obwody niezależne
    -sprawdziłem dokładnie całą lampę przednią wtyczki wraz z łączeniem masy pod lampą
    -sprawdziłem tylną lampę jeden pin był zaśniedziały wyczyściłem i popsikałem kontaktem to samo zrobiłem z wtyczką sprawdziłem też masę tylnej lampy jest ok masa orii zalana lakierem.
    -wszystkie żarówki
    Czy jakiś inny układ elektryczny może wpływać na pracę świateł?

    Jak ma ktoś jakieś rady to proszę o informację.
  • REKLAMA
  • Pomocny post
    #2 19248675
    Fazi
    Poziom 17  
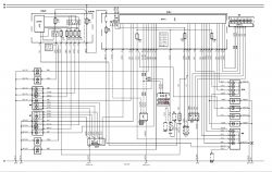
    Tu masz schemat:
    Peugeot 206 cc 1.6 16v 2003r - Brak świateł mijania

    Wynika z niego że jeśli nie działa mijania prawe to tylko masa, kabel do skrzynki albo bezpiecznik F12
  • #3 19248692
    Zbyszek5612
    Poziom 5  
    Fazi napisał:
    Tu masz schemat:
    Peugeot 206 cc 1.6 16v 2003r - Brak świateł mijania

    Wynika z niego że jeśli nie działa mijania prawe to tylko masa, kabel do skrzynki albo bezpiecznik F12


    Dziękuje za informację. Jutro się za to zabiorę, a masz pomysł jak naprawić światła tylne?
  • Pomocny post
    #4 19248732
    Fazi
    Poziom 17  
    Trzecie światło stopu to na tym schemacie H85, widać że wisi na jednym bezpieczniku F21 z lewą lampą stop. Sprawdź czy to się zgadza u Ciebie na aucie. Może są złe żarówki wsadzone do lampy i w lampie zwarcie powoduje zasilenie środkowego stop...?
  • REKLAMA
  • #5 19248909
    Zbyszek5612
    Poziom 5  
    Fazi napisał:
    Trzecie światło stopu to na tym schemacie H85, widać że wisi na jednym bezpieczniku F21 z lewą lampą stop. Sprawdź czy to się zgadza u Ciebie na aucie. Może są złe żarówki wsadzone do lampy i w lampie zwarcie powoduje zasilenie środkowego stop...?

    Dzięki za info jutro posprawdzam;).
  • REKLAMA
  • #6 19251687
    Zbyszek5612
    Poziom 5  
    Sprawdziłem wzrokowo wszystkie bezpieczniki ze skrzynki są ok.Jutro zajrzę do wiązki.
    Czy w ostateczności mogę odwalić druciarstwo i na kilka tygodni pociągnąć zasilanie z drugiej lampy? Instalacja utrzyma dwie żarówki ?
  • #7 19253358
    Zbyszek5612
    Poziom 5  
    Fazi napisał:
    Trzecie światło stopu to na tym schemacie H85, widać że wisi na jednym bezpieczniku F21 z lewą lampą stop. Sprawdź czy to się zgadza u Ciebie na aucie. Może są złe żarówki wsadzone do lampy i w lampie zwarcie powoduje zasilenie środkowego stop...?


    Powiedz mi jakie objawy daje uszkodzony przełącznik zespolony czy on może wpływać na nie działające jedno światło mijania lewa/prawa strona lub na szalejące kierunki? Dźwignia kierunków jest bardzo luźna.
    Dzisiaj sprawdziłem bezpiecznik F21 jest ok. Światła drogowe są na jednej masie ze światłami mijania i w tej lampie drogowe działają a mijania brak. Wtyczki w lampie sprawdzone każda osobno wszystko działa.
    Wygląda na to że nie ma zasilania. Wiesz może gdzie jest początek instalacji od zasilania świateł?
  • Pomocny post
    #8 19253413
    Jurek220
    Poziom 31  
    Sprawdź bezpiecznik w BSM od prawego światła mijania czy jest na nim napięcie w momencie łączenia światem mijania.
    Pozdr.
  • #9 19253746
    Zbyszek5612
    Poziom 5  
    Ok,jutro po południu sprawdzę.
  • REKLAMA
  • #10 19258592
    Zbyszek5612
    Poziom 5  
    Jurek220 napisał:
    Sprawdź bezpiecznik w BSM od prawego światła mijania czy jest na nim napięcie w momencie łączenia światem mijania.
    Pozdr.


    Na świetle kierowcy jest napięcie na świetle pasażera na bezpieczniku nie ma napięcia. Coś nam to pomoże w nakierowaniu? Coś czuję że to BSI umiera? Bo kierunki zwariowały i przednia lampa nie świeci(brak napięcia).
  • Pomocny post
    #11 19258918
    Jurek220
    Poziom 31  
    Zbyszek5612 napisał:
    Jurek220 napisał:
    Sprawdź bezpiecznik w BSM od prawego światła mijania czy jest na nim napięcie w momencie łączenia światem mijania.
    Pozdr.


    Na świetle kierowcy jest napięcie na świetle pasażera na bezpieczniku nie ma napięcia. Coś nam to pomoże w nakierowaniu? Coś czuję że to BSI umiera? Bo kierunki zwariowały i przednia lampa nie świeci(brak napięcia).

    Pomoże oczywiście.
    Po włączeniu świateł mijania ma być napięcie na bezpieczniku 9 i 10
    Oba są od mijania. 9 od lewej lampy a 10 od prawej.
    Testowo na zasilaniu tych bezpieczników można zrobić zworę i sprawdzić czy zaświeci druga lampa.
    Pozdr.
  • #12 19259007
    Zbyszek5612
    Poziom 5  
    Jurek220 napisał:
    Zbyszek5612 napisał:
    Jurek220 napisał:
    Sprawdź bezpiecznik w BSM od prawego światła mijania czy jest na nim napięcie w momencie łączenia światem mijania.
    Pozdr.


    Na świetle kierowcy jest napięcie na świetle pasażera na bezpieczniku nie ma napięcia. Coś nam to pomoże w nakierowaniu? Coś czuję że to BSI umiera? Bo kierunki zwariowały i przednia lampa nie świeci(brak napięcia).

    Pomoże oczywiście.
    Po włączeniu świateł mijania ma być napięcie na bezpieczniku 9 i 10
    Oba są od mijania. 9 od lewej lampy a 10 od prawej.
    Testowo na zasilaniu tych bezpieczników można zrobić zworę i sprawdzić czy zaświeci druga lampa.
    Pozdr.


    Jeżeli to pomoże i lampa się zaświeci to gdzie szukać dalej?
  • #13 19259429
    Jurek220
    Poziom 31  
    Zbyszek5612 napisał:


    Jeżeli to pomoże i lampa się zaświeci to gdzie szukać dalej?

    Najbardziej prawdopodobne jest to że właśnie masz tam spalony bezpiecznik.
    Pozdr.
  • #14 19259441
    Zbyszek5612
    Poziom 5  
    Jurek220 napisał:
    Zbyszek5612 napisał:


    Jeżeli to pomoże i lampa się zaświeci to gdzie szukać dalej?

    Najbardziej prawdopodobne jest to że właśnie masz tam spalony bezpiecznik.
    Pozdr.


    Tylko ja zmierzyłem napięcie na pinie bezpiecznika po jego wyjęciu z gniazda i na prawej lampie na gnieździe bezpiecznika napięcia brak.
  • #15 19259650
    Jurek220
    Poziom 31  
    Zbyszek5612 napisał:

    Tylko ja zmierzyłem napięcie na pinie bezpiecznika po jego wyjęciu z gniazda i na prawej lampie na gnieździe bezpiecznika napięcia brak.

    Rozumiem ok.
    Jeśli zrobisz jak pisałem i lampa zaświeci to zdemontuj BSM i rozbierz go,zobaczymy co się stało w środku.
    Pozdr.
  • #16 19260766
    Zbyszek5612
    Poziom 5  
    Jurek220 napisał:
    Zbyszek5612 napisał:

    Tylko ja zmierzyłem napięcie na pinie bezpiecznika po jego wyjęciu z gniazda i na prawej lampie na gnieździe bezpiecznika napięcia brak.

    Rozumiem ok.
    Jeśli zrobisz jak pisałem i lampa zaświeci to zdemontuj BSM i rozbierz go,zobaczymy co się stało w środku.
    Pozdr.


    Brak światła po zrobieniu zwory pomiędzy bezpiecznikami. Jak podać osobny plus na lampę tak samo jak zworkę w bezpiecznikach?

    Peugeot 206 cc 1.6 16v 2003r - Brak świateł mijania
  • #17 19262636
    Jurek220
    Poziom 31  
    Zwora testowo ok.
    Powinna lampa zaświecić jak żarówka nieprzepalona
    Sprawdzić przyrządem czy od bezpiecznika jest przejście do żarówki.
    Pozdr.
  • #18 19263733
    Zbyszek5612
    Poziom 5  
    Jurek220 napisał:
    Zwora testowo ok.
    Powinna lampa zaświecić jak żarówka nieprzepalona
    Sprawdzić przyrządem czy od bezpiecznika jest przejście do żarówki.
    Pozdr.


    Rozebrałem BSM ewidentnie brak napięcia na bezpieczniki i brak przejścia na zarowke. Jak zdemontować górną obudowę. Płytka jest wlutowana na obudowę do tych blaszek pod bezpieczniki czy sklejona klejem? Peugeot 206 cc 1.6 16v 2003r - Brak świateł mijania
  • #19 19263982
    Jurek220
    Poziom 31  
    Jak dolna zeszła to i górna ma się dać zdemontować,na pewno nigdzie nie jest przykręcana.Nawet bezpieczniki jej nie trzymają.
    Pozdr.
  • #20 19264106
    Zbyszek5612
    Poziom 5  
    Jurek220 napisał:
    Jak dolna zeszła to i górna ma się dać zdemontować,na pewno nigdzie nie jest przykręcana.Nawet bezpieczniki jej nie trzymają.
    Pozdr.


    Znalazłem na francuskim forum informacje są dwa sposoby albo wycięcie plastiku tam gdzie są wtyczki i bezpieczniki , lub odlutowanie wszystkich nóżek wtyczek i bezpieczników w tedy płytka zejdzie.
  • #21 19264638
    Jurek220
    Poziom 31  
    No nie spotkałem takiego bsm3 żeby górna pokrywa nie odeszła,ale w zasadzie to ci nie powinno przeszkadzać. Sprawdź przyrządem do którego przekaźnika idą ścieżki od tych bezpieczników.
    Pozdr.
  • #22 19264811
    Fazi
    Poziom 17  
    Coś tu jest nie tak chłopaki. Jeśli robimy zworę na bezpiecznikach ( czego ja nie polecam i staram się unikać) to :
    - jeśli się zaświeci lampa to mamy problem w BSM
    - jeśli się nie zaświeci lampa to problem jest w wiązce albo w lampie, a BSM póki co nie ma po co rozbierać.

    A tu słyszę że lampa się nie zaświeciła i zaczynacie rozbierać BSM....
  • #23 19265030
    Jurek220
    Poziom 31  
    Proszę przeczytaj post #10 autora i odnieść się do niego.
    Pozdr.
  • #24 19265213
    Fazi
    Poziom 17  
    Ok, a w poście #16 jest że światło nie świeci po zrobieniu zwory. Kręcimy się w kółeczko...

    Może niech autor tematu jeszcze raz po kolei posprawdza co działa co nie działa...
  • #25 19266027
    Zbyszek5612
    Poziom 5  
    Koledzy dzisiaj wybebeszyłem prawą stronę pod akumulatorem, znalazłem jedynie jakieś pojedyncze przewody wpinane do instalacji samochodowej od instalacji LPG. Znalazłem również taki emulator, który jest kompletnie spalony. Instalacja LPG działa normalnie. Czy ten emulator może wpływać na oświetlenie samochodu?

    Peugeot 206 cc 1.6 16v 2003r - Brak świateł mijania Peugeot 206 cc 1.6 16v 2003r - Brak świateł mijania Peugeot 206 cc 1.6 16v 2003r - Brak świateł mijania Peugeot 206 cc 1.6 16v 2003r - Brak świateł mijania
  • #26 19266994
    Jurek220
    Poziom 31  
    Zbyszek5612 napisał:
    Koledzy dzisiaj wybebeszyłem prawą stronę pod akumulatorem, znalazłem jedynie jakieś pojedyncze przewody wpinane do instalacji samochodowej od instalacji LPG. Znalazłem również taki emulator, który jest kompletnie spalony. Instalacja LPG działa normalnie. Czy ten emulator może wpływać na oświetlenie samochodu?

    No niema takiej możliwości by ten emulator miał cokolwiek wspólnego.
    Pozdr.
  • #27 19267849
    Zbyszek5612
    Poziom 5  
    Koledzy BSM podmienione, brak napięcia na bezpieczniku od świateł mijania auto odpala wszystko działa.
    BSM można podmieniać bez wcześniejszego programowania itp. Dzwoniłem do serwisów ale to kłamczuchy każdy chciał pieniądze za programowanie co za świat ... dobrze że są życzliwi ludzie i podzielą się wiedzą bez dwustu złoty masakra.

    Czy ktoś orientuje się gdzie w peugeot 206 gniją wiązki elektryczne? Lub czy ktoś zna jakiś sposób jak znaleźć uszkodzoną wiązkę?
    Z góry silnika wzrokowo nic nie widać pod spodem wiązka położona jest między przednimi sankami, gdzieś w okolicy półosi dostęp tam jest kiepski.
  • #28 19269092
    Fazi
    Poziom 17  
    I znów coś mi nie pasuje. Skoro działa jedno światło a drugie nie to znaczy że przekaźnik w BSM załącza prawidłowo. Linie rozdzielają się za przekaźnikiem i idą na dwa bezpieczniki. Zwarcie obu bezpieczników powinno zapalić oba światła. Jeśli nie zapala to problem jest we wiązce lub w lampie. Sprawdzenie wiązki to pomiar omomierzem kabla pomiędzy BSM a wtyczką lampy, ewentualnie sprawdzenie kabla pod obciążeniem podając +12V przez dodatkowy bezpiecznik na wypiętej wtyczce w BSM - lampa powinna świecić, jeśli nie mierzymy napięcie na wtyczce lampy - jeśli jest +12V to problem w lampie. Zresztą jest wiele wariacji jak przeprowadzić taki test.
    W Peugeocie 206 faktycznie są problemy z wiązką, ale chodzi o wiązkę silnikową w okolicach rozrządu - tam bywają uszkodzenia, ale nie są związane z lampami.
    Wydaje mi się że tego rodzaju problem przeciętny elektryk ogarnie w pół godzinki, może warto poprosić aby ktoś spojrzał na to świeżym okiem , bez programowania BSM ani innych póki co zbędnych ruchów.
  • #29 19276045
    Zbyszek5612
    Poziom 5  
    Koledzy problemem braku napięcia na bezpieczniku w bsm było zwarcie w instalacji.
    Gdy zacząłem przetrząsać instalacje na bezpieczniku pojawiło się napięcie około 4v, to już wiedziałem że jestem w domciu. We wkładzie lampy od wewnętrznej strony dochodziło do zwarcia wywoływał je załamany przewód. Gdy sprawdzałem wiązki przewodów w lampie na ciągłość obwodu było wszystko ok. Nie pomyślałem że przewody mogą mieć zwarcie. Moduł BSM B3 podmieniałem bo i tak miałem problem z centralnym zamkiem. Peugeot 206 cc 1.6 16v 2003r - Brak świateł mijania

    Moderowany przez gulson:

    Raport: Zwarcie w lampie i bezpiecznika w BSM nie paliło a napięcie na nim znikało?

  • #30 19276533
    Fazi
    Poziom 17  
    Zwarcie powinno spalić bezpiecznik... Te 4V to nie wiem skąd się bierze, chyba gdzieś z boku, normalne zasilenie lampy przez przekaźnik powinno dać 12V. Świeci już ta lampa?

Podsumowanie tematu

Użytkownik zgłosił problem z brakiem świateł mijania w Peugeot 206 CC z 2003 roku, po dłuższym postoju pojazdu. Po sprawdzeniu bezpieczników, lamp, oraz masy, zidentyfikowano, że problem może leżeć w module BSM (moduł sterujący). Użytkownik podjął różne kroki diagnostyczne, w tym sprawdzenie napięcia na bezpiecznikach oraz testowanie połączeń. Ostatecznie, problem okazał się być spowodowany zwarciem w instalacji elektrycznej, co prowadziło do braku napięcia na bezpieczniku. Po naprawie zwarcia, światła zaczęły działać poprawnie.
Podsumowanie wygenerowane przez model językowy.
REKLAMA