logo elektroda
logo elektroda
X
logo elektroda
REKLAMA
REKLAMA
Adblock/uBlockOrigin/AdGuard mogą powodować znikanie niektórych postów z powodu nowej reguły.

Dlaczego w M54b22 falują obroty i czy błąd sumy kontrolnej to wina nieciągłości?

Salmantopman 23 Lut 2021 17:35 621 9
REKLAMA
  • #1 19277251
    Salmantopman
    Poziom 11  
    Witam, mam problem podobny do opisywanych na forum, a mianowicie falowanie obrotów. Przepustnica czyszczona, świece wymienione, cewki też, podciśnienia, separator oleju, DISA sprawną. Adaptacja przepustnicy nie może zostać zakończona przez błąd sumy kontrolnej, a moje pytanie brzmi czy błąd sumy kontrolnej może wynikać z nie ciągłości połączeń na płycie komputera, gdyż był też błąd gniazda ABS i zniknął po przelutowaniu gniazda w ECU
  • REKLAMA
  • #2 19277393
    manta
    VIP Zasłużony dla elektroda
    Suma kontrolna=wysypany soft.
  • REKLAMA
  • #3 19282317
    Salmantopman
    Poziom 11  
    Rozumiem że trzeba będzie wgrać soft, tylko ciekawi mnie czy nowy soft nie ulegnie ponownie uszkodzeniu, gdyż po wyjęciu bezpiecznika od gazu auto przestało falować na obrotach po włożeniu z powrotem zaczynają się znowu cuda a komputer gazu jest wpięty w wiązkę przy ECU
  • REKLAMA
  • #4 19282424
    ladamaniac
    Poziom 40  
    Soft najczęściej wysypuje się po tuningu (źle policzone CRC) albo od spadków napięcia, najczęściej typu powolne rozładowanie akumulatora do bardzo niskich napięć. Gaz nie jest w stanie uszkodzić softu. Może rozjechać adaptację. Jeśli po wyjęciu bezpiecznika od gazu jest ok, to do ogarnięcia jest instalacja gazowa. Kontrola wiązek, bankowania, czy regulacji LPG.
  • REKLAMA
  • #5 19282511
    Salmantopman
    Poziom 11  
    Posprawdzam wiązki i dam znać, dziwi mnie że dużo przewodów ma rozciętą izolację, tak wygląda jakby podłączali gaz na chybił trafił ogólnie instalacja w nieładzie i 3 przewody od ECU są odcięte , ale nie mam pojęcia gdzie były podpięte
  • #6 19282926
    ladamaniac
    Poziom 40  
    W sumie spotkałem się kiedyś z błędem sumy kontrolnej gdy nie było stałego zasilania sterownika, ktoś "uciął pamięć". Sprawdź czy masz wszystkie plusy, w szczególności stałe.
  • #7 19282932
    Salmantopman
    Poziom 11  
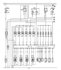
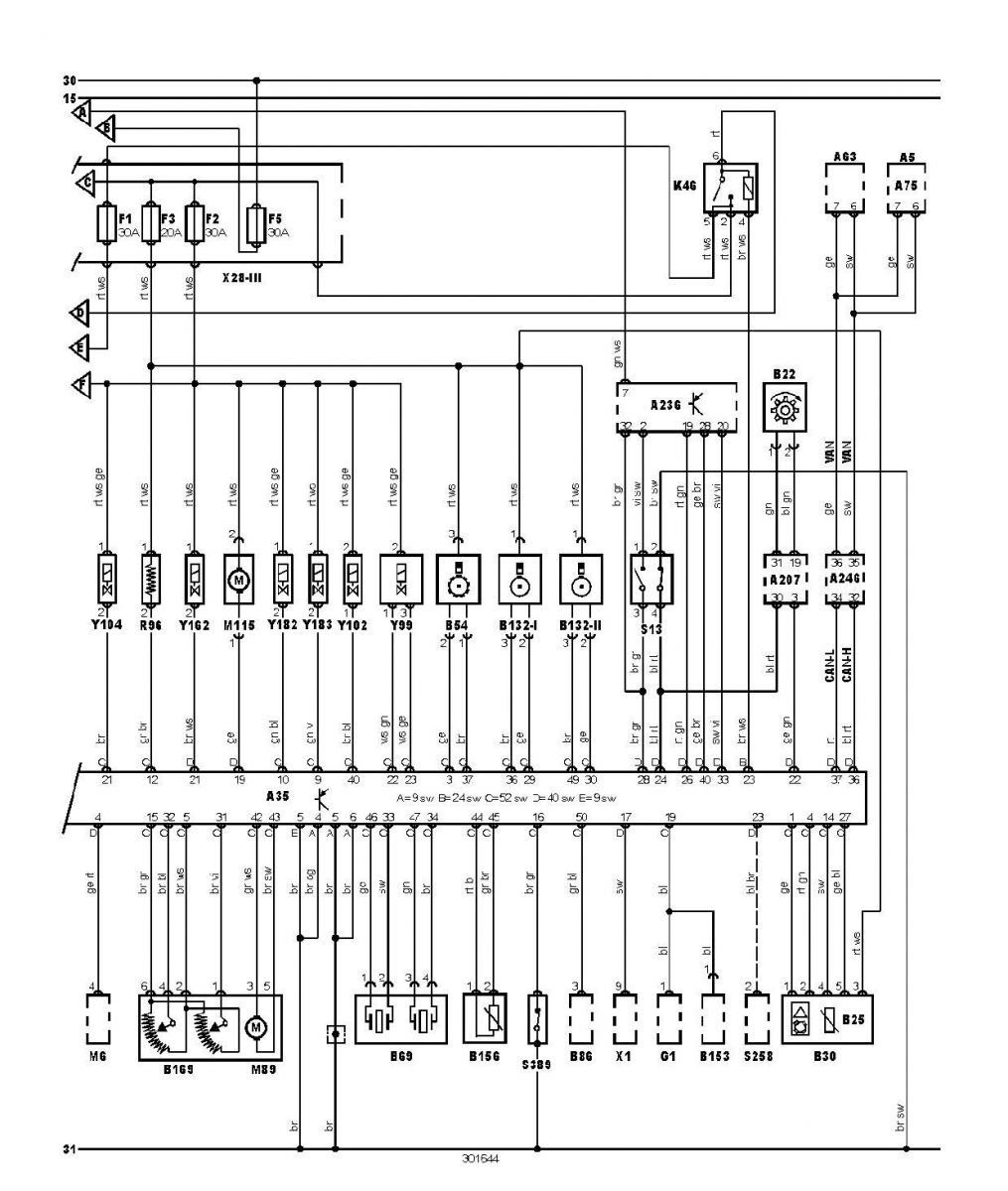
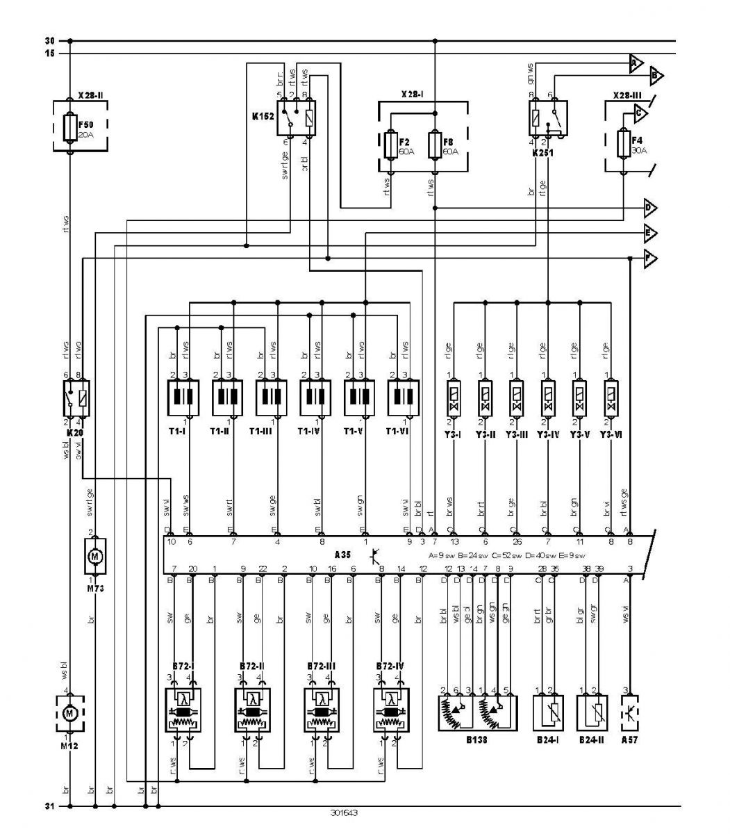
    Mam jeszcze pytanie czy dysponuje ktoś z was może schematem wyprowadzeń tego ECU?
  • #9 19283697
    Salmantopman
    Poziom 11  
    Więc to jest m5, e60, 2.2, rok komputera 2003r, programu 2004r, to jest siemens
REKLAMA