logo elektroda
logo elektroda
X
logo elektroda
REKLAMA
REKLAMA
Adblock/uBlockOrigin/AdGuard mogą powodować znikanie niektórych postów z powodu nowej reguły.

Daewoo Lanos SX - Przekaźnik rozładowuje akumulator

rnb_bolii 25 Lut 2021 20:20 846 5
REKLAMA
  • #1 19282246
    rnb_bolii
    Poziom 39  
    Witam. Przekaźnik "G" (skrzynka pod maską) szyb dostaje cały czas napięcie na cewke, nawet po wyjęciu klucza ze stacyjki i pobór prądu jest 130mA przez co rozładowuje akumulator. Po wyjęciu przekaźnika spada do 20mA. Szyby działają prawidłowo, czyli po przekręceniu stacyjki.
    Gdzie szukać przyczyny? Od biedy mogę podłączyć zasilanie przekaźnika gdzie indziej po stacyjce, ale wolę najpierw znaleść usterkę.
  • REKLAMA
  • REKLAMA
  • Pomocny post
    #3 19282367
    g107r
    Poziom 41  
    rnb_bolii napisał:
    Od biedy mogę podłączyć zasilanie przekaźnika gdzie indziej po stacyjce
    Chyba już jest, sprawdź kostkę stacyjki i bezpieczniki z tyłu.
    Daewoo Lanos SX - Przekaźnik rozładowuje akumulator

    Dodano po 5 [minuty]:

    rnb_bolii napisał:
    Szyby działają prawidłowo, czyli po przekręceniu stacyjki.
    :?:
    Na innym przekaźniku też ma taki pobór?
    Jak niewłączony przekaźnik pobiera prąd?
  • REKLAMA
  • #4 19282757
    rnb_bolii
    Poziom 39  
    Witam. Cewka przekaźnika G po podpięciu akumulatora dostaje napięcie. I ten przekaźnik jest cały czas zasialny, jego uzwojenie ma zasilanie non stop, co powoduje rozładownie akumulatra. O zwory robocze przekaźnika nie pytam. Nie wiem czemu ten przekaźnik jest zasilony. Powinien być rozłączony, być w stanie spoczynku.
    A z tego co dodam, to wiązka obok kierowcy przy progu jest w trochę w złym stanie. To widziałem dziś, ale nic jeszcze tam nie grzebałem, ponieważ kolega potrzebuje wozidła. Więc to tak na szybko było. A i jeszcze nie świeci światło wnętrza.
  • REKLAMA
  • Pomocny post
    #5 19283217
    g107r
    Poziom 41  
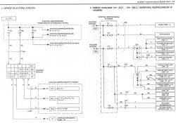
    Nie pytam o sklejanie przekaźnika, bo by szyby działały bez zapłonu, tylko czy jego pin 86 nie jest cały czas pod prądem, bo mi tu najbardziej pasuje walnięty przekaźnik.
    Stacyjka zasila cewkę przekaźnika (+86, stały - 85), po jej wyłączeniu nie powinno być zasilania cewki.
    A jest, bo wraz ze "zniknięciem" przekaźnika, znika też upływ prądu.

    Jak widać na wcześniejszym schemacie włącznika zapłonu, ten styk załącza się po włączeniu, ale również rozłącza się podczas pracy rozrusznika, i znowu załącza... (I tu się psuje kostka stacyjki, nie wraca zasilanie, więc co sprytniejsi, wtedy podłączają się w inne miejsce.)
    Jeśli jednak jest fabrycznie, to stacyjka jednak nie wyłącza tego pinu, lub jest zwarcie w przekaźniku (pomiędzy pinami 30-86), bo pin 30 przekaźnika stale zasilany jest z akumulatora.
    Albo jest upływ w samej kostce stacyjki.

    Inny schemacik.
    Daewoo Lanos SX - Przekaźnik rozładowuje akumulator
    Wg rys. na tych bezpiecznikach też będzie napięcie? Z włożonym, jak i wyjętym przekaźnikiem?
    To ta sama linia 15A z kostki stacyjki, więc na reszcie też powinno być to, co na przekaźniku szyb. To miernikiem, bo przyjmuję, że napięcie jest niższe, niż potrzebne do włączenia przekaźnika i zadziałania szyb.

    Bezpieczniki eF4, lub eF5. Z jednym z nich może być ten upływ.
    Złącze S101, upływ na pinach 1-3 z 4-6, czyli (znowu) pomiędzy pinami 30-86 przekaźnika... S101 jest czarną kosteczką w skrzynce przy silniku, na dole pomiędzy dużym bezp. i przekaźnikiem pompy paliwa.
    Ale jej pewnie nie wyjmowałeś, tylko przekaźnik.
    Wiązki "na progu" też się same bez przekaźnika nie "odzwierają", bo wyjmujesz go ze skrzynki przy silniku i "progiem nie ruszasz"...
    Mnie wypada na przekaźnik, lub pod nim.
    Bo tak, to nie wiem.
    http://daewooforum.pl/temat81859.html

    Opcja inna, szyby były dokładane, ktoś dorobił instalację wg siebie, schematy pasują zasadą działania, i bez grzebania nic nie znajdzie...
    Mamy inne schematy, robisz za nowego Lanosa...
    .
    rnb_bolii napisał:
    A i jeszcze nie świeci światło wnętrza.

    Całkowicie?
    Z typowych, to żarówka i sama lampka do sprawdzenia, chyba im tam śniedziały czasem jakieś styki.
    Na wtyczce jest plus i dwie masy, jedna z krańcówek?
    Bagażnik świeci?
    Bezpiecznik?
    Brak, lub spalona dioda D8 - nie świeci na otwartych drzwiach, ale lampkę można ręcznie włączyć.
    Krańcówki, ich śrubki :(
    Coś brzęczy, świeci?
  • #6 19297743
    rnb_bolii
    Poziom 39  
    Witam. Dziękuje Wam. Wszystko sprawdze. Dziękuje za schematy. Narazie nie mam dostępu do tego woza.
    O naprawach elektrycznych powiadomię.
REKLAMA