Zwracam się do kolegów o pomoc z samochodem Kia Magentis (na rynek USA - Optima) o oznaczeniu kodowym MS.
Tak z niczego przestał działać jeden pilot od centralnego zamka, mimo że bateria nie padła. Używany był dalej drugi pilot który po pewnym czasie również przestał działać. Oczywiście baterie mimo wszystko zostały wymienione, nic to nie zmieniło.
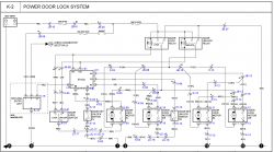
Schematy dokładnie do tego auta wyglądają tak:
W złączu diagnostycznym pod maską (20 PIN) wyprowadzony został pin z opisem "SET" (opis na pcb odbiornika) z odbiornika pilotów (podciągnięty do 5V w odbiorniku). Niestety zwieranie do masy czy nawet do Vbat nic nie daje (zazwyczaj na zagranicznych forach jest opis zwarcia pinu 5 z 6 do programowania).
Nawet kupiłem interfejs K-Line na FT232 i z aplikacją Cascade (emulator hi-scan) na linii ecu można się połączyć z ecu (zarówno w OBDII w kabinie jak i na pinie 9 pod maską - dobrze podłączyłem zasilanie i masę interfejsu), po wpięciu na linię odbiornika i wybraniu CODE SAVING interfejs zawiesza się (obstawiam że emulator tego nie obsługuje), bez interfejsu i na innych zbliżonych autach wybranych w cascade emulator zawiesza się w tym samym miejscu.
Wygląd pilota i odbiornika:
Teraz tak: z pomocą oscyloskopu oraz specjalnego skanera fal radiowych (mieli w punkcie elektromechaniki pojazdowej) zostało zweryfikowane że piloty nadają prawidłowo (oparte o Microchip HCS300), następnie poszedłem o krok dalej.
Odkręciłem odbiornik wyjąłem PCB, i tam z puchy RF zlokalizowałem ścieżkę która idzie do mikrokontrolera PIC16F628 (są oscylacje na jego kwarcu). Tam co ok. 0.5-1s w spoczynku widać na oscyloskopie transmisję cyfrową. Po wciśnięciu któregokolwiek klawisza na pilocie pojawia się stała transmisja czyli sygnał RF jest prawidłowo odbierany i przesyłany do PIC'a w formie cyfrowej. Natomiast z odbiornika nie idzie dalej sygnał na ETACS(ETWIS) czyli body-komputer.
Zostaje kwestia co jest uszkodzone, a może do programowania bez oryginalnego Hi-Scan/GDS tego się nie da zrobić? Może klucze szyfrujące z pilotów się wysypały, może wsad w PIC'u? Byłem już w wielu punktach (nie bym chciał coś przyoszczędzić, bo już nawet na kabelki swoje wydałem) i nigdzie sobie nie poradzili, to muszę wziąć sprawy we własne ręce. Nawet w ASO rozłożyli ręce i powiedzieli by poszukać serwisu co się specjalizuje w KIA-ch od dłuższego czasu
Widocznie nie mają tak starego interfejsu... Z drugiej strony właśnie czy oryginalny Hi-scan i GDS nie zwierają po prostu tej linii "SET" np. do masy?
Wiem że można założyć inny odbiornik i wpiąć się za ETACS, ale wtedy stracę oryginalny alarm i skoro mam 2 oryginalne piloty to chciałbym je wykorzystać. Używane piloty, odbiorniki i ETACS są dostępne i stosunkowo tanie więc można testować. Ale może ktoś ma jakiś pomysł lub spotkał się z podobną sytuacją.
Tak z niczego przestał działać jeden pilot od centralnego zamka, mimo że bateria nie padła. Używany był dalej drugi pilot który po pewnym czasie również przestał działać. Oczywiście baterie mimo wszystko zostały wymienione, nic to nie zmieniło.
Schematy dokładnie do tego auta wyglądają tak:
W złączu diagnostycznym pod maską (20 PIN) wyprowadzony został pin z opisem "SET" (opis na pcb odbiornika) z odbiornika pilotów (podciągnięty do 5V w odbiorniku). Niestety zwieranie do masy czy nawet do Vbat nic nie daje (zazwyczaj na zagranicznych forach jest opis zwarcia pinu 5 z 6 do programowania).
Nawet kupiłem interfejs K-Line na FT232 i z aplikacją Cascade (emulator hi-scan) na linii ecu można się połączyć z ecu (zarówno w OBDII w kabinie jak i na pinie 9 pod maską - dobrze podłączyłem zasilanie i masę interfejsu), po wpięciu na linię odbiornika i wybraniu CODE SAVING interfejs zawiesza się (obstawiam że emulator tego nie obsługuje), bez interfejsu i na innych zbliżonych autach wybranych w cascade emulator zawiesza się w tym samym miejscu.
Wygląd pilota i odbiornika:
Teraz tak: z pomocą oscyloskopu oraz specjalnego skanera fal radiowych (mieli w punkcie elektromechaniki pojazdowej) zostało zweryfikowane że piloty nadają prawidłowo (oparte o Microchip HCS300), następnie poszedłem o krok dalej.
Odkręciłem odbiornik wyjąłem PCB, i tam z puchy RF zlokalizowałem ścieżkę która idzie do mikrokontrolera PIC16F628 (są oscylacje na jego kwarcu). Tam co ok. 0.5-1s w spoczynku widać na oscyloskopie transmisję cyfrową. Po wciśnięciu któregokolwiek klawisza na pilocie pojawia się stała transmisja czyli sygnał RF jest prawidłowo odbierany i przesyłany do PIC'a w formie cyfrowej. Natomiast z odbiornika nie idzie dalej sygnał na ETACS(ETWIS) czyli body-komputer.
Zostaje kwestia co jest uszkodzone, a może do programowania bez oryginalnego Hi-Scan/GDS tego się nie da zrobić? Może klucze szyfrujące z pilotów się wysypały, może wsad w PIC'u? Byłem już w wielu punktach (nie bym chciał coś przyoszczędzić, bo już nawet na kabelki swoje wydałem) i nigdzie sobie nie poradzili, to muszę wziąć sprawy we własne ręce. Nawet w ASO rozłożyli ręce i powiedzieli by poszukać serwisu co się specjalizuje w KIA-ch od dłuższego czasu
Wiem że można założyć inny odbiornik i wpiąć się za ETACS, ale wtedy stracę oryginalny alarm i skoro mam 2 oryginalne piloty to chciałbym je wykorzystać. Używane piloty, odbiorniki i ETACS są dostępne i stosunkowo tanie więc można testować. Ale może ktoś ma jakiś pomysł lub spotkał się z podobną sytuacją.
