logo elektroda
logo elektroda
X
logo elektroda
REKLAMA
REKLAMA
Adblock/uBlockOrigin/AdGuard mogą powodować znikanie niektórych postów z powodu nowej reguły.

[Rozwiązano] TTI-770 - Nie działa odbiór i nadawanie, brak wskazania nośnej PWR przy 11.98V

saitanlord 08 Mar 2021 23:11 651 7
REKLAMA
  • #1 19305979
    saitanlord
    Poziom 9  
    witam szanownych kolegów.
    wiem, kolejne tti nie działa. model-770 .napięcie zasilania 11.98V
    radio nie odbiera (nie szumi po skręceniu blokady szumów ) i nie nadaje, przełącza sie na wyświetlaczu w tx jednak brak wskazania nośnej pwr.
  • REKLAMA
  • #2 19306758
    Konto nie istnieje
    Poziom 1  
  • REKLAMA
  • #3 19306826
    Hektar Zahle.r
    Poziom 30  
    Sam sobie już odpowiedziałeś na pytanie dlaczego synteza nie działa.
    saitanlord napisał:
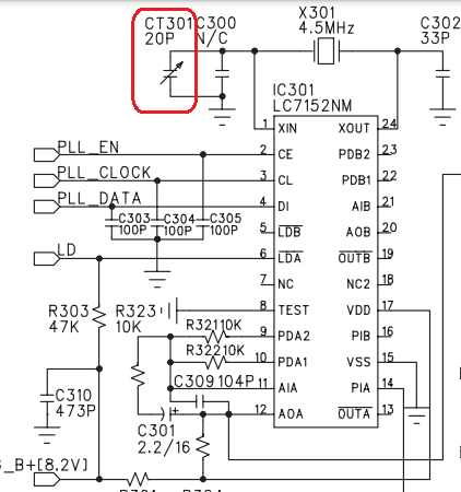
    lc7152n nóżka 17VDD 1.55 podczas nośnej spada do 1.10V
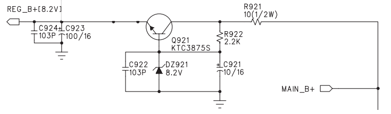
    Spalony stabilizator Q921.

    TTI-770 - Nie działa odbiór i nadawanie, brak wskazania nośnej PWR przy 11.98V

    Dodano po 4 [minuty]:

    saitanlord napisał:
    tda 2003
    1. 1.42V słychać buczenie w głośniku. przy nadawaniu cisza.
    2. 0.83V
    3. 0V
    4. 5.55V
    5. 11.95
    Masz jakąś inną wersję wykonania, niż tą na układzie KIA7217 ? Zobacz.

    TTI-770 - Nie działa odbiór i nadawanie, brak wskazania nośnej PWR przy 11.98V

    Dodano po 2 [minuty]:

    saitanlord napisał:
    CT301 na wejściu 0.64V na wyjściu 0V
    CT301 wisi na pinie Xin i jest dołączony do masy. Nie ma tam wejścia i wyjścia.

    TTI-770 - Nie działa odbiór i nadawanie, brak wskazania nośnej PWR przy 11.98V

    Masz radio po odwrotnym podłączeniu zasilania.
  • REKLAMA
  • #4 19306961
    saitanlord
    Poziom 9  
    Hektar Zahle.r dziękuje za konkretną odpowiedz. tak ma wersje na układzie TDA.
    Subbito dziękuje za odpowiedz, wiesz jednak ze przez takich ludzi jak ty Elektroda ma taka a nie inną opinię?. jest spora ilość użytkowników którzy zachowują sie jak kobiety w okresie ;).
    Sprawdzę powyższe elementy jak tylko dzieciaki przestaną mi krzyczeć nad głową :)
  • REKLAMA
  • #5 19306994
    Konto nie istnieje
    Poziom 1  
  • #6 19307010
    saitanlord
    Poziom 9  
    Twoja zona musi mieć z tobą ciężko ;). podałem wszystkie dane o które pytali eksperci na innych tematach związanych z działaniem TTI.
    nie obrażaj sie odrazu bo życie jest na to za krótkie.
    Niestety w Alanie nie ma układów smd za stare kino.


    Edit. po podaniu zasilania na wyjście stabilizatora wrócił szum radia i pojawiła się nośna. Dziękuje wam za fachową i szybką pomoc :)
  • #7 19307594
    gumisie
    Poziom 43  
    saitanlord napisał:
    Edit. po podaniu zasilania na wyjście stabilizatora wrócił szum radia i pojawiła się nośna. Dziękuje wam za fachową i szybką pomoc :)
    :|

    Warto było unosić się ambicją?
    Podpowiedź otrzymałeś w #2:
    Subbito napisał:
    Objawy wskazują na uszkodzenie stabilizatora napięcia 8,2V Proszę zbadać diodę DZ921 oraz tranzystor Q921.Podać napięcie na kolektorze Q921.


    Pozdrawiam.

    P.s.

    Pisownia #1 nadal niepoprawiona. :cry:
  • #8 19449303
    saitanlord
    Poziom 9  
    problemem okazał sie stabilizator napięcia o którym pisali koledzy, wymiana elementu starczyła.
REKLAMA