logo elektroda
logo elektroda
X
logo elektroda
REKLAMA
REKLAMA
Adblock/uBlockOrigin/AdGuard mogą powodować znikanie niektórych postów z powodu nowej reguły.

[Rozwiązano] BMW E46 320d: Błędy sterownika ABS, czujnika koła i pompy ABS, kwestie szyny CAN

marszałekkom 11 Mar 2021 20:05 2397 9
REKLAMA
  • #1 19312109
    marszałekkom
    Poziom 30  
    Cześć
    W samochodzie nie działa ABS, sterownik ABS wywala błąd czujnika koła prawy tył, pompy ABS oraz błąd szyny CAN. Czujnik jest raczej sprawny - ma taką samą rezystancję jak lewy tył i w parametrach pokazuje taką samą prędkość jak inne koła. Pompa jest niesprawna. Podejrzewam że w ogóle sterownik ABS szwankuje.
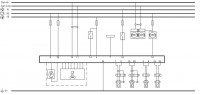
    Ale zastanawia mnie błąd CAN. Pojawia się on też w sterowniku silnika i konsoli wskaźników. W innych sterownikach nie. Czy sterownik ABS może robić ten problem? Przydałby mi się też schemat CAN.
  • REKLAMA
  • #2 19320421
    marszałekkom
    Poziom 30  
    Jaja z tym samochodem. Zmieniłem pompę ze sterownikiem, oczywiście na używaną. Stara miała nieskończony opór, w nowej jest kilka omów. Błąd "113 Silnik pompy" zgasł, ale po paru godzinach wrócił. Pompa działa. Błąd czujnika tylnego prawego zgasł, pojawił się błąd czujnika przedniego prawego. Oprócz tego błąd "129 Przekaźnik główny". Także drugi sterownik też jest uszkodzony, tylko że w inny sposób. I teraz najlepsze - lampki zgasły, ABS działa.
    Nie ma błędu szyny CAN w żadnym sterowniku. W ogóle szyna CAN ogranicza się w tym samochodzie do sterownika ABS, silnika i konsoli wskaźników oraz czujnika kąta skrętu.
    Mam więc teraz zepsuty sterownik i próbuję go edukacyjnie naprawić, więc byłbym wdzięczny za schemat lub jakieś wskazówki. Rozebrałem obudowę, nie widzę zimnych lutów ani nic ewidentnie uszkodzonego.
  • #3 19320571
    Konto nie istnieje
    Poziom 1  
  • REKLAMA
  • #4 19320938
    marszałekkom
    Poziom 30  
    ABS+ASC rok 2001, nr. 34.51 - 6 751 768
  • REKLAMA
  • Pomocny post
    #5 19322553
    Konto nie istnieje
    Poziom 1  
  • #6 19322557
    Konto nie istnieje
    Poziom 1  
  • #7 19322657
    marszałekkom
    Poziom 30  
    Ten, ale chodziło mi o schemat wewnętrzny sterownika. Ale to tak tylko z ciekawości.
  • REKLAMA
  • #9 19323005
    marszałekkom
    Poziom 30  
    Dzięki panowie.
  • #10 21010988
    marszałekkom
    Poziom 30  
    Wywaliłem na śmietnik.
REKLAMA