Pytanie: Co to jest zasilacz czterokwadrantowy?
Odpowiedź: Jest to taki zasilacz, który może pracować we wszystkich czterech ćwiartkach układu współrzędnych I/V, tj. może wytwarzać dodatnie i ujemne prądy oraz napięcia.
Chociaż proste przetwornice napięcia mogą generować napięcie stałe na swoim wyjściu, wykorzystując do tego napięcie wejściowe, to istnieją aplikacje, w których to nie wystarczy. Przykładem niech będzie sterowanie napięcia w punkcie, do którego podłączone są kondensatory. Kondensatory te mogą być naładowane do dowolnego napięcia. Jeśli trzeba wymusić w punkcie niższe napięcie, to konieczne jest przynajmniej częściowe rozładowanie tego elementu. Oznacza to, że w takim zastosowaniu zasilacz musi być w stanie nie tylko dostarczać, ale także odprowadzać prąd, zgodnie z wymaganiami chwili. Taki zasilacz nazywa się czterokwadrantowym, lub inaczej – zasilaczem pracującym w czterech ćwiartkach. Do takich zastosowań można użyć np. zasilacza z funkcją rozładowywania kondensatora na wyjściu. Może on szybko rozładować kondensatory wyjściowe. Rysunek 1 przedstawia taką funkcję dla stabilizatora impulsowego, który obniża napięcie. Przełącznik S2 jest włączany na dłuższy okres, po wyłączeniu działania przetwornicy typu buck celem rozładowania kondensatora wyjściowego.
Elegancki sposób sterowania prądami i napięciami zapewnia czterokwadrantowa przetwornica DC/DC. Typowa przetwornica typu buck działa tylko w jednej ćwiartce. Może ona generować dodatnie napięcie z dodatnim przepływem prądu; to znaczy, że prąd płynąć może tylko z wyjścia przetwornicy do jej obciążenia. Napięcie na wyjściu przetwornicy zawsze będzie tylko dodatnie, względem masy układu.
Dzięki przetwornicy czterokwadrantowej można nie tylko rozładować kondensatory wyjściowe, ale także wygenerować napięcie ujemne. Jest to możliwe, ponieważ prąd może płynąć w kierunku obciążenia lub być odbierany od obciążenia. Tak jest w przypadku poprzedniego układu o szybkim rozładowaniu kondensatorów wyjściowych. Czterokwadrantowa przetwornica DC/DC może zrobić jeszcze więcej. Oprócz generowania napięć może również konfigurować prąd na dowolnym poziomie. Prąd ten może być dodatni lub ujemny. Takie przetwornice pracujące w czterech ćwiartkach są często używane w uniwersalnych zasilaczach laboratoryjnych. Użytkownik takiego systemu może na przykład przetestować diodę LED przy stałym ustawieniu prądu wyjściowego. Można również badać np. ogniwo słoneczne, z pomocą czterokwadrantowego przetwornika, który może działać jako obciążenie, które pochłania z góry określony prąd.
Innym ciekawym zastosowaniem takich układów jest przyciemnianie wyświetlaczy LCD lub przyciemnianie szyb, z wykorzystaniem tej technologii. Często wymaga to precyzyjnie ustawionego napięcia w zakresie zarówno dodatnim, jak i ujemnym, aby uzyskać odpowiedni poziom zacienienia w zależności od dostępnego światła i żądanej jasności w pomieszczeniu.
Rysunek 2 pokazuje, co oznaczają cztery ćwiartki w odniesieniu do źródła zasilania. Kwadranty układu współrzędnych są przedstawione z napięciem na osi X i prądem na osi Y. Prąd i napięcie mogą być dodatnie lub ujemne.
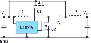
Przetwornica DC-DC może być zatem używany jako źródło energii i jej pochłaniacz. Innymi słowy, układ taki może działać jako źródło zasilania lub obciążenie elektryczne. LT8714 firmy Analog Devices to kontroler do czterokwadrantowego stabilizatora napięcia. Posiada on wszystkie funkcje wymagane dla tego typu regulacji. Na przykład za pomocą tego układu można precyzyjnie utrzymać napięcie 0 V na wyjściu. Rysunek 3 przedstawia uproszczony schemat obwodu z omawianym sterownikiem i stopniem mocy. Ten ostatni składa się z dwóch cewek L1 i L2, dwóch kluczy Q1 i Q2 oraz kondensatora sprzęgającego CC. Wyjaśnienia dotyczące odpowiednich operacji w każdym z kwadrantów, a także zachowania przy przejściu z jednej ćwiartki do drugiej można znaleźć w karcie katalogowej LT8714.
Rys.3. Uproszczony schemat obwodu przedstawiający topologię czterokwadrantowego przetwornika napięcia.
W niektórych zastosowaniach wymagany jest zasilacz działający w czterech kwadrantach. Można go łatwo zbudować za pomocą zoptymalizowanego, scalonego kontrolera, takiego jak LT8714. Konstrukcja obwodu jest bardzo prosta, a jego działanie, szczególnie wokół często krytycznego punktu zwrotnicy 0 V, jest czyste i niezawodne.
Istnieją alternatywy dla stosowania regulatora czterokwadrantowego, takie jak przełączanie topologii stabilizatorów, które muszą być połączone ze sobą równolegle, aby umożliwić funkcjonowanie w wielu ćwiartkach. Jednak rozwiązanie takie jest często bardziej kosztowne w porównaniu ze stosowaniem dedykowanego rozwiązania czterokwadrantowego.
Źródło: https://www.analog.com/en/analog-dialogue/raqs/raq-issue-183.html
Odpowiedź: Jest to taki zasilacz, który może pracować we wszystkich czterech ćwiartkach układu współrzędnych I/V, tj. może wytwarzać dodatnie i ujemne prądy oraz napięcia.
Chociaż proste przetwornice napięcia mogą generować napięcie stałe na swoim wyjściu, wykorzystując do tego napięcie wejściowe, to istnieją aplikacje, w których to nie wystarczy. Przykładem niech będzie sterowanie napięcia w punkcie, do którego podłączone są kondensatory. Kondensatory te mogą być naładowane do dowolnego napięcia. Jeśli trzeba wymusić w punkcie niższe napięcie, to konieczne jest przynajmniej częściowe rozładowanie tego elementu. Oznacza to, że w takim zastosowaniu zasilacz musi być w stanie nie tylko dostarczać, ale także odprowadzać prąd, zgodnie z wymaganiami chwili. Taki zasilacz nazywa się czterokwadrantowym, lub inaczej – zasilaczem pracującym w czterech ćwiartkach. Do takich zastosowań można użyć np. zasilacza z funkcją rozładowywania kondensatora na wyjściu. Może on szybko rozładować kondensatory wyjściowe. Rysunek 1 przedstawia taką funkcję dla stabilizatora impulsowego, który obniża napięcie. Przełącznik S2 jest włączany na dłuższy okres, po wyłączeniu działania przetwornicy typu buck celem rozładowania kondensatora wyjściowego.
Elegancki sposób sterowania prądami i napięciami zapewnia czterokwadrantowa przetwornica DC/DC. Typowa przetwornica typu buck działa tylko w jednej ćwiartce. Może ona generować dodatnie napięcie z dodatnim przepływem prądu; to znaczy, że prąd płynąć może tylko z wyjścia przetwornicy do jej obciążenia. Napięcie na wyjściu przetwornicy zawsze będzie tylko dodatnie, względem masy układu.
Dzięki przetwornicy czterokwadrantowej można nie tylko rozładować kondensatory wyjściowe, ale także wygenerować napięcie ujemne. Jest to możliwe, ponieważ prąd może płynąć w kierunku obciążenia lub być odbierany od obciążenia. Tak jest w przypadku poprzedniego układu o szybkim rozładowaniu kondensatorów wyjściowych. Czterokwadrantowa przetwornica DC/DC może zrobić jeszcze więcej. Oprócz generowania napięć może również konfigurować prąd na dowolnym poziomie. Prąd ten może być dodatni lub ujemny. Takie przetwornice pracujące w czterech ćwiartkach są często używane w uniwersalnych zasilaczach laboratoryjnych. Użytkownik takiego systemu może na przykład przetestować diodę LED przy stałym ustawieniu prądu wyjściowego. Można również badać np. ogniwo słoneczne, z pomocą czterokwadrantowego przetwornika, który może działać jako obciążenie, które pochłania z góry określony prąd.
Innym ciekawym zastosowaniem takich układów jest przyciemnianie wyświetlaczy LCD lub przyciemnianie szyb, z wykorzystaniem tej technologii. Często wymaga to precyzyjnie ustawionego napięcia w zakresie zarówno dodatnim, jak i ujemnym, aby uzyskać odpowiedni poziom zacienienia w zależności od dostępnego światła i żądanej jasności w pomieszczeniu.
Rysunek 2 pokazuje, co oznaczają cztery ćwiartki w odniesieniu do źródła zasilania. Kwadranty układu współrzędnych są przedstawione z napięciem na osi X i prądem na osi Y. Prąd i napięcie mogą być dodatnie lub ujemne.
Przetwornica DC-DC może być zatem używany jako źródło energii i jej pochłaniacz. Innymi słowy, układ taki może działać jako źródło zasilania lub obciążenie elektryczne. LT8714 firmy Analog Devices to kontroler do czterokwadrantowego stabilizatora napięcia. Posiada on wszystkie funkcje wymagane dla tego typu regulacji. Na przykład za pomocą tego układu można precyzyjnie utrzymać napięcie 0 V na wyjściu. Rysunek 3 przedstawia uproszczony schemat obwodu z omawianym sterownikiem i stopniem mocy. Ten ostatni składa się z dwóch cewek L1 i L2, dwóch kluczy Q1 i Q2 oraz kondensatora sprzęgającego CC. Wyjaśnienia dotyczące odpowiednich operacji w każdym z kwadrantów, a także zachowania przy przejściu z jednej ćwiartki do drugiej można znaleźć w karcie katalogowej LT8714.
Rys.3. Uproszczony schemat obwodu przedstawiający topologię czterokwadrantowego przetwornika napięcia.
W niektórych zastosowaniach wymagany jest zasilacz działający w czterech kwadrantach. Można go łatwo zbudować za pomocą zoptymalizowanego, scalonego kontrolera, takiego jak LT8714. Konstrukcja obwodu jest bardzo prosta, a jego działanie, szczególnie wokół często krytycznego punktu zwrotnicy 0 V, jest czyste i niezawodne.
Istnieją alternatywy dla stosowania regulatora czterokwadrantowego, takie jak przełączanie topologii stabilizatorów, które muszą być połączone ze sobą równolegle, aby umożliwić funkcjonowanie w wielu ćwiartkach. Jednak rozwiązanie takie jest często bardziej kosztowne w porównaniu ze stosowaniem dedykowanego rozwiązania czterokwadrantowego.
Źródło: https://www.analog.com/en/analog-dialogue/raqs/raq-issue-183.html
Fajne? Ranking DIY

