Witam serdecznie kolegów.
Mój prywatny pacjent Seat Leon 1M 2001 wersja Stella czyli podstawa plus klimatyzacja manualna.
Mam już parę gratów do wrzucenia w tym samochodzie.
Prosiłbym o pomoc w podłączeniu tego wszystkiego.
Podzielę to na działy aby nie zakładać 3 tematów.
I.
Przednie halogeny przeciwmgielne.
Zakupiłem nowe halogeny przeciwmgielne + nowe kratki w zderzak + przełącznik świateł z wersji z halogenami.
Ogólnie schemat i zasadę działania znam więc tylko zapytam czy według tego opisu:
wykorzystując wyjście z przełącznika(halogeny przeciwmgielne) i stosując po drodze przekaźnik (12V 30A ) i zasilanie halogenów (bezpiecznik 15A) można pominąć tzw "boardnetz" zlokalizowany pod kierownicą.
Z zasady i logicznego myślenia po zmierzeniu miernikiem przełącznika świateł napięcie pokazuje się na wyjściu oznaczonym na zdjęciu "przednie halogeny" .
Więc powinno to działać. Oczywiście zasilanie na halogeny bezpośrednio z akumulatora.
II.
Podgrzewane przednie fotele.
Mam już u siebie oryginalne 2 sterowania + wiązka oryginalna do Leon-a.
Oryginalne maty kosztują kosmiczne pieniądze , używane ciężko dostać lub są "mega zmęczone życiem".
Na rynku są dostępne uniwersalne maty grzewcze posiadające tylko zasilanie 12V.
Więc kombinacja uniwersalne maty 12V + termistor 10kohm dla każdego z foteli powinno działać?
III.
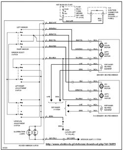
Elektryczne lusterka z opcją składania.
Posiłkując się naszą elektrodą udało mi się dowiedzieć że można posiadać składane lusterka "po zapłonie" , stosowne schematy są dostępne tutaj.
Natomiast mam pytanie czy kupując oryginalny "panel sterowania szybami i lusterkami" podłączając sterowanie zgodnie z poniższymi schematem można ominąć moduł komfortu:
Z powyższego schematu wynika że sterownie jest realizowane w "joystick-u" , potrzebuje tylko +12V z bezpiecznikiem i masę z karoserii.
Podgrzewanie szkieł lusterek można podpiąć pod przełącznik podgrzewania tylnej szyby
Lusterka oraz wtyczka/gniazdo lusterek:
Według słów z innego forum:
"Lustra z pamiecia maja 2 kostki 8 i 4 piny, sumarycznie ok. 11 przewodow.
Lustra el. regulowane, podgrzewane, nie skladane maja kostke 8 pinow i 5 przewodow.
Lustra el. regulowane, podgrzewane, skladane maja kostke 8 pinow i 7 przewodow."
Czyli zakupione przez mnie lusterka posiadają wszystkie wymagane przeze mnie opcje ponieważ kostka 8-pin posiada 7 kabelków.
Dziękuje za wszystkie odpowiedzi i ewentualne podpowiedzi.
Dodano po 8 [godziny] 37 [minuty]:
EDIT 1.
Halogeny zamontowane i działają zgodnie z założeniami, wystarczy wykorzystać "sygnał" z przełącznika świateł pozycyjnych/mijania z pozycji przednie światła przeciwmgielne.
Oczywiście należy zakupić oryginalny przełącznik świateł z tą funkcją.
Przednie światła przeciwmgielne włączają się tylko przy włączonym zapłonie czyli stacyjka w pozycji II zgodnie z opisem ze zdjęcia powyżej.
Działają , jedynym minusem jest brak informacji w liczniku o załączonych przednich przeciwmgielnych.
A racji tego że to prawie "golas" zapewne takiej kontrolki w tym liczniku nie ma.
Więc dział I uważam za zamknięty.
______________________________________________________________
Pozostają dwa kolejne .
II.
Podgrzewane fotele przednie.
III.
Oraz w pełni działające elektryczne lusterka zewnętrzne z funkcją elektrycznego składania z po zamknięciu i rozkładania po otwarciu z pilota.
Dorzucam schematy zaczerpnięte z elektrody:

Mój prywatny pacjent Seat Leon 1M 2001 wersja Stella czyli podstawa plus klimatyzacja manualna.
Mam już parę gratów do wrzucenia w tym samochodzie.
Prosiłbym o pomoc w podłączeniu tego wszystkiego.
Podzielę to na działy aby nie zakładać 3 tematów.
I.
Przednie halogeny przeciwmgielne.
Zakupiłem nowe halogeny przeciwmgielne + nowe kratki w zderzak + przełącznik świateł z wersji z halogenami.
Ogólnie schemat i zasadę działania znam więc tylko zapytam czy według tego opisu:
wykorzystując wyjście z przełącznika(halogeny przeciwmgielne) i stosując po drodze przekaźnik (12V 30A ) i zasilanie halogenów (bezpiecznik 15A) można pominąć tzw "boardnetz" zlokalizowany pod kierownicą.
Z zasady i logicznego myślenia po zmierzeniu miernikiem przełącznika świateł napięcie pokazuje się na wyjściu oznaczonym na zdjęciu "przednie halogeny" .
Więc powinno to działać. Oczywiście zasilanie na halogeny bezpośrednio z akumulatora.
II.
Podgrzewane przednie fotele.
Mam już u siebie oryginalne 2 sterowania + wiązka oryginalna do Leon-a.
Oryginalne maty kosztują kosmiczne pieniądze , używane ciężko dostać lub są "mega zmęczone życiem".
Na rynku są dostępne uniwersalne maty grzewcze posiadające tylko zasilanie 12V.
Więc kombinacja uniwersalne maty 12V + termistor 10kohm dla każdego z foteli powinno działać?
III.
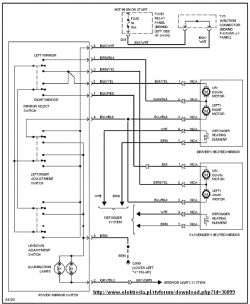
Elektryczne lusterka z opcją składania.
Posiłkując się naszą elektrodą udało mi się dowiedzieć że można posiadać składane lusterka "po zapłonie" , stosowne schematy są dostępne tutaj.
Natomiast mam pytanie czy kupując oryginalny "panel sterowania szybami i lusterkami" podłączając sterowanie zgodnie z poniższymi schematem można ominąć moduł komfortu:
Z powyższego schematu wynika że sterownie jest realizowane w "joystick-u" , potrzebuje tylko +12V z bezpiecznikiem i masę z karoserii.
Podgrzewanie szkieł lusterek można podpiąć pod przełącznik podgrzewania tylnej szyby
Lusterka oraz wtyczka/gniazdo lusterek:
Według słów z innego forum:
"Lustra z pamiecia maja 2 kostki 8 i 4 piny, sumarycznie ok. 11 przewodow.
Lustra el. regulowane, podgrzewane, nie skladane maja kostke 8 pinow i 5 przewodow.
Lustra el. regulowane, podgrzewane, skladane maja kostke 8 pinow i 7 przewodow."
Czyli zakupione przez mnie lusterka posiadają wszystkie wymagane przeze mnie opcje ponieważ kostka 8-pin posiada 7 kabelków.
Dziękuje za wszystkie odpowiedzi i ewentualne podpowiedzi.
Dodano po 8 [godziny] 37 [minuty]:
EDIT 1.
Halogeny zamontowane i działają zgodnie z założeniami, wystarczy wykorzystać "sygnał" z przełącznika świateł pozycyjnych/mijania z pozycji przednie światła przeciwmgielne.
Oczywiście należy zakupić oryginalny przełącznik świateł z tą funkcją.
Przednie światła przeciwmgielne włączają się tylko przy włączonym zapłonie czyli stacyjka w pozycji II zgodnie z opisem ze zdjęcia powyżej.
Działają , jedynym minusem jest brak informacji w liczniku o załączonych przednich przeciwmgielnych.
A racji tego że to prawie "golas" zapewne takiej kontrolki w tym liczniku nie ma.
Więc dział I uważam za zamknięty.
______________________________________________________________
Pozostają dwa kolejne .
II.
Podgrzewane fotele przednie.
III.
Oraz w pełni działające elektryczne lusterka zewnętrzne z funkcją elektrycznego składania z po zamknięciu i rozkładania po otwarciu z pilota.
Dorzucam schematy zaczerpnięte z elektrody: