Poziom szumu w silniku zależy od typu silnika, warunków otoczenia i konkretnej aplikacji. Silniki z magnesami trwałymi i hybrydowe silniki krokowe są generalnie „cichsze”, ponieważ mają bardziej równomierny obrót. I odwrotnie, silniki krokowe o zmiennej reluktancji generują najwyższy poziom szumów, niezależnie od tego, gdzie są używane.
Aby lepiej zrozumieć pochodzenie tego szumu, musimy przeanalizować to, jak odbywa się ruch obrotowy w silniku elektrycznym. Kiedy silnik krokowy wykonuje krok, nie zatrzymuje się natychmiastowo po jego wykonaniu, ale kontynuuje siłą bezwładności ruch do przodu i następnie do tyłu, zanim całkowicie się zatrzyma. Takie zachowanie można przezwyciężyć poprzez przyjęcie odpowiedniej logiki sterowania w driverze silnika. Podczas pracy silnika sterownik wydaje polecenie ruchu do następnego kroku na chwilę przed zatrzymaniem silnika po wykonaniu poprzedniego kroku. Ten ciągły i regularny ruch silnika pomaga zredukować zarówno poziom generowanego szumu, jak i wibracje mechaniczne.
Należy również zauważyć, że każdy silnik krokowy ma pewną częstotliwość rezonansową, która zwykle znajduje się w zakresie od 150 do 300 kroków na sekundę. Wielu projektantów ma tendencję do unikania tego zakresu prędkości roboczych, aby zminimalizować zarówno szum, jak i wibracje. Wprowadzenie odpowiednio zaprojektowanych i dobranych przekładni może pomóc w redukcji drgań. Amortyzatory umieszczane na wale korbowym to kolejne tradycyjne rozwiązanie zmniejszające wibracje.
Techniki redukcji szumów
Większość silników krokowych jest sterowana sygnałem o modulowanej szerokości impulsu (PWM), który w sposób ciągły wymusza przełączanie mostka H między stanami włączenia i wyłączenia, regulując w ten sposób prąd zasilający silnik. Obwody sterownika oparte na tej technice są powszechnie nazywane sterownikami impulsowymi, ponieważ dostarczają one do uzwojeń silnika stały prąd w postaci impulsów napięcia poprzez zastosowaniu przebiegu PWM.
W przeciwieństwie do techniki L/R, która ma na celu utrzymanie stałego napięcia przyłożonego do uzwojeń silnika, przerywanie prądu ma tę zaletę, że jest bardzo wydajnym sposobem sterowania, które pozwala na tworzenie kompaktowego i ekonomicznego układu, generującego niewielkie ilości ciepła.
Jedynym zastrzeżeniem jest to, że modulowany sygnał doprowadzany do silnika krokowego może generować słyszalne sygnały, tym bardziej, jeśli częstotliwość PWM mieści się w paśmie audio. Eksperymentalnie naprawdę łatwo jest zweryfikować, czy dany silnik krokowy może generować szum, nawet gdy jest zatrzymany lub gdy utrzymuje pozycję. Zjawisko to występuje głównie przy częstotliwościach przełączania poniżej 20 kHz. W związku z tym można wywnioskować, że pierwszą metodą redukcji szumów jest zwiększenie częstotliwości przełączania. Większość sterowników przerywacza umożliwia zwiększenie częstotliwości przełączania poprzez modyfikację wartości zewnętrznego rezystora lub kondensatora. Efektem jest zmiana czasu trwania okresu sygnału PWM.
Nie jest jednak wskazane zwiększanie częstotliwości w nieskończoność. Powyżej pewnej granicy zwiększają się również straty przełączania. Odpowiednia wartość częstotliwości przełączania może wynosić pomiędzy 30 a 50 kHz. Jeśli to nie jest wystarczające do redukcji szumu, można zmniejszyć prąd doprowadzany do uzwojeń silnika. Niższy prąd oznacza redukcję wibracji, a tym samym hałasu.
Efektem ubocznym redukcji prądu jednakże, jest zmniejszenie momentu obrotowego, który, jeśli jest zbyt niski, może powodować łatwą utratę kroków podczas pracy. Ponieważ sterowanie silnikiem odbywa się w otwartej pętli sprzężenia zwrotnego, należy do niego dostarczać prąd wystarczający do pracy we wszystkich warunkach, nawet tych najcięższych. Dobrym kompromisem jest zmniejszenie prądu w okresach zatrzymania silnika.
Zwykle prąd wymagany przez silnik do utrzymania pozycji jest znacznie niższy niż prąd wymagany do przyspieszania lub poruszania silnikiem ze stałą prędkością. Praktycznie wszystkie sterowniki silników krokowych pozwalają na ustawienie wartości prądu poprzez modyfikację analogowego napięcia odniesienia VREF. Prąd wyzwalający, ITrip, jest funkcją zarówno zewnętrznego rezystora RSENSE, jak i napięcia odniesienia VREF. Ponieważ wartość opornika pomiarowego jest wybierana raz podczas projektowania układu, ma ona stałą wartość, w czasie pracy sterownika można natomiast modyfikować ITrip, zmieniając poziom VREF.
Jeśli wymagana jest dalsza redukcja poziomu szumu, silnik może pracować w trybie tzw. powolnego rozruchu, zamiast szybkiego lub mieszanego startu. Ten tryb minimalizuje tętnienia prądu sterującego, redukując szum i zwiększając sprawność sterownika. Jednak nie zawsze jest on najlepszym rozwiązaniem, zwłaszcza jeśli system wykorzystywać ma mikrokrok do zwiększenia precyzji.
Sterowniki krokowe
Zintegrowane sterowniki silników krokowych zaprojektowane są tak, aby oferować łatwą konfigurację i zaawansowane funkcje sterowania dla każdego typu aplikacji. Zintegrowany interfejs enkodera sprawia, że silniki krokowe są odpowiednim wyborem do zastosowań związanych z pozycjonowaniem synchronicznym. Silniki krokowe są napędzane poprzez sekwencyjne podłączanie ich uzwojeń do zasilania poprzez tranzystory mocy, sterowane przez kontroler układu.
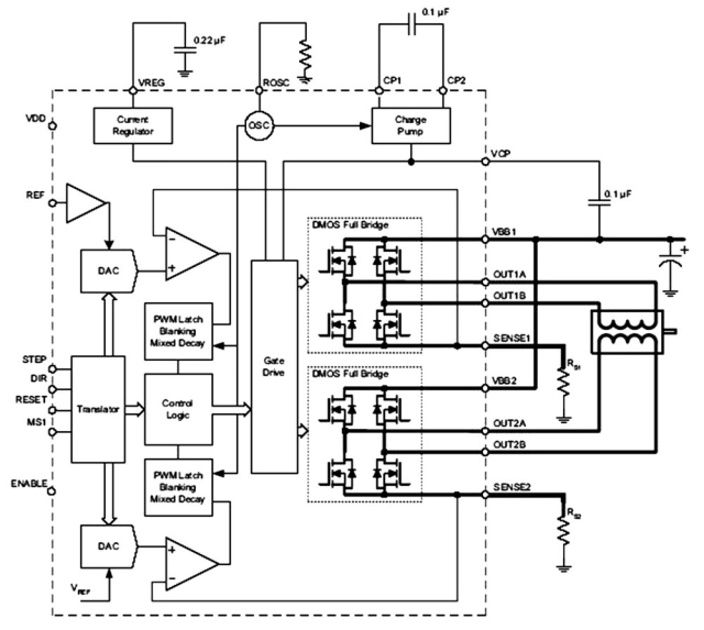
Na przykład układ A3982 firmy Allegro to kompletny sterownik silnika krokowego z wbudowanym translatorem dla łatwej obsługi. Posiada on wszystkie elementy – kontroler, jak i tranzystory mocy – zintegrowane w jednej obudowie. Zaprojektowany jest do sterowania bipolarnymi silnikami krokowymi w trybach pełnego i pół kroku. Sterownik ten może dostarczyć sygnał wyjściowy do 35 V i ±2 A. Tryb działania kontrolera można wybrać poprzez podanie sygnału na STEP pin wejściowy, jak pokazano na schemacie blokowym na rysunku 1.
W trybie mieszanym kontrola przerywania prądu jest początkowo ustawiona na szybki zanik przez okres wynoszący 31,25% ustalonego czasu wyłączenia, a następnie na powolny zanik przez pozostałą część czasu wyłączenia. Ten schemat kontroli prądu skutkuje zmniejszeniem poziomu szumu silnika, zwiększoną dokładnością kroku i zmniejszonym rozpraszaniem mocy na silniku jak i układzie sterującym.
Wbudowany moduł translatora sygnałów sterujących znacznie upraszcza projektowanie systemu sterowania silnikiem. Poprzez podanie jednego impulsu na pin wejściowy STEP, silnik jest przesuwany o jeden krok. Nie są potrzebne tabele kolejności faz ani linie sterujące wysokiej częstotliwości, co sprawia, że A3982 jest właściwym wyborem do zastosowań, w których mikrokontroler jest obciążony innymi zadaniami.
Firma Toshiba oferuje również szeroki wybór sterowników silników krokowych. Układy TB67S128/249/279/289 są wyposażone w opatentowaną technologię Active Gain Control (aktywna kontrola wzmocnienia - AGC). AGC dynamicznie dostosowuje prąd silnika krokowego, aby zapewnić mu możliwie duży moment obrotowy, co jest szczególnie praktyczne w systemach z otwartą pętlą sprzężenia zwrotnego. Technologia AGC pozwala oszczędzać energię i jednocześnie redukuje lub eliminuje konieczność stosowania bardziej złożonej konstrukcji z zamkniętą pętlą sprzężenia zwrotnego.
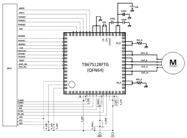
Układy TB67S128/249/279/289FTG zapewniają odpowiednio 5,0 A, 4,5 A, 2,0 A i 3,0 A przy napięciu roboczym silnika od 10 V do 42 V. Urządzenia te obejmują również obsługę mikrokroku z podziałem na od 32 do 128 kroków, co czyni je odpowiednimi do szerokiego zakresu zastosowań przemysłowych, w tym do precyzyjnego sterowania silnikami (patrz rysunek 2).
Podsumowanie
Silniki krokowe mają prostą konstrukcję i są łatwe w sterowaniu. Są one szeroko stosowane w wielu systemach sterowania z otwartą pętlą. Ich wadą jest jednak poziom generowanego szumu. Hałas akustyczny i rezonanse pochodzą głównie z układu sterowania oraz z mechanicznej części rezonansu. Większość zastosowań silników krokowych wymaga płynnego ruchu. Aby uzyskać wyjątkowo płynne ruchy, niektórzy inżynierowie modyfikują napięcie i prąd sterownika oraz – najczęściej – konfigurację mikrokroków.
Źródło: https://www.eetimes.eu/noise-reduction-in-stepper-motors/
Aby lepiej zrozumieć pochodzenie tego szumu, musimy przeanalizować to, jak odbywa się ruch obrotowy w silniku elektrycznym. Kiedy silnik krokowy wykonuje krok, nie zatrzymuje się natychmiastowo po jego wykonaniu, ale kontynuuje siłą bezwładności ruch do przodu i następnie do tyłu, zanim całkowicie się zatrzyma. Takie zachowanie można przezwyciężyć poprzez przyjęcie odpowiedniej logiki sterowania w driverze silnika. Podczas pracy silnika sterownik wydaje polecenie ruchu do następnego kroku na chwilę przed zatrzymaniem silnika po wykonaniu poprzedniego kroku. Ten ciągły i regularny ruch silnika pomaga zredukować zarówno poziom generowanego szumu, jak i wibracje mechaniczne.
Należy również zauważyć, że każdy silnik krokowy ma pewną częstotliwość rezonansową, która zwykle znajduje się w zakresie od 150 do 300 kroków na sekundę. Wielu projektantów ma tendencję do unikania tego zakresu prędkości roboczych, aby zminimalizować zarówno szum, jak i wibracje. Wprowadzenie odpowiednio zaprojektowanych i dobranych przekładni może pomóc w redukcji drgań. Amortyzatory umieszczane na wale korbowym to kolejne tradycyjne rozwiązanie zmniejszające wibracje.
Techniki redukcji szumów
Większość silników krokowych jest sterowana sygnałem o modulowanej szerokości impulsu (PWM), który w sposób ciągły wymusza przełączanie mostka H między stanami włączenia i wyłączenia, regulując w ten sposób prąd zasilający silnik. Obwody sterownika oparte na tej technice są powszechnie nazywane sterownikami impulsowymi, ponieważ dostarczają one do uzwojeń silnika stały prąd w postaci impulsów napięcia poprzez zastosowaniu przebiegu PWM.
W przeciwieństwie do techniki L/R, która ma na celu utrzymanie stałego napięcia przyłożonego do uzwojeń silnika, przerywanie prądu ma tę zaletę, że jest bardzo wydajnym sposobem sterowania, które pozwala na tworzenie kompaktowego i ekonomicznego układu, generującego niewielkie ilości ciepła.
Jedynym zastrzeżeniem jest to, że modulowany sygnał doprowadzany do silnika krokowego może generować słyszalne sygnały, tym bardziej, jeśli częstotliwość PWM mieści się w paśmie audio. Eksperymentalnie naprawdę łatwo jest zweryfikować, czy dany silnik krokowy może generować szum, nawet gdy jest zatrzymany lub gdy utrzymuje pozycję. Zjawisko to występuje głównie przy częstotliwościach przełączania poniżej 20 kHz. W związku z tym można wywnioskować, że pierwszą metodą redukcji szumów jest zwiększenie częstotliwości przełączania. Większość sterowników przerywacza umożliwia zwiększenie częstotliwości przełączania poprzez modyfikację wartości zewnętrznego rezystora lub kondensatora. Efektem jest zmiana czasu trwania okresu sygnału PWM.
Nie jest jednak wskazane zwiększanie częstotliwości w nieskończoność. Powyżej pewnej granicy zwiększają się również straty przełączania. Odpowiednia wartość częstotliwości przełączania może wynosić pomiędzy 30 a 50 kHz. Jeśli to nie jest wystarczające do redukcji szumu, można zmniejszyć prąd doprowadzany do uzwojeń silnika. Niższy prąd oznacza redukcję wibracji, a tym samym hałasu.
Efektem ubocznym redukcji prądu jednakże, jest zmniejszenie momentu obrotowego, który, jeśli jest zbyt niski, może powodować łatwą utratę kroków podczas pracy. Ponieważ sterowanie silnikiem odbywa się w otwartej pętli sprzężenia zwrotnego, należy do niego dostarczać prąd wystarczający do pracy we wszystkich warunkach, nawet tych najcięższych. Dobrym kompromisem jest zmniejszenie prądu w okresach zatrzymania silnika.
Zwykle prąd wymagany przez silnik do utrzymania pozycji jest znacznie niższy niż prąd wymagany do przyspieszania lub poruszania silnikiem ze stałą prędkością. Praktycznie wszystkie sterowniki silników krokowych pozwalają na ustawienie wartości prądu poprzez modyfikację analogowego napięcia odniesienia VREF. Prąd wyzwalający, ITrip, jest funkcją zarówno zewnętrznego rezystora RSENSE, jak i napięcia odniesienia VREF. Ponieważ wartość opornika pomiarowego jest wybierana raz podczas projektowania układu, ma ona stałą wartość, w czasie pracy sterownika można natomiast modyfikować ITrip, zmieniając poziom VREF.
Jeśli wymagana jest dalsza redukcja poziomu szumu, silnik może pracować w trybie tzw. powolnego rozruchu, zamiast szybkiego lub mieszanego startu. Ten tryb minimalizuje tętnienia prądu sterującego, redukując szum i zwiększając sprawność sterownika. Jednak nie zawsze jest on najlepszym rozwiązaniem, zwłaszcza jeśli system wykorzystywać ma mikrokrok do zwiększenia precyzji.
Sterowniki krokowe
Zintegrowane sterowniki silników krokowych zaprojektowane są tak, aby oferować łatwą konfigurację i zaawansowane funkcje sterowania dla każdego typu aplikacji. Zintegrowany interfejs enkodera sprawia, że silniki krokowe są odpowiednim wyborem do zastosowań związanych z pozycjonowaniem synchronicznym. Silniki krokowe są napędzane poprzez sekwencyjne podłączanie ich uzwojeń do zasilania poprzez tranzystory mocy, sterowane przez kontroler układu.
Na przykład układ A3982 firmy Allegro to kompletny sterownik silnika krokowego z wbudowanym translatorem dla łatwej obsługi. Posiada on wszystkie elementy – kontroler, jak i tranzystory mocy – zintegrowane w jednej obudowie. Zaprojektowany jest do sterowania bipolarnymi silnikami krokowymi w trybach pełnego i pół kroku. Sterownik ten może dostarczyć sygnał wyjściowy do 35 V i ±2 A. Tryb działania kontrolera można wybrać poprzez podanie sygnału na STEP pin wejściowy, jak pokazano na schemacie blokowym na rysunku 1.
W trybie mieszanym kontrola przerywania prądu jest początkowo ustawiona na szybki zanik przez okres wynoszący 31,25% ustalonego czasu wyłączenia, a następnie na powolny zanik przez pozostałą część czasu wyłączenia. Ten schemat kontroli prądu skutkuje zmniejszeniem poziomu szumu silnika, zwiększoną dokładnością kroku i zmniejszonym rozpraszaniem mocy na silniku jak i układzie sterującym.
Wbudowany moduł translatora sygnałów sterujących znacznie upraszcza projektowanie systemu sterowania silnikiem. Poprzez podanie jednego impulsu na pin wejściowy STEP, silnik jest przesuwany o jeden krok. Nie są potrzebne tabele kolejności faz ani linie sterujące wysokiej częstotliwości, co sprawia, że A3982 jest właściwym wyborem do zastosowań, w których mikrokontroler jest obciążony innymi zadaniami.
Firma Toshiba oferuje również szeroki wybór sterowników silników krokowych. Układy TB67S128/249/279/289 są wyposażone w opatentowaną technologię Active Gain Control (aktywna kontrola wzmocnienia - AGC). AGC dynamicznie dostosowuje prąd silnika krokowego, aby zapewnić mu możliwie duży moment obrotowy, co jest szczególnie praktyczne w systemach z otwartą pętlą sprzężenia zwrotnego. Technologia AGC pozwala oszczędzać energię i jednocześnie redukuje lub eliminuje konieczność stosowania bardziej złożonej konstrukcji z zamkniętą pętlą sprzężenia zwrotnego.
Układy TB67S128/249/279/289FTG zapewniają odpowiednio 5,0 A, 4,5 A, 2,0 A i 3,0 A przy napięciu roboczym silnika od 10 V do 42 V. Urządzenia te obejmują również obsługę mikrokroku z podziałem na od 32 do 128 kroków, co czyni je odpowiednimi do szerokiego zakresu zastosowań przemysłowych, w tym do precyzyjnego sterowania silnikami (patrz rysunek 2).
Podsumowanie
Silniki krokowe mają prostą konstrukcję i są łatwe w sterowaniu. Są one szeroko stosowane w wielu systemach sterowania z otwartą pętlą. Ich wadą jest jednak poziom generowanego szumu. Hałas akustyczny i rezonanse pochodzą głównie z układu sterowania oraz z mechanicznej części rezonansu. Większość zastosowań silników krokowych wymaga płynnego ruchu. Aby uzyskać wyjątkowo płynne ruchy, niektórzy inżynierowie modyfikują napięcie i prąd sterownika oraz – najczęściej – konfigurację mikrokroków.
Źródło: https://www.eetimes.eu/noise-reduction-in-stepper-motors/
Fajne? Ranking DIY
