Problem występował już kiedyś, jednak po jakimś czasie sam przechodził.
Auto zgaszone pod dystrybutorem już nie odpala, ba, nie kreci rozrusznikiem, po przekręceniu kluczyka na zapłon nie włącza się pompa paliwa.
Podstwy oczywiście okej, aku naładowany, stacyjka działa, wszystkie przekaźniki sprawne, rozrusznik na krótko kręci.
Skrzynia biegów wystawia sygnał pozycji P, zarówno w komputerach diagnostycznych jak i na wyświetlaczu biegów.
Gdy podłączyć clipa,i dać test modułów wykonawczych->pompa paliwa to przekaźnik się załącza, i pompa zaczyna pompować paliwo.
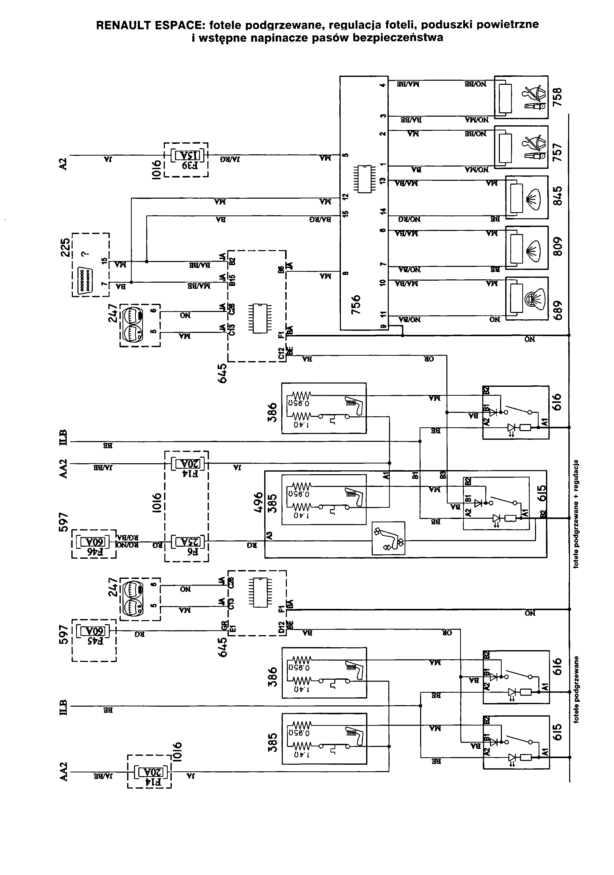
Mimo ze na schematach w autodacie/heli jest wyłącznik uderzeniowy, fizycznie w tym aucie go nie ma ( szukane było w kilku egzemplarzach ), jego funkcję pełni moduł airbag:
Prawdopodobnie to on jest problemem i widoczne w nim błędy, mimo ze nie jest to crash data ( zdjęcie ).
W komputerze benzynowym jest widoczna opcja blokada pompy paliwa.
Kroki podjęte do tej pory - przedzwonienie miernikiem wiązki airbag, szczególnie do satelity, czyli czujnika zderzeniowego - wszystko ok.
Podmieniany moduł airbag - błędy takie same.
Fajnie było by na czas naprawy pozbawić samochód tej blokady aby nie musieć się lawetować, albo chociaż mieć rozpiskę pinów kontrolera airbag aby sprawdzic czy regauje na opornik, jakie dostaje zasilanie, czy komunikuje się z ecu.
Zdjęcia błedów i komputera:

Auto zgaszone pod dystrybutorem już nie odpala, ba, nie kreci rozrusznikiem, po przekręceniu kluczyka na zapłon nie włącza się pompa paliwa.
Podstwy oczywiście okej, aku naładowany, stacyjka działa, wszystkie przekaźniki sprawne, rozrusznik na krótko kręci.
Skrzynia biegów wystawia sygnał pozycji P, zarówno w komputerach diagnostycznych jak i na wyświetlaczu biegów.
Gdy podłączyć clipa,i dać test modułów wykonawczych->pompa paliwa to przekaźnik się załącza, i pompa zaczyna pompować paliwo.
Mimo ze na schematach w autodacie/heli jest wyłącznik uderzeniowy, fizycznie w tym aucie go nie ma ( szukane było w kilku egzemplarzach ), jego funkcję pełni moduł airbag:
Prawdopodobnie to on jest problemem i widoczne w nim błędy, mimo ze nie jest to crash data ( zdjęcie ).
W komputerze benzynowym jest widoczna opcja blokada pompy paliwa.
Kroki podjęte do tej pory - przedzwonienie miernikiem wiązki airbag, szczególnie do satelity, czyli czujnika zderzeniowego - wszystko ok.
Podmieniany moduł airbag - błędy takie same.
Fajnie było by na czas naprawy pozbawić samochód tej blokady aby nie musieć się lawetować, albo chociaż mieć rozpiskę pinów kontrolera airbag aby sprawdzic czy regauje na opornik, jakie dostaje zasilanie, czy komunikuje się z ecu.
Zdjęcia błedów i komputera: