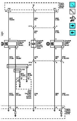
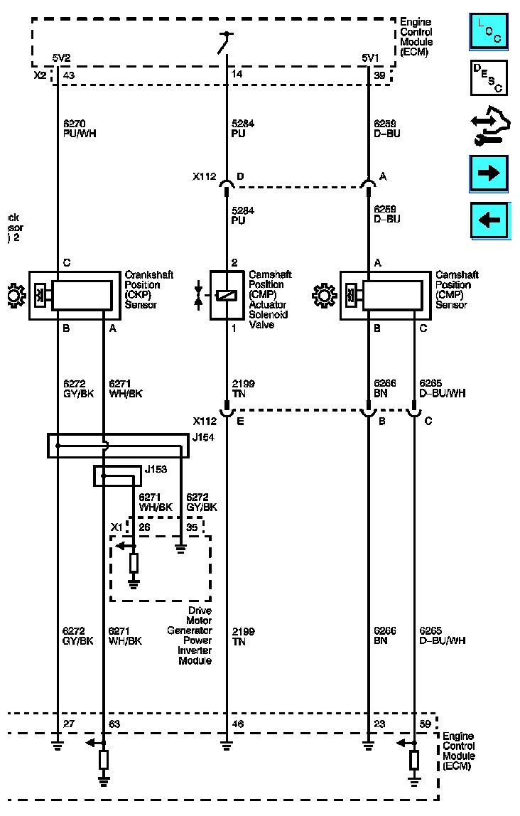
Czujnik 3-pinowy. Zasilanie +5V, masa, wyjście sygnałowe. Wyjście sygnałowe podłączone jest również do inwertera. Na zasilaniu 5V brak jakichkolwiek zakłóceń. Czy ma ktoś pomysł co może być przyczyną tych zniekształceń? Patrząc na okresowy charakter zniekształceń nie sądzę by problemem był sam czujnik lub okablowanie. W samochodzie nie ma tradycyjnego rozrusznika. W skrzyni biegów znajdują się dwa silniki elektryczne 3-fazowe. Jeden z nich pełni również funkcję rozrusznika. Te zniekształcenia w mojej opinii mają indukcyjny charakter. Mechanik wspomniał że podczas podłączenia akumulatora 12V pod prostownik transformatorowy z uziemionym klemą minusową i kluczykiem w pozycji "zapłon" czuł przepływający prąd gdy jednocześnie dotykał samochodu i podnośnika warsztatowego.
Zastanawiam się czy źródłem tych problemów nie jest odizolowanie układu 300V od masy pojazdu. Czy pogarszająca się izolacja uzwojenia lub okablowania silnika 3 fazowego względem masy pojazdu może wywołać takie problemy z pracą czujnika Halla? Jak to możliwe że czujnik który na swoim wyjściu ma tylko dwa stany napięcia czyli około 0V lub 4,7V wystawia na wyjściu napięcia niższe lub wyższe?

Zastanawiam się czy źródłem tych problemów nie jest odizolowanie układu 300V od masy pojazdu. Czy pogarszająca się izolacja uzwojenia lub okablowania silnika 3 fazowego względem masy pojazdu może wywołać takie problemy z pracą czujnika Halla? Jak to możliwe że czujnik który na swoim wyjściu ma tylko dwa stany napięcia czyli około 0V lub 4,7V wystawia na wyjściu napięcia niższe lub wyższe?