Witam konsola Pegasus MT-777DX problem z obrazem. Dzwięk idzie normalnie.
Napięcia na układy 5,02V.
Wygląda to tak: https://youtu.be/dpMoL0PSbBM
Układy, ścieżki, połaczenia wszystkie sprawne. Sprawdzone miernikiem.
Gniazdo cardrigry sprawdzone sprawne.
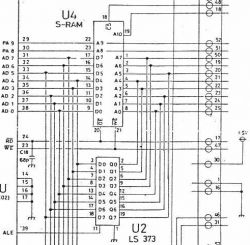
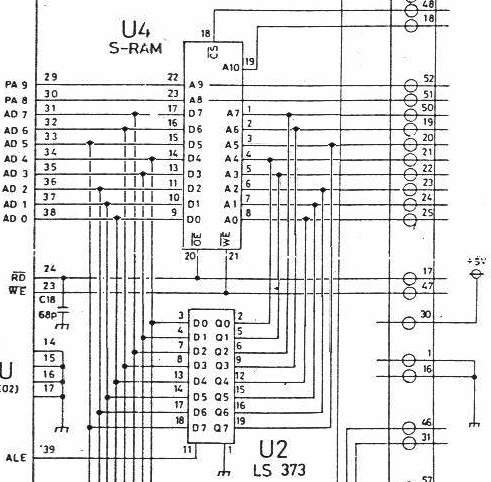
Według schematu jedyna różnica jaką zauważylem podana na rys.2. , czyli połączenie ukladu U2 LS373 i U4 VRAM.
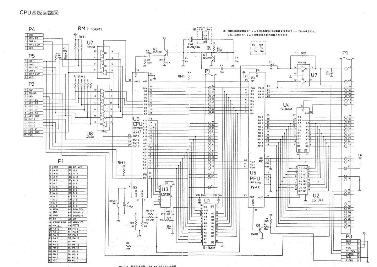
Rys.1
Rys.2

Napięcia na układy 5,02V.
Wygląda to tak: https://youtu.be/dpMoL0PSbBM
Układy, ścieżki, połaczenia wszystkie sprawne. Sprawdzone miernikiem.
Gniazdo cardrigry sprawdzone sprawne.
Według schematu jedyna różnica jaką zauważylem podana na rys.2. , czyli połączenie ukladu U2 LS373 i U4 VRAM.
Rys.1
Rys.2