logo elektroda
logo elektroda
X
logo elektroda
REKLAMA
REKLAMA
Adblock/uBlockOrigin/AdGuard mogą powodować znikanie niektórych postów z powodu nowej reguły.

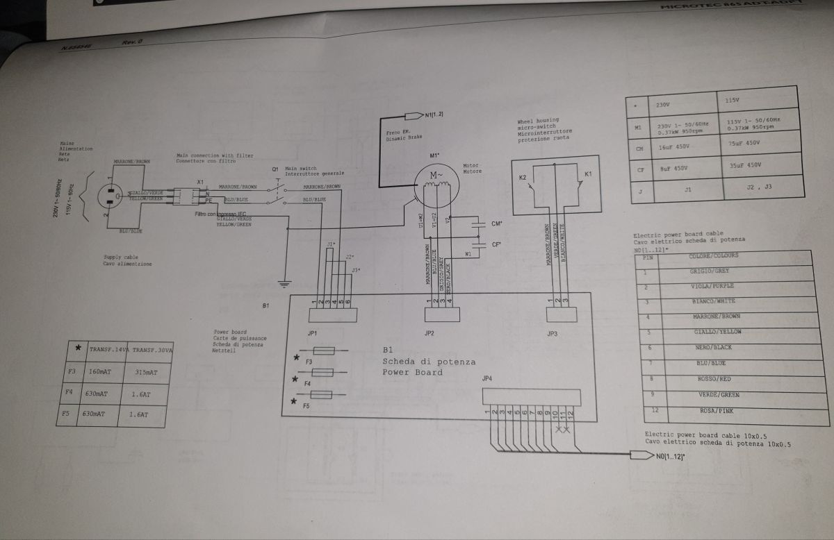
Dlaczego wyważarka nie zatrzymuje koła po zmierzeniu?

andi8513 01 Kwi 2021 22:37 1143 1
REKLAMA
  • #1 19355264
    andi8513
    Poziom 9  
    Witam
    Mam taki problem z wyważarką, otóż nie zatrzymuje koła zaraz po zmierzeniu, niekiedy kręci się dłużej, niekiedy krócej a powinna zaraz zatrzymać koło. Słychać że się coś przełącza, ale kręci się dalej. Może wie ktoś coś na ten temat.
    Dlaczego wyważarka nie zatrzymuje koła po zmierzeniu? Dlaczego wyważarka nie zatrzymuje koła po zmierzeniu? Dlaczego wyważarka nie zatrzymuje koła po zmierzeniu?
  • REKLAMA
  • #2 19358636
    żałosna udręka
    Poziom 34  
    Hamuje silnikiem, więc musi odwrócić jedną fazę. Uszkodzony przekaźnik, albo tyrystor.
REKLAMA