logo elektroda
logo elektroda
X
logo elektroda
REKLAMA
REKLAMA
Adblock/uBlockOrigin/AdGuard mogą powodować znikanie niektórych postów z powodu nowej reguły.

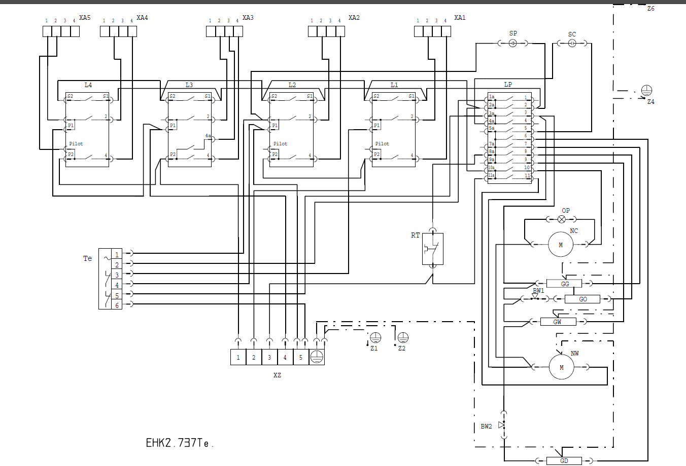
Instrukcja obsługi i schemat do kuchenki Amica EHK2.737TeRL - poszukiwania

digitel 15 Maj 2021 12:08 1308 1
REKLAMA
  • #1 19434192
    digitel
    Poziom 12  
    Poszukuję instrukcji obsługi i schematu do kuchenki Amica EHK2.737TeRL
  • REKLAMA
  • Pomocny post
    #2 19434337
    skryn
    Specjalista AGD
    digitel napisał:
    Poszukuję instrukcji obsługi i schematu do kuchenki Amica EHK2.737TeRL


    Wuala:

    Instrukcja obsługi i schemat do kuchenki Amica EHK2.737TeRL - poszukiwania

    oraz instrukcja obsługi w załączniku
REKLAMA