Prezentowałem już kilka modułów wzmacniaczy klasy D opartych na popularnych układach scalonych. Tym razem będzie to moduł oparty o TPA3118 który jest "słabszym" bratem TPA3116 i może dostarczyć do obciążenia maksymalnie 30W mocy na kanał (TPA3116 2x50W). Moduł pracuje z sygnałem monofonicznym i chyba w zamyśle konstruktora miał służyć do "napędzania" subwoofera (choć wykorzystanie zależy od użytkownika). Moduł pod nazwą HW-327 jest dostępny na znanych portalach w cenie kilkunastu złotych. Pierwsze co rzuca się w oczy to brak jakiegokolwiek radiatora co w sumie przy wzmacniaczu pracującym w klasie D nie powinno zbytnio dziwić jednak przy mocach powyżej 10-20W i dużej sprawności takowy byłby wskazany;
Wymiary PCB modułu to około 35x47mm a wysokość to ~13mm (zdeterminowana przez kondensatory elektrolityczne odsprzęgające zasilanie). Po drugiej stronie PCB widoczne są opisy złącz;
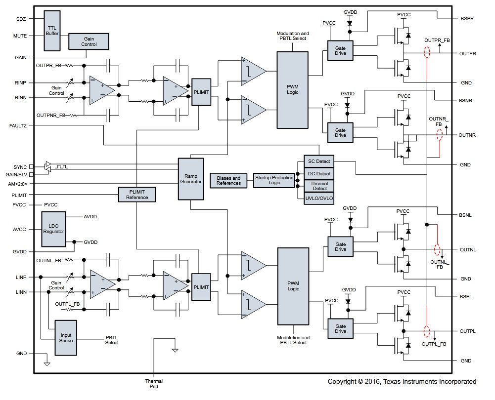
Wewnętrznie układy z rodziny TPA niczym się nie różnią i jest to typowy dla nich schemat funkcjonalny;
Najważniejsze parametry całej rodziny układów TPA to;
Moc wyjściowa;
• 2x50W @ 4Ω/21V (TPA3116D2)
• 2x30W @ 8Ω/24V (TPA3118D2)
• 2x15W @ 8Ω/15V (TPA3130D2)
• Szeroki zakres napięcia zasilającego 4,5 - 26V (katalogowo)
• Wysoka sprawność przekraczająca 90%
• Sterowanie częstotliwością przełączania (co umożliwia eliminację zakłóceń RF)
• Synchronizacja kilku wzmacniaczy pracujących w jednym układzie
• Wysoka maksymalna częstotliwość pracy dochodząca do 1,2MHz
Oraz zabezpieczenia;
• Przed zbyt niskim napięciem zasilania
• Przed zbyt wysokim napięciem zasilania
• Zabezpieczenie zwarciowe
• Zabezpieczenie termiczne
• Ograniczenie mocy
Jak widać na schemacie blokowym, stopień wyjściowy każdego kanału to mostek H. W jaki więc sposób zrealizowano "mostek-mostka" dla pracy mono? Po przestudiowaniu datasheet'u TPA okazuje się że producent układu (Texas Instruments) "zaszył" ten tryb w logice sterującej i podłączenie układu w/g poniższego schematu powoduje pracę "mostka w mostku"
;
Oczywiście układ wzmacniaczy pracujących w mostku jest znany od dawna (BTL- z ang. bridge-tied load) i jest często stosowany w celu uzyskania większych mocy przy niskim napięciu zasilania (np. radioodbiorniki samochodowe). Tu mamy do czynienia z tzw. PBTL (paralleled bridge-tied load) czyli równoległy układ mostka. W nocie aplikacyjnej można znaleźć przykładowy schemat TPA pracującego w takim układzie;
Testy odsłuchowe przeprowadziłem używając tego samego zestawu sprzętu co przy testach innych wzmacniaczy. Moduł działa poprawnie przy minimalnym napięciu zasilającym około 4,5V (zgodnie z notą producenta) do 24V (wyższego napięcia nie sprawdzałem ze względu na dopuszczalne napięcie kondensatorów blokujących zasilanie które wynosi 25V). Przy 5V orientacyjna moc to około 1-2W, przy 24V jest lepiej bo mniej więcej 15-20W (bez słyszalnych zniekształceń). W przeciwieństwie do modułu opartego o TPA3110D2 w tym nie ma efektu urywania. Bardzo łatwo za to wchodzi w przesterowanie, na poniższym obrazku zaczerpniętym z noty katalogowej wykresy zniekształceń w zależności od mocy wyjściowej oraz napięcia zasilania;
Wzmacniacz zasilany napięciem 5V w momencie włączenia generuje krótkie "prrryk" (ten efekt znika przy wyższym napięciu), po kilkunastu minutach pracy przy 24V zrobił się ciepły ale nie na tyle aby wymagał radiatora. Być może znajdzie zastosowanie w niewielkim subwooferze lub jako wzmacniacz sekcji średnio-wysoko-tonowej w zestawach głośnikowych z aktywną zwrotnicą.
Wymiary PCB modułu to około 35x47mm a wysokość to ~13mm (zdeterminowana przez kondensatory elektrolityczne odsprzęgające zasilanie). Po drugiej stronie PCB widoczne są opisy złącz;
Wewnętrznie układy z rodziny TPA niczym się nie różnią i jest to typowy dla nich schemat funkcjonalny;
Najważniejsze parametry całej rodziny układów TPA to;
Moc wyjściowa;
• 2x50W @ 4Ω/21V (TPA3116D2)
• 2x30W @ 8Ω/24V (TPA3118D2)
• 2x15W @ 8Ω/15V (TPA3130D2)
• Szeroki zakres napięcia zasilającego 4,5 - 26V (katalogowo)
• Wysoka sprawność przekraczająca 90%
• Sterowanie częstotliwością przełączania (co umożliwia eliminację zakłóceń RF)
• Synchronizacja kilku wzmacniaczy pracujących w jednym układzie
• Wysoka maksymalna częstotliwość pracy dochodząca do 1,2MHz
Oraz zabezpieczenia;
• Przed zbyt niskim napięciem zasilania
• Przed zbyt wysokim napięciem zasilania
• Zabezpieczenie zwarciowe
• Zabezpieczenie termiczne
• Ograniczenie mocy
Jak widać na schemacie blokowym, stopień wyjściowy każdego kanału to mostek H. W jaki więc sposób zrealizowano "mostek-mostka" dla pracy mono? Po przestudiowaniu datasheet'u TPA okazuje się że producent układu (Texas Instruments) "zaszył" ten tryb w logice sterującej i podłączenie układu w/g poniższego schematu powoduje pracę "mostka w mostku"
Oczywiście układ wzmacniaczy pracujących w mostku jest znany od dawna (BTL- z ang. bridge-tied load) i jest często stosowany w celu uzyskania większych mocy przy niskim napięciu zasilania (np. radioodbiorniki samochodowe). Tu mamy do czynienia z tzw. PBTL (paralleled bridge-tied load) czyli równoległy układ mostka. W nocie aplikacyjnej można znaleźć przykładowy schemat TPA pracującego w takim układzie;
Testy odsłuchowe przeprowadziłem używając tego samego zestawu sprzętu co przy testach innych wzmacniaczy. Moduł działa poprawnie przy minimalnym napięciu zasilającym około 4,5V (zgodnie z notą producenta) do 24V (wyższego napięcia nie sprawdzałem ze względu na dopuszczalne napięcie kondensatorów blokujących zasilanie które wynosi 25V). Przy 5V orientacyjna moc to około 1-2W, przy 24V jest lepiej bo mniej więcej 15-20W (bez słyszalnych zniekształceń). W przeciwieństwie do modułu opartego o TPA3110D2 w tym nie ma efektu urywania. Bardzo łatwo za to wchodzi w przesterowanie, na poniższym obrazku zaczerpniętym z noty katalogowej wykresy zniekształceń w zależności od mocy wyjściowej oraz napięcia zasilania;
Wzmacniacz zasilany napięciem 5V w momencie włączenia generuje krótkie "prrryk" (ten efekt znika przy wyższym napięciu), po kilkunastu minutach pracy przy 24V zrobił się ciepły ale nie na tyle aby wymagał radiatora. Być może znajdzie zastosowanie w niewielkim subwooferze lub jako wzmacniacz sekcji średnio-wysoko-tonowej w zestawach głośnikowych z aktywną zwrotnicą.
Fajne? Ranking DIY
