logo elektroda
logo elektroda
X
logo elektroda
Adblock/uBlockOrigin/AdGuard mogą powodować znikanie niektórych postów z powodu nowej reguły.

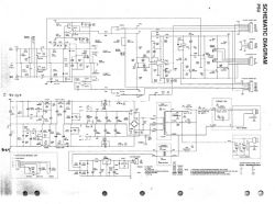
Zlecę wykonanie projektu i produkcji płytki PCB 17,5cm x 16cm na podstawie załączonych schematów

zapco1 01 Cze 2021 16:50 966 1
  • #1 19461232
    zapco1
    Poziom 1  
    Zlecę projekt płytki pcb może być z wykonaniem na podstawie schematu wymiary płytki 17,5cm X 16cm

    Zlecę wykonanie projektu i produkcji płytki PCB 17,5cm x 16cm na podstawie załączonych schematów
    Zlecę wykonanie projektu i produkcji płytki PCB 17,5cm x 16cm na podstawie załączonych schematów Zlecę wykonanie projektu i produkcji płytki PCB 17,5cm x 16cm na podstawie załączonych schematów
  • #2 19465432
    mycodename47
    Poziom 15  
    Witam,

    Jeśli wciąż aktualne, proponuję 1000zł netto.

    Pozdrawiam,
    Krzysiek
REKLAMA