logo elektroda
logo elektroda
X
logo elektroda
REKLAMA
REKLAMA
Adblock/uBlockOrigin/AdGuard mogą powodować znikanie niektórych postów z powodu nowej reguły.

Alan 42 Multi - uszkodzenie po wymianie stabilizatora, podejrzenie o 93C66

LucasKrakow 10 Cze 2021 16:01 702 13
REKLAMA
  • #1 19473660
    LucasKrakow
    Poziom 17  
    Trafił do mnie Alan 42 Multi z uszkodzonym stabilizatorem. Po wymianie stabilizatora napięcie VDD 5,01 V, a na przyciskach 1,17 V.

    Po podaniu napięcia od razu na płytę z CPU na 8 kołek np. 8 V na wyświetlaczu pokazuje się 19 PL i pełny S-metr. Gdy naciśniemy PTT, wszystko jest OK, ale gdy zapragniemy zmienić kanał i w tym celu naciśniemy odpowiedni przycisk na wyświetlaczu, pokazują się krzaki i procesor wisi. Działa poprawnie przycisk DW i podświetlenia (gdy radio całe poskładane, usterka jest taka sama).

    Podejrzana mi się wydaje 93C66 lub jej zawartość, ale nie mam do niej wsadu - jeżeli ktoś ma, to będę wdzięczny. Nigdy mi nie wpadło do głowy, by taką zawartość zarchiwizować.

    Czy moje podejrzenie ma sens?

    Podaję adres strony, z której można pobrać schematy
  • REKLAMA
  • #2 19475718
    Hektar Zahle.r
    Poziom 30  
    Teraz to tylko śmietnik
  • #3 19475724
    LucasKrakow
    Poziom 17  
    Może niekoniecznie. Porobiłem trochę prób z różną zawartością pamięci i wszystko wskazuje na to, że potrzebuję poprawny wsad do pamięci. Tak więc jeśli ktoś posiada wsad pamięci 93C66, to ja ładnie proszę.
  • REKLAMA
  • #4 19475779
    gumisie
    Poziom 43  
    LucasKrakow napisał:
    Porobiłem trochę prób z różną zawartością pamięci
    Z jakimi?
    Dedykowanymi do tego ręczniaka (Alan 42 Multi)?
    Może się mylę, lecz moim zdaniem problem leży po stronie "procesora".

    Pozdrawiam.

    EDIT:

    O którym "kołku" piszesz?
    LucasKrakow napisał:
    Po podaniu napięcia od razu na płytę z CPU na 8 kołek np. 8 V
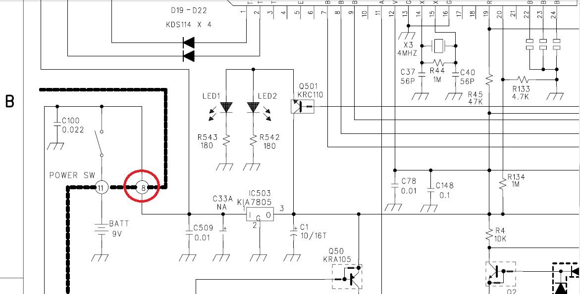
    Tym zaznaczonym czerwonym kółkiem?
    Alan 42 Multi - uszkodzenie po wymianie stabilizatora, podejrzenie o 93C66
  • #5 19475912
    Hektar Zahle.r
    Poziom 30  
    Tam jest pamieć 93C66. Wkladasz czystą pamięć i ma chodzić.
  • REKLAMA
  • #6 19476318
    gumisie
    Poziom 43  
    Hektar Zahle.r napisał:
    Wkladasz czystą pamięć i ma chodzić.
    Tym bardziej, że jest to tzw. pamięć podręczna w której zapisywane są bieżące dane ustawienia tego TRX_a.
    O ile się mylę, mój wpis proszę potraktować z przymrużeniem oka.

    Pozdrawiam.
  • REKLAMA
  • #7 19478020
    Konto nie istnieje
    Poziom 1  
  • #8 19479148
    LucasKrakow
    Poziom 17  
    Wsady były od innych modeli. Do 42 nie posiadam.
    Pusta pamięć = nie działa radio. Brak pamięci = nie działa radio.
    Tak. 8 kołek złącza - ten co zakreśliłeś.

    Żyje nadzieją że to nie procesor.

    Jeżeli ktoś posiada wsad pamięci 93c66 do Alan 42 Multi i może się podzielić to będę wdzięczny.
  • #9 19481253
    Hektar Zahle.r
    Poziom 30  
    Wsadź czystą pamięć, włącz radio kombinacją klawiszy AM/FM+Scan, wybierz region [PL] i wciśnij PTT, a wsad sie uaktualni sam. Zworkologia na płycie wszystkie zlutowane.
  • #10 19481260
    LucasKrakow
    Poziom 17  
    Próbowałem inna kombinacje i to nic nie dawało.
    Tej nie próbowałem z AM i SCAN a powinienem bo to podstawowa:) Bardzo Dziękuję za podpowiedź.
  • #11 19481262
    Hektar Zahle.r
    Poziom 30  
    Noo.......... :shii: ale procesor już nie żyje. Tak swoją drogą ktoś Ci podłozył świnię. Allegro i user GW2020 Nowy Sącz. Mają procesory różne. Całe sterowniki po 10zł brałem.
  • #12 19481994
    LucasKrakow
    Poziom 17  
    Nie lubię was:)
    Chyba wykrakaliście. To może być padnięty procesor.
    Próba z AM i SC wywołuje od razu krzaka.
  • #13 19482010
    gumisie
    Poziom 43  
    LucasKrakow napisał:
    Nie lubię was:)
    Chyba wykrakaliście. To może być padnięty procesor.
    My Ciebie również. :wink:
    gumisie napisał:
    Może się mylę, lecz moim zdaniem problem leży po stronie "procesora".


    Pozdrawiam.

    P.s.

    Spójrz na schemat.
    Zasilanie tego TRX_a, to nie tylko pin.8, podłączony do stabilizatora 5V (IC503).
    LucasKrakow napisał:
    Po podaniu napięcia od razu na płytę z CPU na 8 kołek np. 8 V
  • #14 19483180
    Hektar Zahle.r
    Poziom 30  
    Masz ostatnia szanse, że ktoś dotknął kwarcu i upaliło Xin. To by tłumaczyło krzaki - brak kluczowania segmentów LCD. Do sprawdzenia oscyloskopem czy LCD jest kluczowany. Kilka sztuk ożywiłem w ten sposób po lamerach. Daj mu sygnał z generatora za separacją pojemności 1nF. Jak nie wstanie - śmietnik.

    Człowiek uczy się całe życie - wystrzał elektrostatyczny z ESD do kwarcu, albo różnica potencjałów uziemienie <> zasilacz.

    Wadliwy kwarc ?

Podsumowanie tematu

Użytkownik zgłosił problem z radiem Alan 42 Multi, które po wymianie stabilizatora wykazuje nieprawidłowe napięcia i problemy z wyświetlaczem. Po podaniu napięcia na płytę CPU, radio działa poprawnie przy naciśnięciu PTT, ale zmiana kanału powoduje zawieszenie. Użytkownik podejrzewa uszkodzenie pamięci 93C66 lub jej zawartości, a także ewentualne uszkodzenie procesora. W dyskusji pojawiają się sugestie dotyczące wymiany pamięci, sprawdzenia kwarcu oraz możliwości, że problem leży w procesorze. Użytkownicy dzielą się doświadczeniami i wskazówkami, jak zaktualizować wsad pamięci oraz jak diagnozować problemy z radiem.
Podsumowanie wygenerowane przez model językowy.
REKLAMA