logo elektroda
logo elektroda
X
logo elektroda
REKLAMA
REKLAMA
Adblock/uBlockOrigin/AdGuard mogą powodować znikanie niektórych postów z powodu nowej reguły.

[Rozwiązano] Lampa oscyloskopowa 8ŁO29 - co to jest napięcie katoda-grzejnik?

danieldomel 13 Lip 2021 21:34 1158 16
REKLAMA
  • #1 19519380
    danieldomel
    Poziom 10  
    Witam, zakupiłem lampę oscyloskopową 8ŁO29 i chcę na niej zbudować prosty oscyloskop, na nocie katalogowej wszystkie parametry lampy są dla mnie jasne poza jednym, mianowicie co to jest napięcie katoda-grzejnik? Czy muszę połączyć jeden pin grzejnika do katody przez opornik? Proszę o odpowiedź osoby które się znają na "rzeczy". Z góry dziękuję za pomoc.

    Lampa oscyloskopowa 8ŁO29 - co to jest napięcie katoda-grzejnik?
  • REKLAMA
  • #2 19519417
    DVDM14
    Poziom 35  
    To po prostu maksymalne napięcie, jakie może wytrzymać izolacja pomiędzy katodą a żarnikiem.
  • REKLAMA
  • #3 19519440
    danieldomel
    Poziom 10  
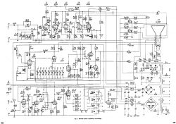
    Według jednego (właściwie jedynego jaki znalazłem z tą lampą) ze schematów na jedną z nóżek grzejnika jest przyłożone napięcie -1200v i przez opornik chyba 1 ohm idzie do katody..... Lampa oscyloskopowa 8ŁO29 - co to jest napięcie katoda-grzejnik?
  • #4 19519629
    aksakal
    Specjalista - urządzenia lampowe
    Masz na myśli rezystor R71 - 1.0? Jego nominał - 1MOm.
  • REKLAMA
  • #5 19519644
    c2h5oh
    Moderator
    aksakal napisał:
    ... Jego nominał - 1mOm.

    1 mΩ (mili om) to mniej niż rezystancja połączeń. Czy to musi być jakiś specjalny rezystor? Miedziany? Srebrny?
  • REKLAMA
  • #7 19519737
    aksakal
    Specjalista - urządzenia lampowe
    Rezystor ma wartość znamionową 1 000 000 Om = 1000kOm=1 MOm
  • #8 19519776
    AdamC
    Poziom 29  
    aksakal napisał:
    Rezystor ma wartość znamionową 1 000 000 Om = 1000kOm=1 mOm


    Popatrz na obrazek jak w języku polskim ( i nie tylko ) oznacza się jednostki.
  • #9 19520183
    danieldomel
    Poziom 10  
    Tak, mam na myśli R71, czy zatem nie powinno pisać przy nim 1M a nie 1 ?

    Dodano po 2 [minuty]:

    Czy przy budowie prostego oscyloskopu połączenie jednego pinu żarnika z katodą jest konieczne ?

    Dodano po 6 [minuty]:

    Chciałbym zbudować na tej lampie oscyloskop bazując na projekcie z czasopisma elektronika praktyczna 6/2006
  • #10 19520347
    gumisie
    Poziom 43  
    danieldomel napisał:
    Chciałbym zbudować na tej lampie oscyloskop według projektu z czasopisma elektronika praktyczna 6/2006
    Jesteś pewien, że lampę 8ŁO29 można zastosować do tego projektu?

    Pozdrawiam.
  • Pomocny post
    #11 19520406
    aksakal
    Specjalista - urządzenia lampowe
    Kollego ,danieldomel! Na schemacie nie ma błędu! Na schematach, opublikowanych w książkach i czasopismach ZSRR można zobaczyć oznaczenie wartości rezystorów, które różnią się od normy Europejskiej. Tak więc rezystor 1000000 Om może mieć oznaczenie - 1.0 - 1M-1мОм(mОm) , a na obwodach z lat 50 ubiegłego wieku może być oznaczenie 1мегаом( megaom) . Rezystor 100000 Om- 0,1-100k-M1. Rezystor 220000 Om - 0.22 - 220k - M22 . Schemat oscyloskopu post#3 jest przedrukowany ze schematu, opublikowanego w źródłach radzieckich. Zmieniono tylko czcionkę z cyrylicy na łacińską.
  • #12 19520468
    danieldomel
    Poziom 10  
    Kolego aksakal rozumiem, dziękuję za pomoc, podpowiedz mi proszę jeszcze jedną rzecz, w załączniku powyżej jest schemat tego prostego oscyloskopu, jest tam użyta lampa produkcji ZSRR B6S1 w której katoda jest połączona z jednym pinem grzejnika, czy mogę połączyć jeden pin grzejnika z katodą w mojej lampie ?
  • #13 19520597
    gumisie
    Poziom 43  
    danieldomel napisał:
    jest tam użyta lampa produkcji ZSRR B6S1
    Z tego co mi wiadomo, nie jest to lampa "radzieckiej" produkcji, lecz NRD_owska.
    Napięcie żarzenia: 4V :!:

    P.s.

    @danieldomel Czy Ty nie "porywasz się z motyką na słońce", tylko z tego powodu, że:
    danieldomel napisał:
    zakupiłem lampę oscyloskopową 8ŁO29

    :?: :cry:

    Pozdrawiam.
  • #14 19520662
    danieldomel
    Poziom 10  
    Do odważnych świat należy, z zepsutego Mini 4 parę lat temu mi się udało tylko po jakimś czasie B6S1 klękła.......i poszedł na śmietnik
  • #15 19520901
    gumisie
    Poziom 43  
    danieldomel napisał:
    Do odważnych świat należy
    :spoko:
    Owszem, lecz czy nie jest to przerost formy nad treścią (dotyczy to tego oscyloskopu z EP)?
  • #16 19521218
    aksakal
    Specjalista - urządzenia lampowe
    Kolego, danieldomel! Przy moim głębokim szacunku do twojego pragnienia otrzymać doświadczenie w konstruowaniu i realizacji własnych konstrukcji, chcę wyrazić ci moje zdanie. Może Ci nie spodoba się to co napiszę, ale lepiej gorzka prawda niż słodkie kłamstwo! Lepiej wyrzuć z głowy pomysł konstruowania oscyloskopu w naszych czasach z użyciem dyskretnych elementów, których , aby uzyskać dobre parametry techniczne , musisz użyć kilkuset! Zwykle przed projektantem pojawiają się nie do pokonania problemy , a ostatecznie - straty materialne i głębokie rozczarowanie . Od powstania pomysłu do jego realizacji jako od ziemi do słońca. Oscyloskop nie jest radiem detektorowym , nie można go zlutować na kolanach. Ale jeśli masz nieodpartą chęć realizacji swojego planu, spójrz na tęj stronę schemat oscyloskopu krótkofalowca ze Szwecji. W schemacie zastosowano lampę oscylograficzną 6LO-1I, wyprodukowaną w ZSRR. Jej wymiana nie będzie stanowić problemu. W zasilaczu 3 transformatory można zastąpić 1 z uzwojeniami z pożądanymi napięciami.Lecz miej na myśli - ten prosty oscyloskop, jak i wszystkie inne jemu podobne, ma ograniczone techniczne możliwości i szybciej przeznaczony dla demonstracyjnych celi, czym dla poważnych wymiarów! http://sm0vpo.altervista.org/scope/oscilloscope-timebase-digital.htm
  • #17 19521340
    danieldomel
    Poziom 10  
    Dziękuje wszystkim za pomoc. Temat zamykam.

Podsumowanie tematu

Użytkownik zakupił lampę oscyloskopową 8ŁO29 i pyta o napięcie katoda-grzejnik oraz o konieczność połączenia pinu grzejnika z katodą przez opornik. Odpowiedzi wskazują, że napięcie to odnosi się do maksymalnego napięcia izolacji między katodą a żarnikiem, a w schematach lampy 8ŁO29 podawane jest napięcie -1200V. W dyskusji pojawia się również temat rezystora R71, który powinien mieć wartość 1MΩ, a nie 1Ω. Użytkownicy podkreślają, że lampa 8ŁO29 nie jest produkcji radzieckiej, lecz NRD-owskiej, a także wyrażają wątpliwości co do możliwości budowy oscyloskopu z użyciem tej lampy. W końcu, autor dziękuje za pomoc i zamyka temat.
Podsumowanie wygenerowane przez model językowy.
REKLAMA